电脑桌面
添加小米粒文库到电脑桌面
安装后可以在桌面快捷访问

临时施工用电专项方案VIP免费

临时施工用电专项方案_第1页
1/13
临时施工用电专项方案_第2页
2/13
临时施工用电专项方案_第3页
3/13
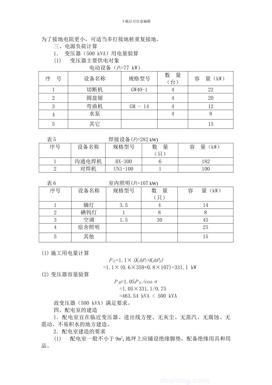
下载后可任意编辑临时施工用电专项方案一、现场概况苏州工业园区北环快速路东延二期工程呈东西走向,快速路西起北环快速路东延一期工程星港街立交,快速路高架道路起点处拆迁北环快速路一期接地引坡道路,采纳高架道路形式向东延伸,沿 G312 跨越唐庄立交南延道路、玲珑街、珠径路及星湖街,高架道路终点至星湖街立交东侧,预留快速路高架道路继续东延的接口。其中包括星港街立交改造、北环快速路东延二期主线、玲珑街北延、玲珑街立交、星湖街立交、星湖街跨塘大桥改造及城际铁路园区站站前至和西路等内容。 本标段为 BH-6 标段,包括 ZN 线(部分)、ZSW 线、F 线、G 线、LE 线(部分)、LH 线(部分)、LC 线(部分)、F 线、G 线、M 线及地面道路 4﹟桥。根据本工程实际情况,项目部经理部、施工场地试验室、桥梁施工队驻地生活房屋采纳拼装式塑钢活动房屋,现场布置详见《施工现场临时设施平面布置详图》。供电方案:与当地电业部门协调,从临近供电网架设 10KV 电力线沿征地红线引至施工现场的配电房,设 1 台 500KVA 变压器负责为路基、桥梁、加工场等供电。备用电源:考虑断电时,为满足局部重要部位的供电,在配电房处安装 1台 1500KW 的柴油发电机组,以保证施工需要。二、接地与接零保护系统1.本工程施工现场比较宽广,用电设备较多,用电量大。为防止在 TN-C三相四线接零保护情况下由于共用中性线而使中性线带电,造成触电事故而采纳 TN-S 三相五线接零保护。2.N – S 三相五线接零保护架设要求(1)保护零线严禁通过任何开关或熔断器。(1)保护零线作为接零保护的专用线,必须独用,不能他用,电缆要用五芯电缆。(2)保护零线除了从工作接地线(变压器)或总配电箱电源侧零线引出外,在任何地方不得与工作零线有电气连接,特别注意电箱中防止经过铁质箱体形成电气连接。(3)保护零线的截面积应不小于工作零线的截面积,同时必须满足机械强度的要求。(4)保护零线的统一标志为黄/绿双色线,在任何情况下不能将其作负荷线用。(5)重复接地必须在保护零线上。工作零线不能加重复接地(因工作零线加了重复接地,漏电保护器就无法使用)。(6)保护零线除必须在配电室或总配电箱处作重复接地外,还必须在配电线路的中间处及末端做重复接地,配电线路越长,重复接地的作用越明显,下载后可任意编辑为了接地电阻更小,可适当多打接地桩重复接地。三、电源负荷计算1. 变压器(500 kVA)用电量验算(1)变压器主要供...

1、当您付费下载文档后,您只拥有了使用权限,并不意味着购买了版权,文档只能用于自身使用,不得用于其他商业用途(如 [转卖]进行直接盈利或[编辑后售卖]进行间接盈利)。
2、本站所有内容均由合作方或网友上传,本站不对文档的完整性、权威性及其观点立场正确性做任何保证或承诺!文档内容仅供研究参考,付费前请自行鉴别。
3、如文档内容存在违规,或者侵犯商业秘密、侵犯著作权等,请点击“违规举报”。

碎片内容

临时施工用电专项方案

确认删除?
VIP
微信客服
  • 扫码咨询
会员Q群
  • 会员专属群点击这里加入QQ群
客服邮箱
回到顶部