电脑桌面
添加小米粒文库到电脑桌面
安装后可以在桌面快捷访问

临时用电施工设计方案VIP免费

临时用电施工设计方案_第1页
1/15
临时用电施工设计方案_第2页
2/15
临时用电施工设计方案_第3页
3/15
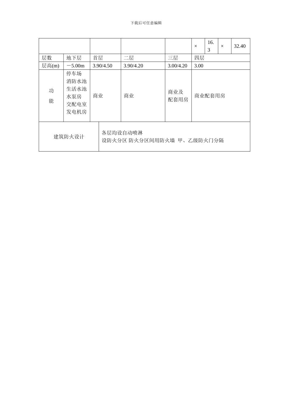
下载后可任意编辑广丰县西门水果市场临时用电设计方案编制人: 审核人: 批准人:赣东北建设集团有限公司年 月 日 下载后可任意编辑临时用电施工设计方案一、编制依据 本方案主要依据施工图纸及参考文献,施工现场周边环境状况编制: 建设工程施工现场供电安全法律规范(GB50194-1993)、施工现场临时用电安全技术法律规范(JGJ46-1988)及建筑机械使用安全技术法律规范(JGJ33-2001)。为了在施工现场中贯彻执行“安全第一、预防为主”的方针,确保现场用电中的人身安全和设备使用安全可靠,确保工程顺利施工,根据 JGJ46-88《施工现场临时用电安全技术法律规范》的规定,特制订本设计,并照此贯彻执行。1.工程概况表 2-1工程名称广丰西门水果市场地理位置县城小商品农贸市场西侧建设单位上饶市商友置业有限公司设计单位浙江华洲国际设计有限公司勘察单位中材上饶地质工程勘察院监理单位江西省江信监理有限责任公司监督单位江西省广丰县建筑工程质量安全监督站施工总承包单位赣东北建设集团有限公司合同范围(施工合同约定)施工图中全部投资性质自筹合同质量目标合格(创优)合同性质中标价加增减概算合同工期总工期 天,计划开工日期 2024 年 8 月 日 至 2024 年 月 日2.建筑设计概况 表 2-2总工程面积㎡地下部分面积B:3644.80㎡用地面积5646.0㎡地上部分面积A:6455.58/B:4095.0㎡基地面积1651.03/1321.80㎡层数地 上部分A:4层B:3层±0.000高程94.76基础埋深6.50﹏11.50m地 下部分1 层设 计 室 外地坪A: - 0.300/B: -0.150檐口高度15.50/13.05层高及建筑功能建 筑 物 总高度A : 17.20/B :16.50轴网尺度57.2024.841.4039.20下载后可任意编辑××16.332.40层数地下层首层二层三层四层层高(m)-5.00m3.90/4.503.90/4.203.00/4.203.00功 能停车场消防水池生活水池水泵房交配电室发电机房商业商业商业及配套用房商业配套用房建筑防火设计各层均设自动喷淋设防火分区 防火分区间用防火墙 甲、乙级防火门分隔下载后可任意编辑建筑防水设计地下室P6 抗渗混凝土结构自防水屋面防水等级为 2 级,防水层耐用 15 年,用两道Au3-PE 自能防水卷材 2.0 系,1.5 系卫生间1.5 系 Au3 双面自粘防水卷材厨房墙身防潮2 系 Au3 防水卷材外装修以 色石材干挂墙面或 色面砖镶粘为基调 色铝合金中空玻璃窗 内装修底层:细石混泥土防水地面,防滑地砖,楼地面二至四层水泥砂浆找平内墙:卫生间,20 系...

1、当您付费下载文档后,您只拥有了使用权限,并不意味着购买了版权,文档只能用于自身使用,不得用于其他商业用途(如 [转卖]进行直接盈利或[编辑后售卖]进行间接盈利)。
2、本站所有内容均由合作方或网友上传,本站不对文档的完整性、权威性及其观点立场正确性做任何保证或承诺!文档内容仅供研究参考,付费前请自行鉴别。
3、如文档内容存在违规,或者侵犯商业秘密、侵犯著作权等,请点击“违规举报”。

碎片内容

临时用电施工设计方案

确认删除?
VIP
微信客服
  • 扫码咨询
会员Q群
  • 会员专属群点击这里加入QQ群
客服邮箱
回到顶部