电脑桌面
添加小米粒文库到电脑桌面
安装后可以在桌面快捷访问

人防工程平战转换方案VIP免费

人防工程平战转换方案_第1页
1/16
人防工程平战转换方案_第2页
2/16
人防工程平战转换方案_第3页
3/16
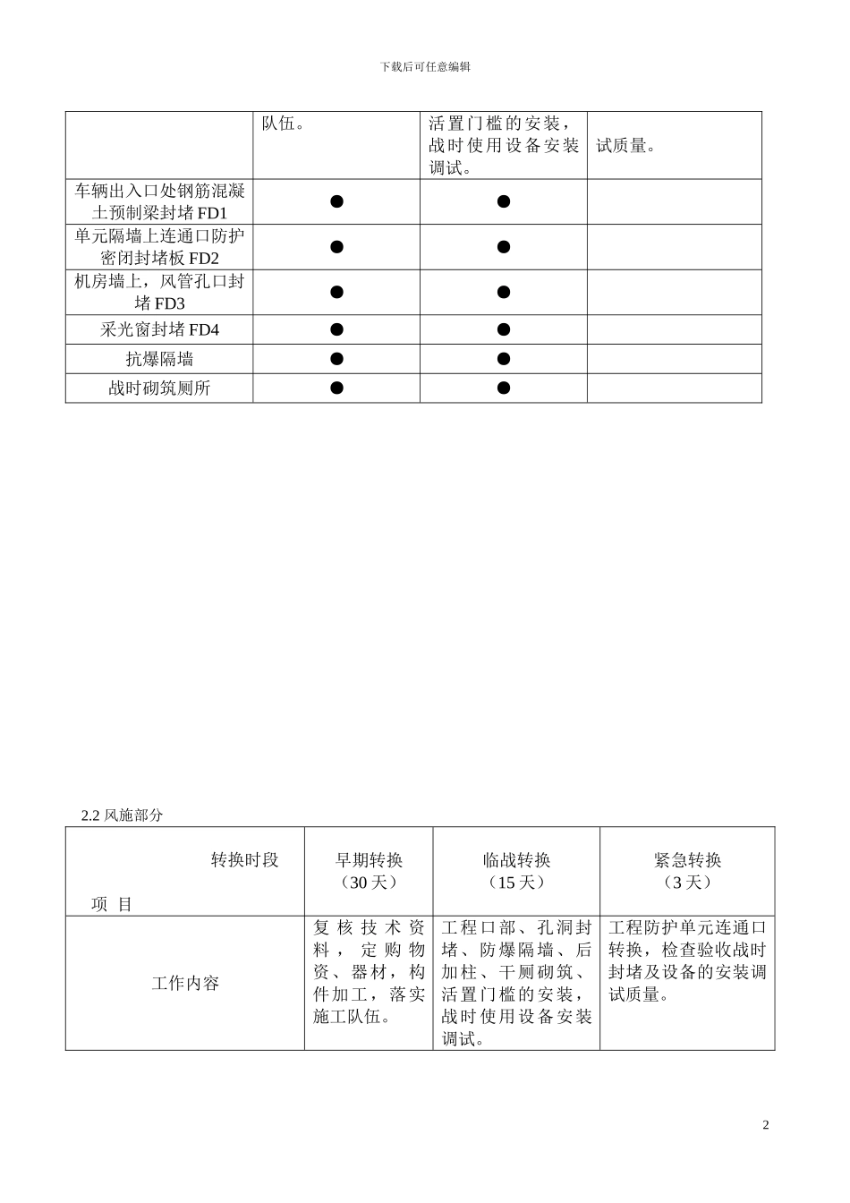
下载后可任意编辑第一章工程概况工程名称丹江口市水产佳源商住楼工程地点丹江口市沿江路建设单位丹江口市佳源房地产开发公司设计单位湖北华疆建筑设计院监理单位武汉监理十堰分公司施工单位重庆永泰建筑总公司丹江口项目部使用管理单位丹江口市佳源房地产开发公司平战转换设计单位湖北华疆建筑设计院平战转换实施单位丹江口市佳源房地产开发公司竣工时间2024 年 6 月平战转换设计时间人防工程类别二类防核武器抗力级别防常规武器抗力级别防化等级建筑面积1234㎡掩蔽面积平常用途车库战时用途上部结构形式框剪地下层数一层防护单元数量(个)1抗爆单元数量(个)1口部数量(个)2通风竖井数量(个)2战时隐蔽人员数量(个)战时物资储备数量第二章 各时间段转换工作内容及所需设备、构件、材料、劳动力一览表2.1 土建部分转换时段项 目早期转换(30 天)临战转换(15 天)紧急转换(3 天)工作内容复核技术资料,定购物资、器材,构件加工,落实施工工程口部、孔洞封堵、防爆隔墙、后加柱、干厕砌筑、工程防护单元连通口转换,检查验收战时封堵及设备的安装调1下载后可任意编辑队伍。活置门槛的安装,战时使用设备安装调试。试质量。车辆出入口处钢筋混凝土预制梁封堵 FD1●●单元隔墙上连通口防护密闭封堵板 FD2●●机房墙上,风管孔口封堵 FD3●●采光窗封堵 FD4●●抗爆隔墙●●战时砌筑厕所●●2.2 风施部分转换时段项 目早期转换(30 天)临战转换(15 天)紧急转换(3 天)工作内容复 核 技 术 资料 , 定 购 物资、器材,构件加工,落实施工队伍。工程口部、孔洞封堵、防爆隔墙、后加柱、干厕砌筑、活置门槛的安装,战时使用设备安装调试。工程防护单元连通口转换,检查验收战时封堵及设备的安装调试质量。2下载后可任意编辑通风所需设备材料构件电动脚踏两用风机:DJF-1●●●斜流风机:SJG#4●●●手动密闭阀:D40X-0.5●●●油网过滤器:LWP-X●●●过滤吸收器:SR78-1000●●●测压装置倾斜式微压计●●●换气堵头●●●密闭法兰●●●自动超压排气活门●●●风管防火阀●●●风管止回阀、插板阀●●●战时风口●●●清洁区风管:镀锌铁皮●●●染毒区风管:δ=3mm 钢板●●●密闭胶条●●●影响战时使用的平常设备进行拆除、整理●●平常用通风洞口的封堵●竖井平常使用的防护密闭门及密闭门的关闭●平常通风系统上需战时关闭的阀门●2.3 水施部分转换时段项 目早期转换(30 天)临战转换(15 天)紧急转换(3 天...

1、当您付费下载文档后,您只拥有了使用权限,并不意味着购买了版权,文档只能用于自身使用,不得用于其他商业用途(如 [转卖]进行直接盈利或[编辑后售卖]进行间接盈利)。
2、本站所有内容均由合作方或网友上传,本站不对文档的完整性、权威性及其观点立场正确性做任何保证或承诺!文档内容仅供研究参考,付费前请自行鉴别。
3、如文档内容存在违规,或者侵犯商业秘密、侵犯著作权等,请点击“违规举报”。

碎片内容

人防工程平战转换方案

您可能关注的文档

确认删除?
VIP
微信客服
  • 扫码咨询
会员Q群
  • 会员专属群点击这里加入QQ群
客服邮箱
回到顶部