电脑桌面
添加小米粒文库到电脑桌面
安装后可以在桌面快捷访问

仪表安装调试施工方案VIP免费

仪表安装调试施工方案_第1页
1/4
仪表安装调试施工方案_第2页
2/4
仪表安装调试施工方案_第3页
3/4
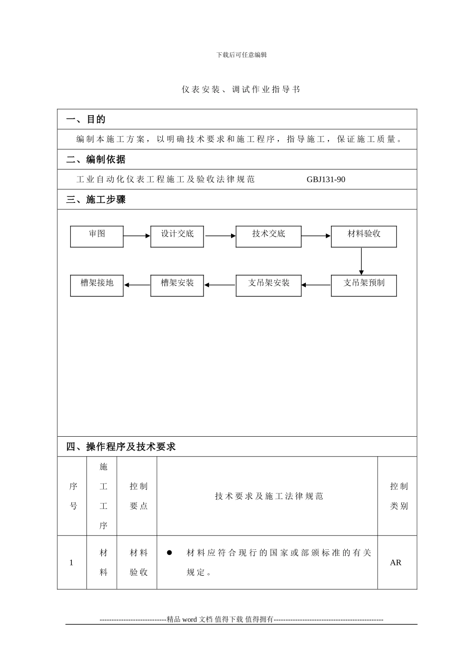
下载后可任意编辑仪 表 安 装 、 调 试 作 业 指 导 书一、目的 编 制 本 施 工 方 案 , 以 明 确 技 术 要 求 和 施 工 程 序 , 指 导 施 工 , 保 证 施 工 质 量 。二、编制依据 工 业 自 动 化 仪 表 工 程 施 工 及 验 收 法 律 规 范 GBJ131-90三、施工步骤四、操作程序及技术要求序号施工工序控 制要 点技 术 要 求 及 施 工 法 律 规 范控 制类 别1材料材 料验 收材 料 应 符 合 现 行 的 国 家 或 部 颁 标 准 的 有 关规 定 。AR----------------------------精品 word 文档 值得下载 值得拥有----------------------------------------------审图设计交底槽架接地槽架安装技术交底支吊架安装材料验收 支吊架预制下载后可任意编辑验收材 料 应 符 合 设 计 规 定 、 修 改 设 计 必 须 经 过原 设 计 部 门 的 同 意 。2支吊架制作支 吊架 制作制 作 支 架 时 应 将 材 料 矫 正 、 平 直 。 切 口 处不 应 有 卷 边 和 毛 刺 。 制 作 好 的 支 架 应 牢固 、 平 正 、 尺 寸 准 确 。C支 吊架 安装支 吊 架 安 装 垂 直 度 允 许 偏 差 2/1000, 成 排支 架 顶 部 高 差 允 许 偏 差 2/1000, 总 长 > 5m,允 许 偏 差 10mm.支 吊 架 不 应 安 装 在 具 有 较 大 振 动 、 热 源 、腐 蚀 性 液 滴 及 排 污 沟 道 的 位 置 ,也 不 宜 安装 在 具 有 高 温 、 高 压 、 腐 蚀 性 及 易 燃 易 爆介 质 的 工 艺 设 备 、 管 道 以 及 能 移 动 的 构 筑物 上 。3槽架安装外 观质 量制 作 好 的 槽 架 应 平 整 ,内 部 光 洁 ,无 毛 刺 ,加 工 尺 寸 准 确 。CR槽 架连 接槽 架 采 纳 螺 栓 连 接 时 , 应 用 半 园 头 螺 栓 由里 向 外 穿 。槽 桥 采 纳 焊 接 连 接 时 , 不 应 有 显 著 变 形 ,应 光 滑 无 毛 刺 , 且 作 防 腐 处 理 。BR槽 架开 孔槽 架 开 孔 石 用 机 械 加 工 方 法 开 孔 。开 孔 处 用 合 适 的 护 圈 保 护 电 缆 。槽 架安 装槽 架 的 直 线 长 度 超 过 50...

1、当您付费下载文档后,您只拥有了使用权限,并不意味着购买了版权,文档只能用于自身使用,不得用于其他商业用途(如 [转卖]进行直接盈利或[编辑后售卖]进行间接盈利)。
2、本站所有内容均由合作方或网友上传,本站不对文档的完整性、权威性及其观点立场正确性做任何保证或承诺!文档内容仅供研究参考,付费前请自行鉴别。
3、如文档内容存在违规,或者侵犯商业秘密、侵犯著作权等,请点击“违规举报”。

碎片内容

仪表安装调试施工方案

您可能关注的文档

确认删除?
VIP
微信客服
  • 扫码咨询
会员Q群
  • 会员专属群点击这里加入QQ群
客服邮箱
回到顶部