电脑桌面
添加小米粒文库到电脑桌面
安装后可以在桌面快捷访问

传输能力管线勘察考试题VIP免费

传输能力管线勘察考试题_第1页
1/5
传输能力管线勘察考试题_第2页
2/5
传输能力管线勘察考试题_第3页
3/5
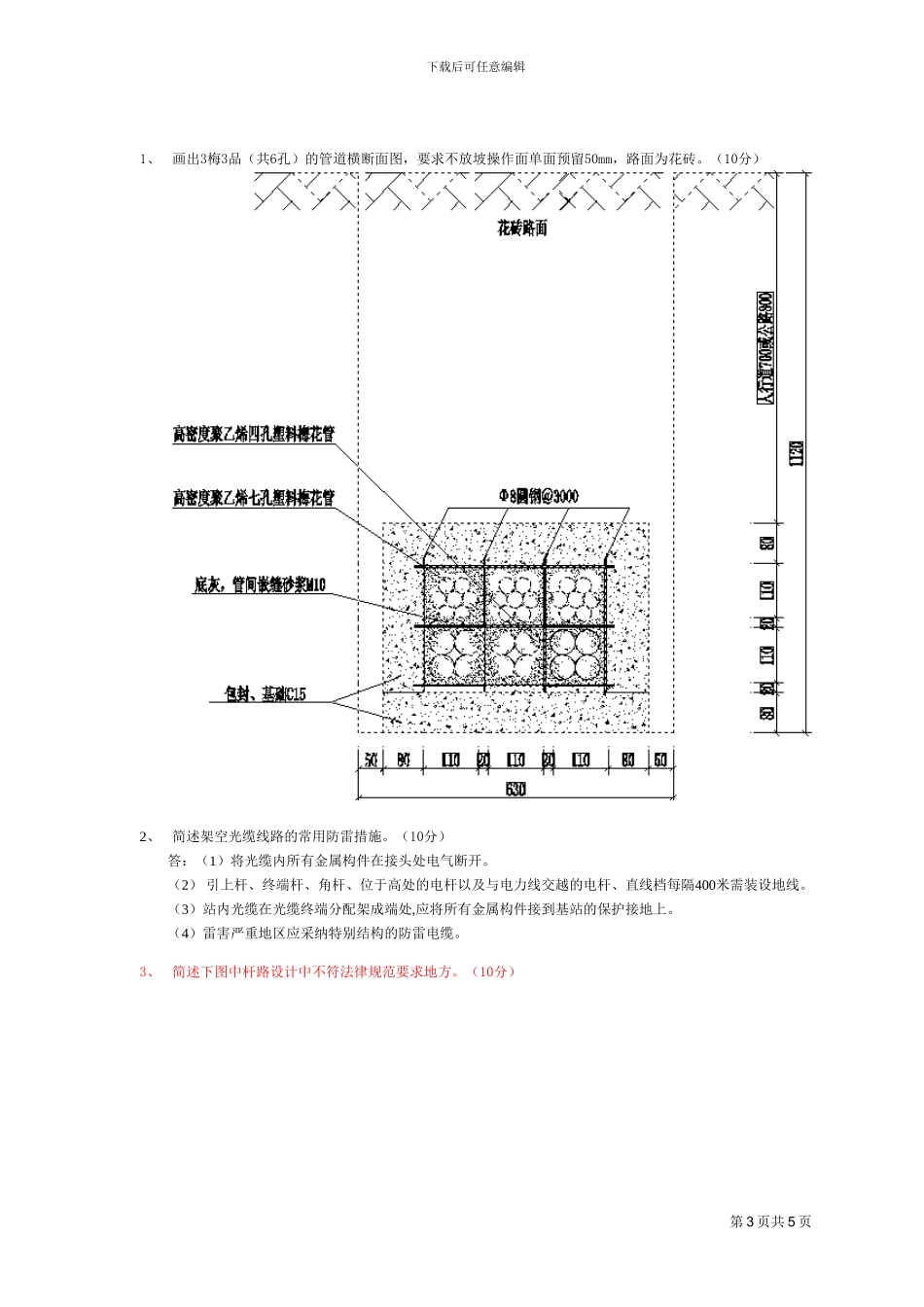
下载后可任意编辑传输能力管线勘察考试题公共考题部分(50分。设备、线路人员均需解答)一、填空题(15分,每空1分)1、目前常用的通信管道包封厚 毫米, 通信管道基础厚 毫米。 (80、80)2、塑料(通信)管道在人行道下(路面至管道)的最小埋深为 米,在车行道下(路面至管道)的最小埋深为 米。(0.7、0.8)3、架 空 光 缆 线 路 , 在 主 吊 线 上 方 需 加 辅 助 吊 线 时 , 主 吊 线 采 纳 7/2.2 钢 绞 线 , 辅 助 吊 线 采 纳 钢绞线。(7/3.0)4、架空光缆挂钩卡挂间距要求为 厘米。(50)5、光纤通信系统按模式分类,一般可分为 光纤、 光纤。( 单模光纤、 多模光纤 )6、架空光缆宜采纳附加吊线架挂方式,每条吊线一般只宜架挂( )条光缆。(1条)7、光(电)缆线路与强电线路交越时,宜(垂直)通过;在困难情况下,其交越角度应不小于_______度。( 45 )8、管道与已有建筑物最小平行净距_______米, 管道与规划建筑红线最小平行净距_______米。(2 、 1.5)9、光缆在各类管材中穿放时,光缆的外径宜不大于管孔内径的( )。光缆敷设安装后,管口应封堵严密。(90%)10、 采纳钢管时穿越公路,钢管应伸出路基两侧排水沟外( )。 光缆埋深距排水沟沟底应不小于( ) ,并符合相关部门的规定。(1 m、800mm)二、单项选择题(15分,每题1分)1、 光缆线路中使用稍径是 130 的电杆,拉线抱箍应使用什么规格的抱箍。( A )A、144 B、164 C、184 D、2042、 GYTA 型光缆通常作为( A )敷设。A、管道光缆 B、架空光缆 C、直埋光缆 D、特别光缆3、 一条 7/3.0 的拉线,使用的双槽夹板数量为付。( D )A、1 B、2 C、3 D、44、 当采纳 7/2.2 钢绞线作吊线时,应选用 钢绞线作拉线作为顶头拉线。( C )A、7/2.2 B、7/2.4 C、7/2.6 D、7/3.05、 绘制光缆线路施工图一般采纳比例尺。( C )A、1:500 B、1:1000 C、1:2000 D、1:50006、 墙壁上不宜敷设(A)。 A 铠装光缆 B、架空光缆 C、管道光缆 D、ADSS 光缆7、 光缆可同其他通信光缆或电缆同沟敷设,但不得重叠或交叉,缆间的平行净距不应小于( A )。A、100 mm B、200mm C、300mm D、400mm8、 0DF 内光缆金属加强芯固定装置应与 ODF 机柜体 ( A) A、绝缘 B、连通 C、都可以9、 直 埋 光 缆 敷 设 在 坡 度 大 于 20 o , 坡 长 大 于...

1、当您付费下载文档后,您只拥有了使用权限,并不意味着购买了版权,文档只能用于自身使用,不得用于其他商业用途(如 [转卖]进行直接盈利或[编辑后售卖]进行间接盈利)。
2、本站所有内容均由合作方或网友上传,本站不对文档的完整性、权威性及其观点立场正确性做任何保证或承诺!文档内容仅供研究参考,付费前请自行鉴别。
3、如文档内容存在违规,或者侵犯商业秘密、侵犯著作权等,请点击“违规举报”。

碎片内容

传输能力管线勘察考试题

阳光书坊+ 关注
实名认证
内容提供者

阳光书坊,传播未来

确认删除?
VIP
微信客服
  • 扫码咨询
会员Q群
  • 会员专属群点击这里加入QQ群
客服邮箱
回到顶部