电脑桌面
添加小米粒文库到电脑桌面
安装后可以在桌面快捷访问

光缆施工方案VIP免费

光缆施工方案_第1页
1/6
光缆施工方案_第2页
2/6
光缆施工方案_第3页
3/6
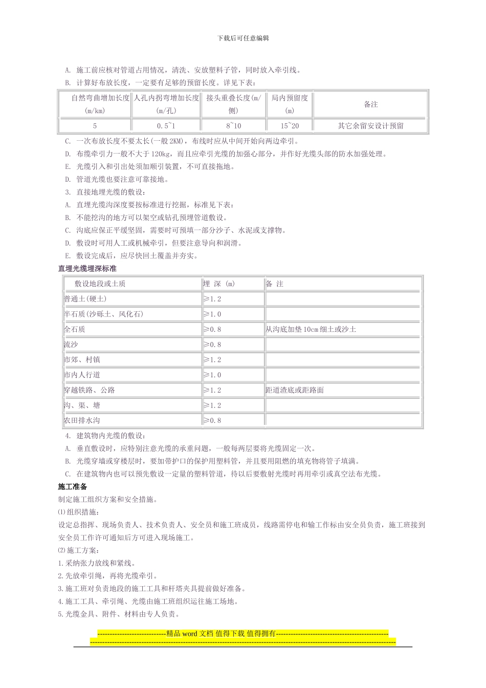
下载后可任意编辑本页为作品封面,下载后可以自由编辑删除,欢迎下载!!! 精 品光缆施工方案----------------------------精品 word 文档 值得下载 值得拥有---------------------------------------------------------------------------------------------------------------------------------------------------------------------------下载后可任意编辑【精 品word文档 、可 以自 由编辑 !】 一.工程概述施工内容包括:1. 光缆敷设由小区千兆交换机架空或管道敷设光缆至各住宅楼的楼宇百兆交换机;2. 五类线敷设楼宇百兆光交换机到级联百兆电交换机敷设五类线,单元之间电缆交接箱敷设大对数电缆,各机箱内电缆接续。3. 光缆接续光缆分路焊接点的熔接。4. 换机机箱安装,电源安装和电源线敷设以及单元接续箱的安装。二.工程步骤及技术(一)光缆的施工 光缆的户外施工:较长距离的光缆敷设最重要的是根据建筑物的建筑结构及地理环境选择一条合适的路径。这里不一定最短的路径就是最好的,还要注意土地的使用权,架设的或地埋的可能性等。根据施工设计和施工图纸合理施工。施工中要时时注意不要使光缆受到重压或被坚硬的物体扎伤。光缆转弯时,其转弯半径要大于光缆自身直径的 20 倍。 1. 户外架空光缆施工采纳吊线托挂架空方式,包括挂钩加挂、整理。 2. 户外管道光缆施工:----------------------------精品 word 文档 值得下载 值得拥有---------------------------------------------------------------------------------------------------------------------------------------------------------------------------下载后可任意编辑 A. 施工前应核对管道占用情况,清洗、安放塑料子管,同时放入牵引线。 B. 计算好布放长度,一定要有足够的预留长度。详见下表: 自然弯曲增加长度(m/km)人孔内拐弯增加长度(m/孔)接头重叠长度(m/侧)局内预留度(m)备注50.5~18~1015~20其它余留安设计预留 C. 一次布放长度不要太长(一般 2KM),布线时应从中间开始向两边牵引。 D. 布缆牵引力一般不大于 120kg,而且应牵引光缆的加强心部分,并作好光缆头部的防水加强处理。 E. 光缆引入和引出处须加顺引装置,不可直接拖地。 D. 管道光缆也要注意可靠接地。 3. 直接地埋光缆的敷设: A. 直埋光缆沟深度要按标准进行挖掘,标准见下表: B. 不能挖沟的地方可以架空或钻孔预埋管道敷设。 C. 沟...

1、当您付费下载文档后,您只拥有了使用权限,并不意味着购买了版权,文档只能用于自身使用,不得用于其他商业用途(如 [转卖]进行直接盈利或[编辑后售卖]进行间接盈利)。
2、本站所有内容均由合作方或网友上传,本站不对文档的完整性、权威性及其观点立场正确性做任何保证或承诺!文档内容仅供研究参考,付费前请自行鉴别。
3、如文档内容存在违规,或者侵犯商业秘密、侵犯著作权等,请点击“违规举报”。

碎片内容

光缆施工方案

确认删除?
VIP
微信客服
  • 扫码咨询
会员Q群
  • 会员专属群点击这里加入QQ群
客服邮箱
回到顶部