电脑桌面
添加小米粒文库到电脑桌面
安装后可以在桌面快捷访问

光华路大修工程监理总结-VIP免费

光华路大修工程监理总结-_第1页
1/11
光华路大修工程监理总结-_第2页
2/11
光华路大修工程监理总结-_第3页
3/11
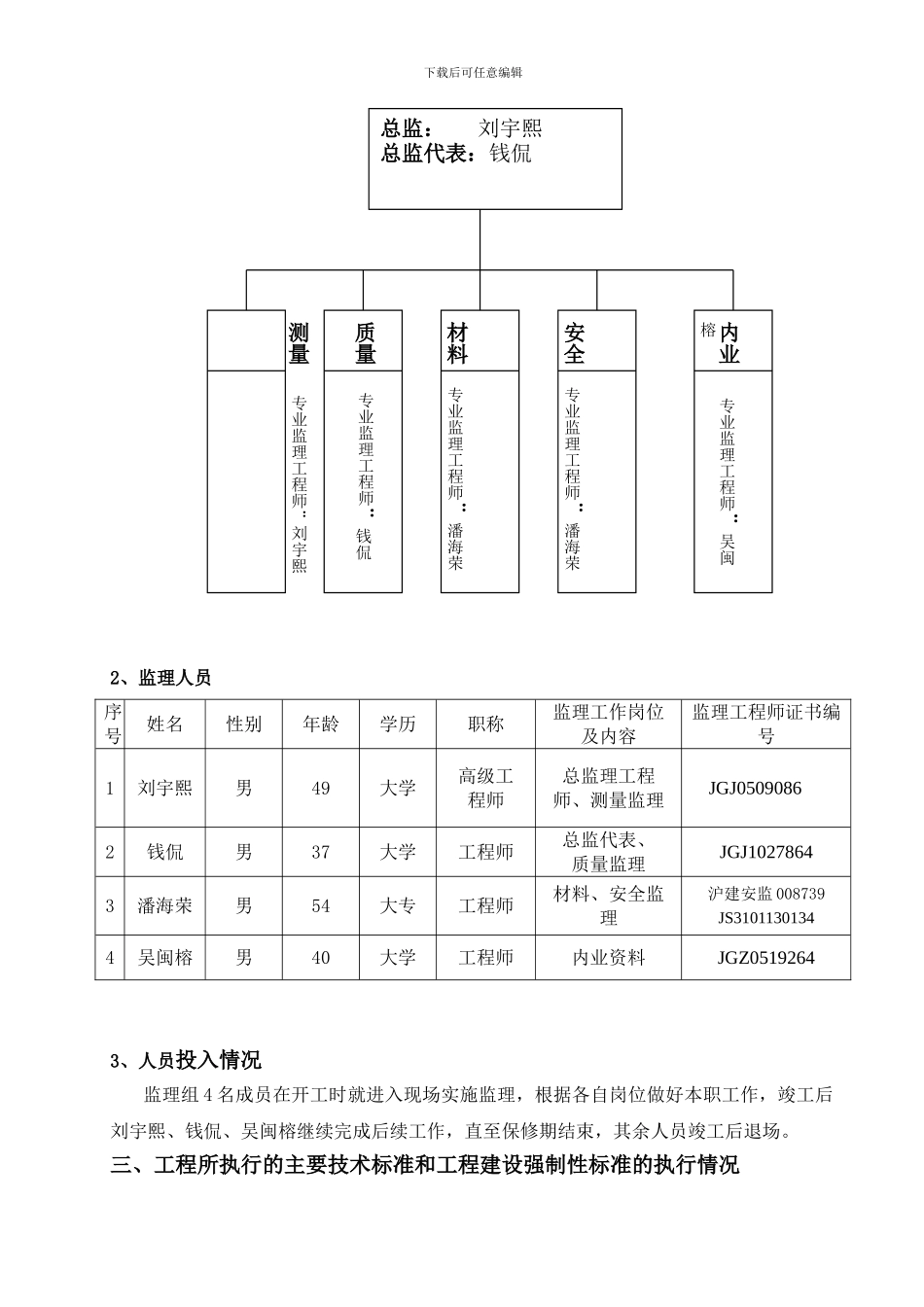
下载后可任意编辑光华路(昆阳路-曙光路)大修工程监理工作总结工程名称: 光华路(昆阳路 - 曙光路)大修工程 单位工程: 道路大修工程 监理单位: 上海市市政工程管理咨询有限公司 总监理工程师: 刘宇熙 公司技术负责人: 王鹤民 日 期: 2024 年 7 月 16 日 一、工程概况、主要工程量和工程起止时间: 1、光华路(昆阳路-曙光路)现状为三幅路断面形式,路幅宽度 19m。本次大修工程西起曙光路交叉口(含交叉口)K0-011,东至昆阳路交叉口(不含交叉口)K1+480,全长1491m。主要内容为机动车道基层修复及路面铣刨加罩,机动车道两侧破损的侧平石翻排,标线修复。2、标准横断面布置: 2.0(人行道)+2.0(非机动车道)+7.0(机动车道)+2.0(绿化带)+2.0(非机动车道)+2.0(人行道)=宽度 19m。3、路面结构设计:下载后可任意编辑1)、铣刨加罩沥青面层全路面铣刨加罩 4cm 原沥青上面层,再统一加罩 4cm 细粒式沥青混凝土 AC-13C(SBS 改性)。沥青面层有裂缝处,在加罩之前骑缝铺设玻纤格栅,宽度 2m。道路中心线处铺设玻纤格栅,宽度 2m。桥头两侧有少量衬垫,衬垫采纳 AC-20C 中粒式沥青混凝土。2) 、基础补强对机动车道路面沉陷、龟裂及破损严重的路段进行基础补强,基础补强结构采纳:6cm 中粒式沥青混凝土+聚酯玻纤布+25cmC25 砼+15cm 碎石。4、参建单位:建设单位:上海市闵行区公路管理署设计单位:上海千年工程建设咨询有限公司监理单位:上海市市政工程管理咨询有限公司施工单位:上海敦煌市政建设有限公司5、主要完成工程量:老路翻挖——1888㎡;基层补强——1888m2;聚酯玻纤布——1888㎡;翻排侧平石——1179m;玻纤格栅---4740㎡;窨井调整——35 座;6cm 中粒式沥青砼下面层(AC-20C)——1888㎡;5cm 中粒式沥青砼衬垫(AC-20C)——4990㎡;2cm 细粒式沥青砼衬垫(AC-13C SBS 改性)——1000㎡;铣刨沥青砼路面——9130㎡;摊铺 4cm 细粒式沥青砼面层(AC-13C SBS 改性)——11018 ㎡ 。6、开竣工日期:2024 年 4 月 19 日~2024 年 6 月 29 日二、监理组织形式、管理结构、人员投入情况1、监理组织机构下载后可任意编辑2、监理人员序号姓名性别年龄学历职称监理工作岗位及内容监理工程师证书编号1刘宇熙男49大学高级工程师总监理工程师、测量监理JGJ05090862钱侃男37大学工程师总监代表、质量监理JGJ10278643潘海荣男54大专工程师材料、安全监理沪建安监 008...

1、当您付费下载文档后,您只拥有了使用权限,并不意味着购买了版权,文档只能用于自身使用,不得用于其他商业用途(如 [转卖]进行直接盈利或[编辑后售卖]进行间接盈利)。
2、本站所有内容均由合作方或网友上传,本站不对文档的完整性、权威性及其观点立场正确性做任何保证或承诺!文档内容仅供研究参考,付费前请自行鉴别。
3、如文档内容存在违规,或者侵犯商业秘密、侵犯著作权等,请点击“违规举报”。

碎片内容

光华路大修工程监理总结-

确认删除?
VIP
微信客服
  • 扫码咨询
会员Q群
  • 会员专属群点击这里加入QQ群
客服邮箱
回到顶部