电脑桌面
添加小米粒文库到电脑桌面
安装后可以在桌面快捷访问

减粘试压施工方案VIP免费

减粘试压施工方案_第1页
1/6
减粘试压施工方案_第2页
2/6
减粘试压施工方案_第3页
3/6
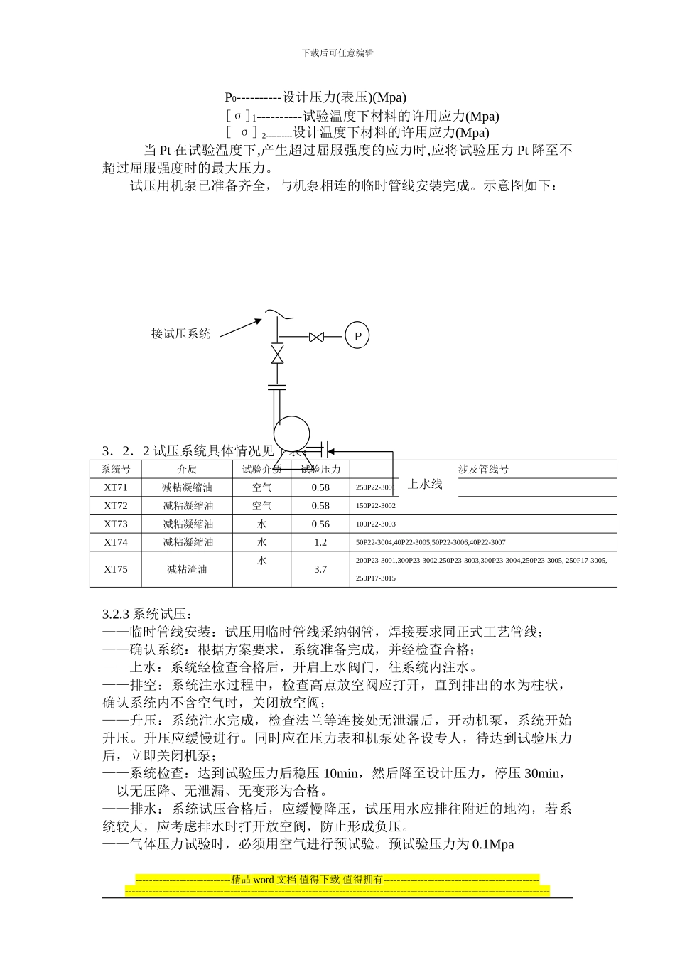
下载后可任意编辑1、编制依据1. 1《工业金属管道工程施工及验收法律规范》GB50235-97;1. 2《石油化工有毒、可燃介质管道工程施工及验收法律规范》SH3501-2024;1. 3《现场设备、工业管道焊接工程施工及验收法律规范》GB50236-98;1. 4 中国石化集团上海工程有限公司设计的设计图纸;1. 5《石油化工施工安全技术规程》SH3505-1999;1. 6 FCC 制定并实施的符合 GB/T19001—2000 idt ISO9001:2000《质量管理体系要求》标准编写的《质量手册》;1. 7 FCC 制定并实施的符合 GB/T24001—1996 idt ISO14001:1996《环境管理体系 法律规范》、OHSAS18001:1999《职业安全健康管理体系法律规范》、国家经贸委《职业安全卫生管理体系试行标准》以及中国石油化工集团公司Q/SHS0001.5—2001《施工企业安全、环境与健康管理法律规范》的《安全、环境与健康管理手册》(即 HSE 手册)。2、工程概况2.1 工程简述本工程为上海石化 1#常减压蒸馏装置易地改造工程,100 单元减粘管线部分利旧,部分为新干,管线材质分为 321、1Cr5Mo 和 20#几种。最大管径DN300。 根 据 管 线 的 设 计 参 数 及 介 质 情 况 , 试 压 时 分 系 统 分 别 进 行XT73,XT74,XT75 采纳水压进行试验。XT71,XT72 采纳气压(空气)进行试验。试验压力范围 0.56 Mpa ~~3.7 Mpa。 2.2 工程特点及施工技术关键试压过程中应注意做好安全防护工作,并且严格根据施工工艺,缓慢分级升压,分级检查确认的方法执行。对于不锈钢管线试压用水应保证水中氯离子含量不超过 25mg/L。液体压力试验碳钢管道系统液体温度不得低于 5ºC,合金钢管道系统液体温度不得低于 15ºC3、试压技术、质量控制3.1 施工工序----------------------------精品 word 文档 值得下载 值得拥有---------------------------------------------------------------------------------------------------------------------------------------------------------------------------制定试压方案试压系统划分系统检查确认管线支吊架检查确认试压前资料确认试压前申报试压临时线安装系统上水系统升压系统试压检查系统漏点确认系统泄压漏点整改泄压排水签字确认吹洗恢复交工下载后可任意编辑 说明: 重点工序 可能出现的工序 3.2 施工方法3.2.1 试压前需具备的条件:试压前,由施工技术人员根据系统划分及设计要求,周围环境等条件编制可行的试压方案...

1、当您付费下载文档后,您只拥有了使用权限,并不意味着购买了版权,文档只能用于自身使用,不得用于其他商业用途(如 [转卖]进行直接盈利或[编辑后售卖]进行间接盈利)。
2、本站所有内容均由合作方或网友上传,本站不对文档的完整性、权威性及其观点立场正确性做任何保证或承诺!文档内容仅供研究参考,付费前请自行鉴别。
3、如文档内容存在违规,或者侵犯商业秘密、侵犯著作权等,请点击“违规举报”。

碎片内容

减粘试压施工方案

您可能关注的文档

确认删除?
VIP
微信客服
  • 扫码咨询
会员Q群
  • 会员专属群点击这里加入QQ群
客服邮箱
回到顶部