电脑桌面
添加小米粒文库到电脑桌面
安装后可以在桌面快捷访问

土建外墙涂料施工技术方案VIP免费

土建外墙涂料施工技术方案_第1页
1/13
土建外墙涂料施工技术方案_第2页
2/13
土建外墙涂料施工技术方案_第3页
3/13
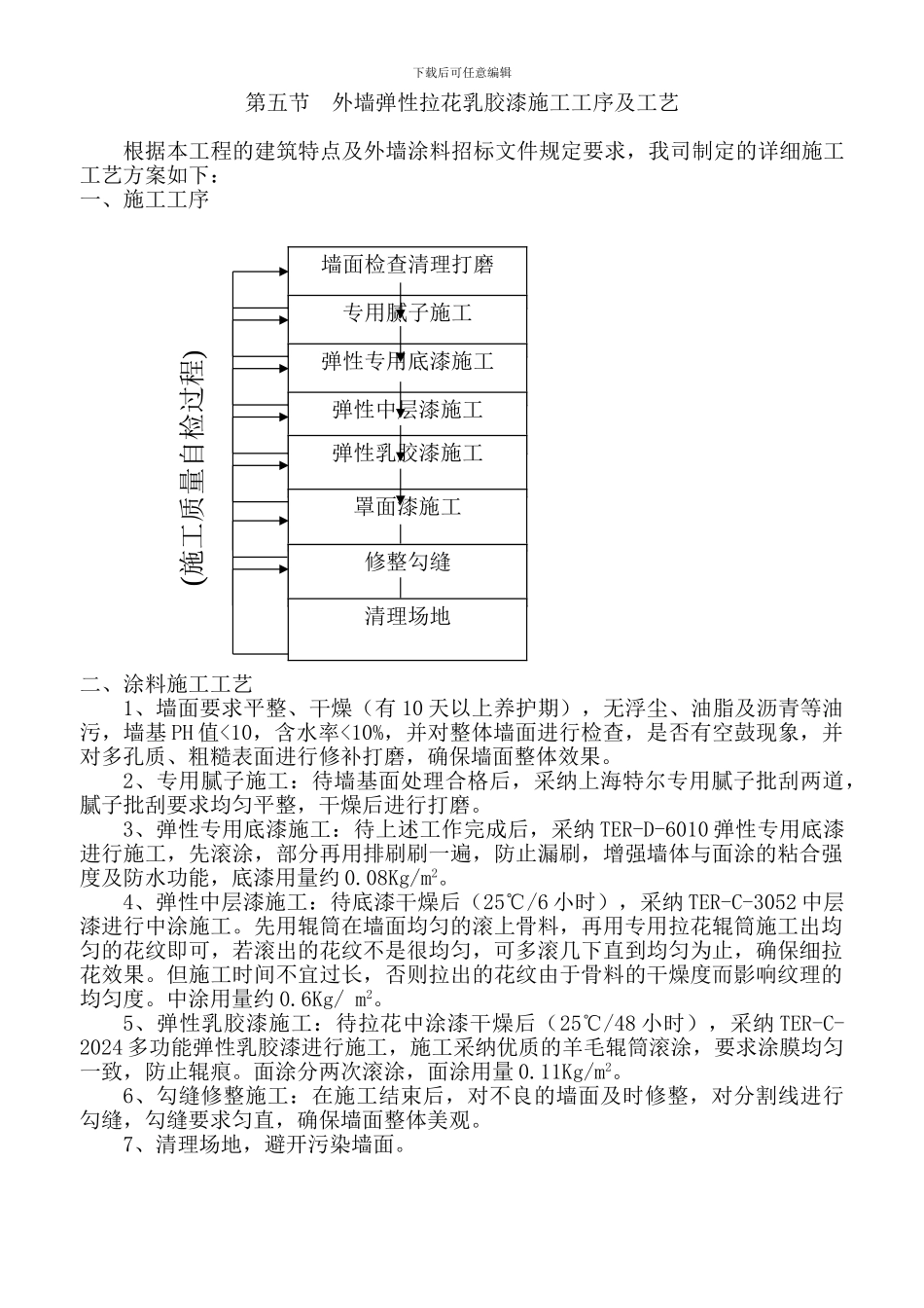
项目经理设备安全员下载后可任意编辑嘉宝锦园工程外墙涂料施工方案 第一节 工程建设概况工程名称:瑞安市嘉宝锦园工程 建设单位:浙江嘉宝房地产开发有限公司设计单位:辽宁金海建筑设计院讨论院有限公司 监理单位:北京中联环监理有限公司 施工单位:中国建筑第四工程局 第二节 工程项目概况本工程位于瑞安市安阳新区六号地块,北面是瑞安市的沿河公园,西南面是瑞安市文化艺术中心,西面是九一村返回地,东邻雅儒西河。 嘉宝锦园工程,建筑总面积 93256.00㎡,其中地下室建筑面积:15428㎡。所有地下室整体相连。±0.000 相当于黄海绝对标高+5.00m,主体结构为框架剪力墙结构。本工程地上 8 栋高层及小高层,概况为:A、B、C、D 幢为 11 跃 12 层,建筑高度 A、B 幢分别高 40.650m,C、D 幢分别高 40.30m;E、F、G 栋 17 跃 18 层,建筑总高度分别为 61.30m;H 栋 27 跃 28 层,总高度 91.850m; 嘉宝锦园工程外墙涂料总面积约为:70000㎡。第三节 施工管理与人员配置一、施工组织结构图根据本工程的实际概况,施工管理与人员配置作以下安排:1、项目总负责:负责本工程的人员、设备、材料等总体管理计划实施的监督协调工作,保证施工场地的正常运转。2、项目经理:负责工程的质量、进度、施工场地各方面的协调等现场全面日常管理工作,负责工程每道工序的验收。3、质检员:全面负责每天施工质量与材料的检查,确保质量达到要求。4、设备、安全员:负责施工场地安全监督和日常设备维护、调度及管理,确保设备正常使用运转。5、施工队长:负责组织选择具有丰富施工经验的施工人员,保质、按时完成施工任务。施工管理系统组织结构图:质检员施工班长下载后可任意编辑二、质量管理系统进场施工前所有施工人员必须是经过考核的合格人员,持工作证上岗,由项目经理组织对《涂料工程技术交底》的学习,并对学习情况进行考核,确保学习效果。施工队长保证当天的施工质量并做好自检工作。监督员负责每天各方面的质量检查。项目经理、质量总监负责每道工序的验收和不定期对工程质量情况,特别是要点技术和部位进行检查。质量管理系统结构图 三、施工配合1、严格根据施工合同的规定要求进行施工。2、积极配合,仔细听取意见,同其他单位友好合作,有问题应积极主动提出解决方案,以免对施工造成影响。3、严格服从各级的施工和质量管理,牢固树立“安全第一、质量至上”施工理念,做好劳动、后勤保障。人 员 配 置 名...

1、当您付费下载文档后,您只拥有了使用权限,并不意味着购买了版权,文档只能用于自身使用,不得用于其他商业用途(如 [转卖]进行直接盈利或[编辑后售卖]进行间接盈利)。
2、本站所有内容均由合作方或网友上传,本站不对文档的完整性、权威性及其观点立场正确性做任何保证或承诺!文档内容仅供研究参考,付费前请自行鉴别。
3、如文档内容存在违规,或者侵犯商业秘密、侵犯著作权等,请点击“违规举报”。

碎片内容

土建外墙涂料施工技术方案

您可能关注的文档

确认删除?
VIP
微信客服
  • 扫码咨询
会员Q群
  • 会员专属群点击这里加入QQ群
客服邮箱
回到顶部