电脑桌面
添加小米粒文库到电脑桌面
安装后可以在桌面快捷访问

地下模板工程施工方案VIP免费

地下模板工程施工方案_第1页
1/31
地下模板工程施工方案_第2页
2/31
地下模板工程施工方案_第3页
3/31
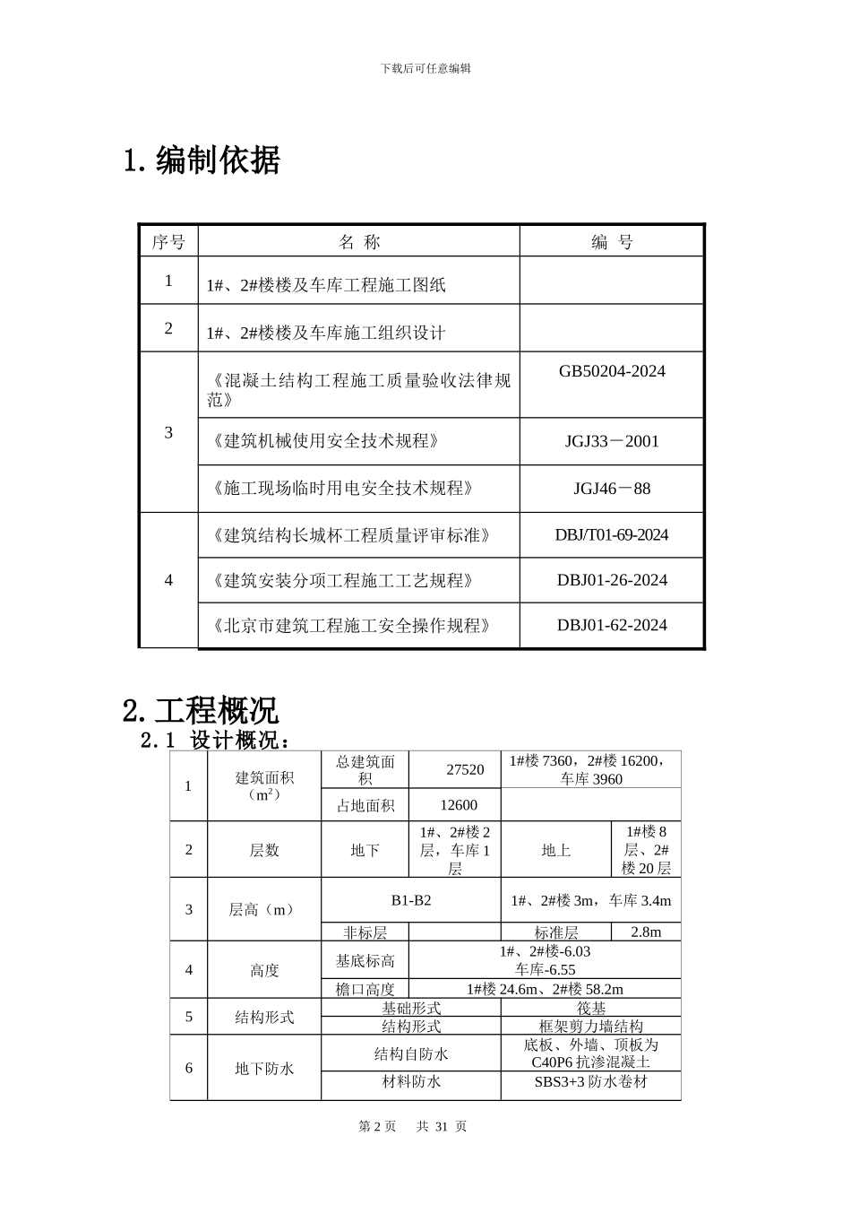
1#2#住宅楼及地下车库工程地下阶段模板施工方案编制人:审核人:审批人:2024 年 5 月 日目 录1.编制依据..................................................................................................................................22.工程概况.......................................................................................................................................2下载后可任意编辑2.1 设计概况:........................................................................................................................22.2 现场情况............................................................................................................................32.3 结构流水段划分图.............................................................................................................32.4 工程难点............................................................................................................................43 施工安排.......................................................................................................................................44. 施工准备......................................................................................................................................54.1 技术准备............................................................................................................................54.2、机具准备:......................................................................................................................54.3、材料准备.........................................................................................................................55 主要施工方法及措施....................................................................................................................65.1 流水段的划分:.................................................................................................................65.2 楼板模板及支撑......................................................................

1、当您付费下载文档后,您只拥有了使用权限,并不意味着购买了版权,文档只能用于自身使用,不得用于其他商业用途(如 [转卖]进行直接盈利或[编辑后售卖]进行间接盈利)。
2、本站所有内容均由合作方或网友上传,本站不对文档的完整性、权威性及其观点立场正确性做任何保证或承诺!文档内容仅供研究参考,付费前请自行鉴别。
3、如文档内容存在违规,或者侵犯商业秘密、侵犯著作权等,请点击“违规举报”。

碎片内容

地下模板工程施工方案

津创媒+ 关注
实名认证
内容提供者

欢迎交流文创,小店资料希望满足您的需要。

确认删除?
VIP
微信客服
  • 扫码咨询
会员Q群
  • 会员专属群点击这里加入QQ群
客服邮箱
回到顶部