电脑桌面
添加小米粒文库到电脑桌面
安装后可以在桌面快捷访问

地下砼施工方案VIP免费

地下砼施工方案_第1页
1/16
地下砼施工方案_第2页
2/16
地下砼施工方案_第3页
3/16
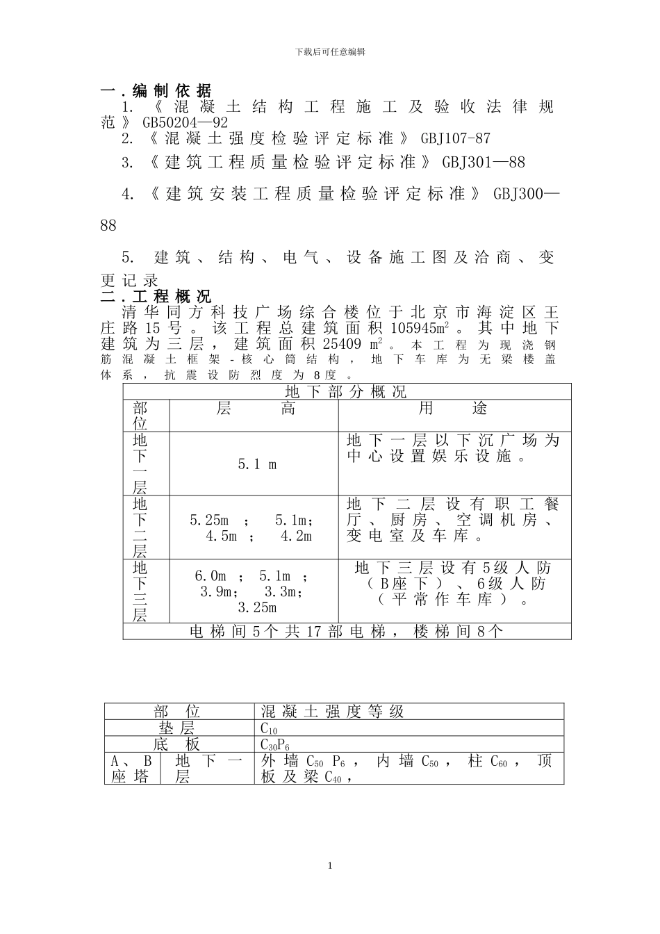
下载后可任意编辑一 . 编 制 依 据1. 《 混 凝 土 结 构 工 程 施 工 及 验 收 法 律 规范 》 GB50204—922. 《 混 凝 土 强 度 检 验 评 定 标 准 》 GBJ107-873. 《 建 筑 工 程 质 量 检 验 评 定 标 准 》 GBJ301—884. 《 建 筑 安 装 工 程 质 量 检 验 评 定 标 准 》 GBJ300—885. 建 筑 、 结 构 、 电 气 、 设 备 施 工 图 及 洽 商 、 变更 记 录二 . 工 程 概 况清 华 同 方 科 技 广 场 综 合 楼 位 于 北 京 市 海 淀 区 王庄 路 15 号 。 该 工 程 总 建 筑 面 积 105945m2 。 其 中 地 下建 筑 为 三 层 , 建 筑 面 积 25409 m2 。本工程为现浇钢筋混凝土框架- 核心筒结构,地下车库为无梁楼盖体系,抗震设防烈度为8 度。地 下 部 分 概 况 部位层 高用 途地下一层5.1 m地 下 一 层 以 下 沉 广 场 为中 心 设 置 娱 乐 设 施 。地下二层5.25m ; 5.1m; 4.5m ; 4.2m 地 下 二 层 设 有 职 工 餐厅 、 厨 房 、 空 调 机 房 、变 电 室 及 车 库 。地下三层6.0m ; 5.1m ; 3.9m; 3.3m; 3.25m地 下 三 层 设 有 5 级 人 防( B 座 下 ) 、 6 级 人 防( 平 常 作 车 库 ) 。电 梯 间 5 个 共 17 部 电 梯 , 楼 梯 间 8 个部 位混 凝 土 强 度 等 级垫 层C10底 板C30P6A 、 B座 塔 地 下 一层外 墙 C50 P6 , 内 墙 C50 , 柱 C60 , 顶板 及 梁 C40 ,1下载后可任意编辑楼地 下 二层外 墙 C50 P8 , 内 墙 C50 , 柱 C60 , 顶板 及 梁 C40 , 天 井 C30 P8 。地 下 三层外 墙 C50 P12 , 内 墙 C50 , 柱 C60 , 顶板 及 梁 C40 , 人 防 顶 板 C40 P8 , 临空 墙 C50 P8 , 天 井 C30 P12裙房地 下 一层外 墙 C30 P6 , 内 墙 、 柱 C30 , 顶 板及 梁 C30地 下 二层外 墙 C30 P8 , 内 墙 、 柱 C30 , 顶 板及 梁 C30地 下 三层外 墙 C30 P12, 内 墙 、 柱 C30 , 顶 板及 梁 C40地下车库地 下 一层外 墙 C30 P6 , 内 墙 、 柱 C30 , 顶 板及 梁 C30 P6 ( 其 中 20 根 预 应 ...

1、当您付费下载文档后,您只拥有了使用权限,并不意味着购买了版权,文档只能用于自身使用,不得用于其他商业用途(如 [转卖]进行直接盈利或[编辑后售卖]进行间接盈利)。
2、本站所有内容均由合作方或网友上传,本站不对文档的完整性、权威性及其观点立场正确性做任何保证或承诺!文档内容仅供研究参考,付费前请自行鉴别。
3、如文档内容存在违规,或者侵犯商业秘密、侵犯著作权等,请点击“违规举报”。

碎片内容

地下砼施工方案

人从众+ 关注
实名认证
内容提供者

欢迎光临小店,本店以公文和教育为主,希望符合您的需求。

确认删除?
VIP
微信客服
  • 扫码咨询
会员Q群
  • 会员专属群点击这里加入QQ群
客服邮箱
回到顶部