电脑桌面
添加小米粒文库到电脑桌面
安装后可以在桌面快捷访问

地铁三号线北延段施工十二标龙归车站主体结构施工方案VIP免费

地铁三号线北延段施工十二标龙归车站主体结构施工方案_第1页
1/58
地铁三号线北延段施工十二标龙归车站主体结构施工方案_第2页
2/58
地铁三号线北延段施工十二标龙归车站主体结构施工方案_第3页
3/58
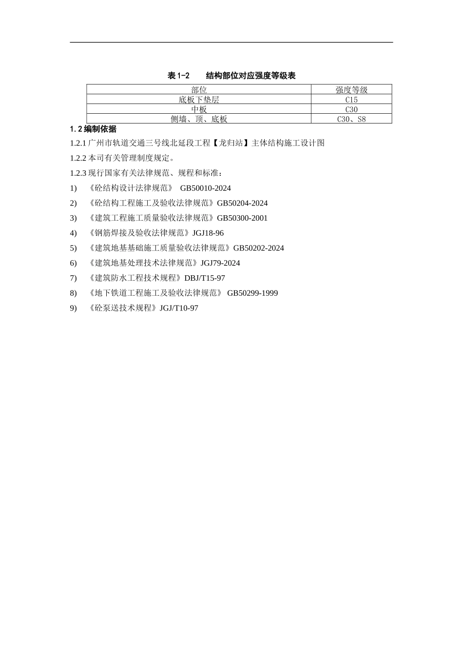
广州市轨道交通三号线北延段施工 12 标【龙归站】土建工程 主体结构施工专项方案本页为作品封面,下载后可以自由编辑删除,欢迎下载!!! 精 品文档1【精品 word 文档、可以自由编辑!】第一章 工程概况与编制依据1.1 工程概况龙归站有效站台中心里程:YDK-17-946.000,车站为地下两层岛式站台车站,有效站台长 120m,线间距为 11m。本站采纳明挖顺作钢筋混凝土箱形框架结构,整个基坑的开挖度为 17.7m,结构总宽度为 18.5m。车站南端设停车线,为单层钢筋混凝土框架结构,层高为 7.58m,停车线起点里程 YDK-17-583.600,总长 236.6m。车站为两层钢筋混凝土框架结构,负一层层高为 6.0m,负二层层高为 7.01m, 车站起点里程:YDK-17-820.200,车站终点里程:YDK-18-023.800,总长 203.6m,南北两端均为盾构吊出井。本站主体结构共设三道支撑,第一道支撑为钢筋混凝土八字脚撑,第二、三道支撑为直径 600mmQ235 钢支撑,北侧扩大端支撑采纳砼斜撑,南侧扩大端支撑采纳日字型框架砼撑。表 1-1 主体结构主要尺寸表构 件构件尺寸(mm)构 件构件尺寸(mm)停车线顶板1200车站中板650停车线底板1300车站底板1500车站顶板1200侧墙800 - 1 -表 1-2 结构部位对应强度等级表部位强度等级底板下垫层C15中板C30侧墙、顶、底板C30、S81.2 编制依据1.2.1 广州市轨道交通三号线北延段工程【龙归站】主体结构施工设计图1.2.2 本司有关管理制度规定。1.2.3 现行国家有关法律规范、规程和标准:1)《砼结构设计法律规范》 GB50010-20242)《砼结构工程施工及验收法律规范》GB50204-20243)《建筑工程施工质量验收法律规范》GB50300-20014)《钢筋焊接及验收法律规范》JGJ18-965)《建筑地基基础施工质量验收法律规范》GB50202-20246)《建筑地基处理技术法律规范》JGJ79-20247)《建筑防水工程技术规程》DBJ/T15-978)《地下铁道工程施工及验收法律规范》 GB50299-19999)《砼泵送技术规程》JGJ/T10-97下载后可任意编辑第二章 施工准备工作2.1 施工单的准备工作2.1.1 施工场地保证施工便道畅通,并能满足材料运输的要求。2.1.2 现场排水系统能满足雨季排水要求。2.1.3 依据合同工期和开工报告日期编制《龙归站施工进度计划横道图》,根据设计图纸及施工总计划安排做好材料及设备进场计划。2.1.4 组织人员对施工图纸进行会审,并汇总图纸存在的问题,做好图纸会审工作。2.1.5 按施工计划要求,提前编制《龙门吊安装与拆卸施工方案》、...

1、当您付费下载文档后,您只拥有了使用权限,并不意味着购买了版权,文档只能用于自身使用,不得用于其他商业用途(如 [转卖]进行直接盈利或[编辑后售卖]进行间接盈利)。
2、本站所有内容均由合作方或网友上传,本站不对文档的完整性、权威性及其观点立场正确性做任何保证或承诺!文档内容仅供研究参考,付费前请自行鉴别。
3、如文档内容存在违规,或者侵犯商业秘密、侵犯著作权等,请点击“违规举报”。

碎片内容

地铁三号线北延段施工十二标龙归车站主体结构施工方案

您可能关注的文档

确认删除?
VIP
微信客服
  • 扫码咨询
会员Q群
  • 会员专属群点击这里加入QQ群
客服邮箱
回到顶部