电脑桌面
添加小米粒文库到电脑桌面
安装后可以在桌面快捷访问

路基平整度检测记录表VIP免费

路基平整度检测记录表_第1页
1/32
路基平整度检测记录表_第2页
2/32
路基平整度检测记录表_第3页
3/32
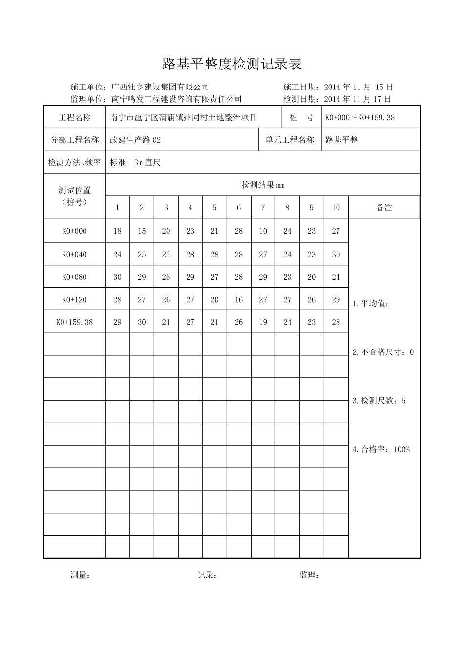
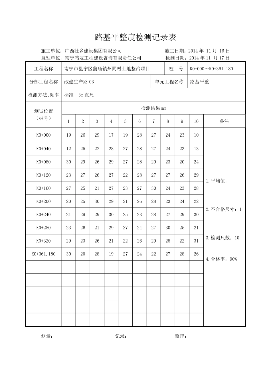
路基平整度检测记录表 施工单位:广西壮乡建设集团有限公司 施工日期:2014 年11 月 15 日监理单位:南宁鸣发工程建设咨询有限责任公司 检测日期:2014 年11 月17 日 工程名称 南宁市邕宁区蒲庙镇州同村土地整治项目 桩 号 K0+000~K0+159.38 分部工程名称 改建生产路02 单元工程名称 路基平整 检测方法、频率 标准 3m 直尺 测试位置 (桩号) 检测结果 mm 1 2 3 4 5 6 7 8 9 10 备注 K0+000 18 15 20 23 21 28 10 24 23 27 1.平均值: 2.不合格尺寸:0 3.检测尺数:5 4.合格率:100% K0+040 24 25 22 28 28 28 27 24 23 30 K0+080 30 29 26 29 27 28 29 23 20 24 K0+120 28 27 26 27 20 16 27 27 26 29 K0+159.38 29 30 21 27 21 26 19 24 23 28 测量: 记录: 监理: 路基平整度检测记录表 施工单位:广西壮乡建设集团有限公司 施工日期:2014 年 11 月 16 日监理单位:南宁鸣发工程建设咨询有限责任公司 检测日期:2014 年11 月17 日 工程名称 南宁市邕宁区蒲庙镇州同村土地整治项目 桩 号 K0+000~K0+361.180 分部工程名称 改建生产路03 单元工程名称 路基平整 检测方法、频率 标准 3m 直尺 测试位置 (桩号) 检测结果 mm 1 2 3 4 5 6 7 8 9 10 备注 K0+000 19 26 29 17 19 28 27 24 23 10 1.平均值: 2.不合格尺寸:1 3.检测尺数:10 4.合格率:90% K0+040 12 25 22 28 27 28 27 24 23 13 K0+080 30 29 26 29 27 28 29 23 20 24 K0+120 23 27 26 27 22 28 27 27 26 29 K0+160 27 25 21 27 23 27 30 24 23 28 K0+200 20 25 30 29 21 26 28 23 24 22 K0+240 21 29 29 30 25 23 28 27 29 30 K0+280 23 26 21 29 27 24 27 30 25 21 K0+320 29 23 26 21 22 26 29 25 22 31 K0+361.180 30 20 28 19 27 24 22 27 28 26 测量: 记录: 监理: 路基平整度检测记录表 施工单位:广西壮乡建设集团有限公司 施工日期:2014 年11 月18 日监理单位:南宁鸣发工程建设咨询有限责任公司 检测日期:2014 年11 月20 日 工程名称 南宁市邕宁区蒲庙镇州同村土地整治项目 桩 号 K0+000~K0+106.990 分部工程名称 改建生产路04 单元工程名称 路基平整 检测方法、频率...

1、当您付费下载文档后,您只拥有了使用权限,并不意味着购买了版权,文档只能用于自身使用,不得用于其他商业用途(如 [转卖]进行直接盈利或[编辑后售卖]进行间接盈利)。
2、本站所有内容均由合作方或网友上传,本站不对文档的完整性、权威性及其观点立场正确性做任何保证或承诺!文档内容仅供研究参考,付费前请自行鉴别。
3、如文档内容存在违规,或者侵犯商业秘密、侵犯著作权等,请点击“违规举报”。

碎片内容

路基平整度检测记录表

小辰6+ 关注
实名认证
内容提供者

出售各种资料和文档

确认删除?
VIP
微信客服
  • 扫码咨询
会员Q群
  • 会员专属群点击这里加入QQ群
客服邮箱
回到顶部