电脑桌面
添加小米粒文库到电脑桌面
安装后可以在桌面快捷访问

路基清表技术交底VIP免费

路基清表技术交底_第1页
1/6
路基清表技术交底_第2页
2/6
路基清表技术交底_第3页
3/6
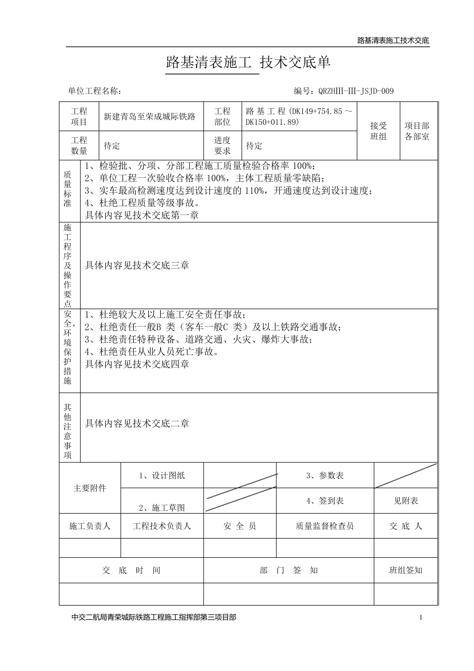
青荣城际铁路工程Ⅲ标段 路基清表施工技术交底 根据《高速铁路路基工程施工技术指南》、 《高速铁路路基工程施工质量验收标准》重新进行修订 编制: 年 月 日 审批: 年 月 日 中交二航局青荣城际铁路工程施工指挥部第三项目部 二〇一一年五月(修订) 路 基 清 表 施 工 技 术 交 底 中 交 二 航 局 青 荣 城 际 铁 路 工 程 施 工 指 挥 部 第 三项目部 1 路基清表施工 技术交底单 单位工程名称: 编号:QRZHⅢ-Ⅲ-JSJD-009 工程 项目 新建青岛至荣成城际铁路 工程 部位 路基工程(DK149+754.85 ~DK150+011.89) 接受 班组 项目部 各部室 工程 数量 待定 进度 要求 待定 质量标准 1、检验批、分项、分部工程施工质量检验合格率 100%; 2、单位工程一次验收合格率 100%,主体工程质量零缺陷; 3、实车最高检测速度达到设计速度的 110%,开通速度达到设计速度; 4、杜绝工程质量等级事故。 具体内容见技术交底第一章 施工程序及操作要点 具体内容见技术交底三章 安全、环境保护措施 1、杜绝较大及以上施工安全责任事故; 2、杜绝责任一般B 类(客车一般C 类)及以上铁路交通事故; 3、杜绝责任特种设备、道路交通、火灾、爆炸大事故; 4、杜绝责任从业人员死亡事故。 具体内容见技术交底四章 其他注意事项 具体内容见技术交底二章 主要附件 1、设计图纸 3、参数表 2、施工草图 4、签到表 见附表 施工负责人 工程技术负责人 安 全 员 质量监督检查员 交 底 人 交 底 时 间 部 门 签 知 班组签知 路 基 清 表 施 工 技 术 交 底 中 交 二 航 局 青 荣 城 际 铁 路 工 程 施 工 指 挥 部 第 三项目部 2 质量要求 施工机械人员配备 路基清表施工技术交底 一、质量标准 1、原地面处理后的外观应符合下列要求: 1、基地无草皮、树根等杂物,且无积水; 2、原地面基地密实、平整,坑穴处理彻底,无质量隐患; 3、纵、横向应满足排水要求。 2、施工人员技术要求 1、施工人员应熟知相关施工规范原地面处理前,对地基的地质资料进行核查,核查的地质条件与设计不符时,及时向上级反馈。 2、施工人员应认真审核图纸,充分理解并认真执行施工图纸要求。 3、施工人员应严格执行《高速铁路路基工程施工质量验收标准》、《高速铁路路基工程施工技术指南》要求。 二、施工机械人员配备 1、根据本段路...

1、当您付费下载文档后,您只拥有了使用权限,并不意味着购买了版权,文档只能用于自身使用,不得用于其他商业用途(如 [转卖]进行直接盈利或[编辑后售卖]进行间接盈利)。
2、本站所有内容均由合作方或网友上传,本站不对文档的完整性、权威性及其观点立场正确性做任何保证或承诺!文档内容仅供研究参考,付费前请自行鉴别。
3、如文档内容存在违规,或者侵犯商业秘密、侵犯著作权等,请点击“违规举报”。

碎片内容

路基清表技术交底

确认删除?
VIP
微信客服
  • 扫码咨询
会员Q群
  • 会员专属群点击这里加入QQ群
客服邮箱
回到顶部