电脑桌面
添加小米粒文库到电脑桌面
安装后可以在桌面快捷访问

路灯灯杆安装检验批VIP免费

路灯灯杆安装检验批_第1页
1/9
路灯灯杆安装检验批_第2页
2/9
路灯灯杆安装检验批_第3页
3/9
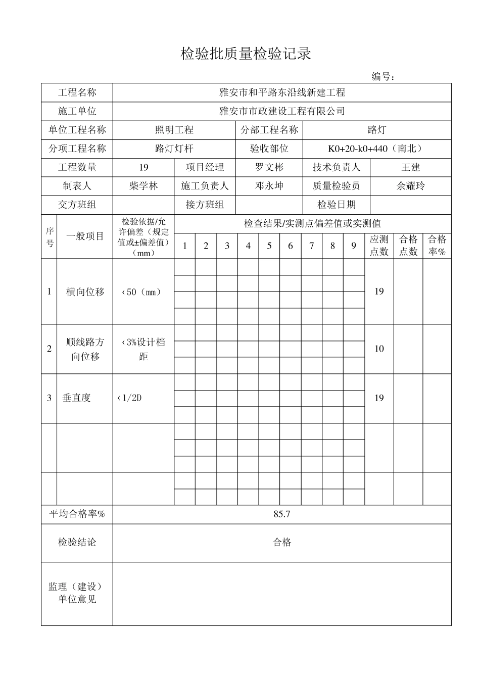
检验批质量检验记录 编号: 工程名称 雅安市和平路东沿线新建工程 施工单位 雅安市市政建设工程有限公司 单位工程名称 照明工程 分部工程名称 路灯 分项工程名称 路灯灯杆 验收部位 K0+20-k0+440(南北) 工程数量 19 项目经理 罗文彬 技术负责人 王建 制表人 柴学林 施工负责人 邓永坤 质量检验员 余耀玲 交方班组 接方班组 检验日期 序号 一般项目 检验依据/允许偏差(规定值或±偏差值) (mm) 检查结果/实测点偏差值或实测值 1 2 3 4 5 6 7 8 9 应测点数 合格 点数 合格 率% 1 横向位移 ‹50(mm) 19 2 顺 线路方向位移 ‹3%设计 档距 10 3 垂 直 度 ‹1/2D 19 平均 合格率% 85.7 检验结论 合格 监 理(建设) 单位意 见 隐蔽工程检查验收记录 2009 年 月 日 质检表4 工程名称 雅安市和平路东沿线新建工程 施工单位 雅安市市政建设工程有限公司 隐检项目 路灯电缆保护管敷设 隐检范围 2S 13—2S 27(1+720—2+258) 检 查 情 况 隐 检 内 容 及 隐检内容:管道深度、横向偏移。 检查情况:沟底平整坚实、无尖硬物、腐蚀性土层。 保护管平整顺直、管口光华、管口对准、接头牢固。 验 收 意 见 处 理 情 况 复查人: 年 月 日 建设单位 监理单位 施工项目 技术负责人 质检员 表B1-7 照明工程 工程报验单 工程名称:雅安市和平路东沿线新建工程 编号:YH—ZM3—001 致 四川三三一工程项目管理服务有限公司 (监理单位) 我单位已完成了 桩号2S13—2S27(1+720—2+258)路灯电缆保护管敷设 工程,按设计文件及有关规范进行了自检,质量合格,请予审查和验收。 附件: 1 . 隐蔽工程检查验收记录 2 . 检验批质量检验记录 承包单位(章):雅安市市政建设工程有限公司 项目经理: 日期: 2 0 0 9 . 审查意见: □所报隐蔽工程的技术资料齐全/不齐全,且符合/不符合要求,经现场检测、核查合格/不合格,同意/不同意隐蔽。 □所报检验批的技术资料齐全/不齐全,且符合/不符合要求,经现场检测、核查合格/不合格,同意/不同意进行下道工序。 □所报检验批的技术资料基本齐全,且基本符合要求,因砂浆/混凝土试块强度试验报告未出具,暂同意进行下道工序施工,待砂浆/混凝土试块强度试验报告补报后,予以质量认定。 □所报分项工程的各验收批的验收资料完整/不完整,且全部/未全部达到合格要求,...

1、当您付费下载文档后,您只拥有了使用权限,并不意味着购买了版权,文档只能用于自身使用,不得用于其他商业用途(如 [转卖]进行直接盈利或[编辑后售卖]进行间接盈利)。
2、本站所有内容均由合作方或网友上传,本站不对文档的完整性、权威性及其观点立场正确性做任何保证或承诺!文档内容仅供研究参考,付费前请自行鉴别。
3、如文档内容存在违规,或者侵犯商业秘密、侵犯著作权等,请点击“违规举报”。

碎片内容

路灯灯杆安装检验批

确认删除?
VIP
微信客服
  • 扫码咨询
会员Q群
  • 会员专属群点击这里加入QQ群
客服邮箱
回到顶部