电脑桌面
添加小米粒文库到电脑桌面
安装后可以在桌面快捷访问

边坡稳定性计算VIP免费

边坡稳定性计算_第1页
1/6
边坡稳定性计算_第2页
2/6
边坡稳定性计算_第3页
3/6
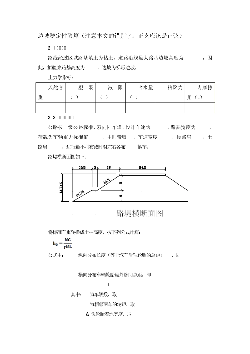
边坡稳定性验算(注意本文的错别字:正玄应该是正弦) 2.1 基本资料 路线经过区域路基填土为粘土,道路沿线最大路基边坡高度为14.084m,因此,拟验算路基高度为14m,边坡为梯形边坡。 土力学指标: 天然容重(KN/m3) 塑限(%) 液限(%) 含水量(%) 粘聚力(kPa) 内摩擦角(。) 19 14 27 19 19 27 2.2 路基稳定性验算 公路按一级公路标准,双向四车道,设计车速为80km/h,路基宽度为24.5m,荷载为车辆重力标准值 550KN,中间带取 3m,车道宽度3.75m,硬路肩 2.5m,土路肩 0.75m,进行最不利布载时对左右各布3辆车。 路堤横断面图如下: 将标准车重转换成土柱高度,按下列公式计算: 公式中:L---纵向分布长度(等于汽车后轴轮胎的总距),即 L=3+1.4+7.0+1.4+0.2=13m B---横向分布车辆轮胎最外缘间总距,即 B=Nb+(N-1)m+ 其中:N为车辆数,取 6 m为相邻两车的轮距,取1.3m Δ 为轮胎着地宽度,取0.6m 即 因此 按4.5H法确定滑动圆心辅助线,上部坡度为1:1.5,下部坡度为1:1.75,台阶宽为3m,因此,查规范得,。 绘制不同位置的滑动曲线: a 、滑动曲线过路基中线,将圆弧范围土体分成 10块,如下: (从右往左分为9,10块) 分段 正玄 角度 余玄 面积 Gi Ni Ti L 1 0.857412 1.03022 0.51463 13.925 264.575 136.1583 226.8498 45.4687 2 0.708957 0.788018 0.705252 35.9841 683.6979 482.1793 484.7122 3 0.560501 0.594991 0.828154 49.5648 941.7312 779.8981 527.8415 4 0.412046 0.424698 0.911163 53.9562 1025.168 934.0952 422.416 5 0.26359 0.266742 0.964635 49.1356 933.5764 900.5602 246.0816 6 0.115135 0.115391 0.99335 41.5919 790.2461 784.9909 90.98472 7 -0.03332 -0.03333 0.999445 36.1144 686.1736 685.7926 -22.8639 8 -0.18178 -0.18279 0.98334 28.2179 536.1401 527.208 -97.4576 9 -0.33023 -0.33655 0.9439 14.7831 280.8789 265.1216 -92.7552 10 -0.43693 -0.45219 0.899493 1.6194 30.7686 27.67615 -13.4439 K= 2.08 b、滑动曲线过路基左边缘 1/4处,将圆弧范围土体分成 8块,如下: (从右往左分为7,8块) 分段 正玄 角度 余玄 面积 Gi Ni Ti L 1 0.801321 0.9295 0.598235 10.9259 207.5921 124.1888 166.3479 37.05662 0.663357 0.725296...

1、当您付费下载文档后,您只拥有了使用权限,并不意味着购买了版权,文档只能用于自身使用,不得用于其他商业用途(如 [转卖]进行直接盈利或[编辑后售卖]进行间接盈利)。
2、本站所有内容均由合作方或网友上传,本站不对文档的完整性、权威性及其观点立场正确性做任何保证或承诺!文档内容仅供研究参考,付费前请自行鉴别。
3、如文档内容存在违规,或者侵犯商业秘密、侵犯著作权等,请点击“违规举报”。

碎片内容

边坡稳定性计算

小辰7+ 关注
实名认证
内容提供者

出售各种资料和文档

确认删除?
VIP
微信客服
  • 扫码咨询
会员Q群
  • 会员专属群点击这里加入QQ群
客服邮箱
回到顶部