电脑桌面
添加小米粒文库到电脑桌面
安装后可以在桌面快捷访问

最新抹灰技术交底记录VIP免费

最新抹灰技术交底记录_第1页
1/7
最新抹灰技术交底记录_第2页
2/7
最新抹灰技术交底记录_第3页
3/7
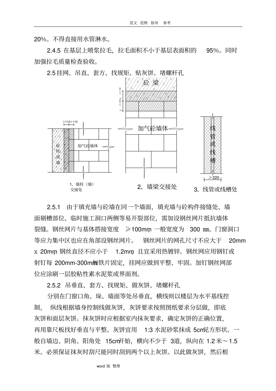
范文 范例指导参考word 版 整理抹 灰 技 术 交 底 记 录一、工程做法:1、室内抹灰做法:(1)地下 1~3 层(除配电室和弱点机房):a、刷专用界面剂一遍;b、9 厚 1:3 水泥砂浆; c、6 厚 1:2 水泥砂浆抹平(2)地下 1~3 层(配电室和弱点机房):a、配套基层处理; b、20厚掺外加剂、掺合料的防水砂浆,分层铺抹压实;c、5 厚 1:2 水泥砂浆抹面压光(3)地上 1~顶层(客厅、餐厅、卧室、阳台、楼梯间、电梯间、机房): a、刷专用界面剂一遍; b、9 厚水泥混合砂浆; c、6 厚水泥混合砂浆抹平地上 1~屋顶(厨房、卫生间、门厅、电梯前室):a、刷专用界面剂一遍; b、9 厚 1:3 水泥砂浆抹平搓毛(4)地上 1~顶层(电梯前室、楼梯间):a、清理墙面,满涂专用界面剂; b、25 厚玻化微珠,分层施工;c、3~5 厚抗裂砂浆,中间压入一层钢丝网; d、刮柔性耐水腻子; e、涂饰面另选2、顶棚抹灰:(1)地上 1~顶层: a、现浇钢筋混凝土板底面清理干净;b、1:1 水泥砂浆掺 108胶刮平3、踢脚抹灰(高度150mm)(1)地下 1~顶层(戊类储藏室、设备管道层、配电室、弱电机房、楼梯间、电梯前室(地下一层~三层) 、楼梯间、电梯机房): a、刷专用界面剂一遍; b、12 厚 1:3 水泥砂浆; c、6 厚 1:2 水泥砂浆抹面压光地上 1~顶层(电梯前室): a、刷专用界面剂一遍; b、9 厚 1:3 水泥砂浆; c、6 厚 1:2 水泥砂浆; d、3~4 厚 1:1 水泥砂浆加水重20%建筑胶粘结层; e、5~7 厚面砖,水泥浆擦缝或填缝剂填缝二、技术、安全交底1、 原材料:1.1 水泥:抹灰砂浆采用的水泥强度为32.5 级,不同品种、不同标号范文 范例指导参考word 版 整理的水泥严禁混合使用,水泥应有产品合格证书和复检报告。砂:宜选用平均粒径0.35-0.5mm 的豆罗中砂,在使用前应按要求过筛,筛好后保持洁净。不得含有杂物,含泥量不大于 3 %。1.2 抹灰砂浆砂浆采取机械搅拌, 搅拌时间不少于2min,掺用外加剂的砂浆搅拌时间不得少于 3min ,掺用有机塑化剂的砂浆,应为 3 ~5min。抹灰砂浆应该随拌随用,混合砂浆必须在 3 小时内用完,当施工期间最高温度超过30 度时,必须在2 小时内使用完毕。严禁使用过夜砂浆、人工拌合抹灰砂浆。2、施工工艺:内墙抹灰采用样板引路,样板间施工时严格按照山西省建筑工程施工质量验收规程进行。2.1 工艺流程:基层处理→挂网、...

1、当您付费下载文档后,您只拥有了使用权限,并不意味着购买了版权,文档只能用于自身使用,不得用于其他商业用途(如 [转卖]进行直接盈利或[编辑后售卖]进行间接盈利)。
2、本站所有内容均由合作方或网友上传,本站不对文档的完整性、权威性及其观点立场正确性做任何保证或承诺!文档内容仅供研究参考,付费前请自行鉴别。
3、如文档内容存在违规,或者侵犯商业秘密、侵犯著作权等,请点击“违规举报”。

碎片内容

最新抹灰技术交底记录

文库响当当+ 关注
实名认证
内容提供者

该用户很懒,什么也没介绍

确认删除?
VIP
微信客服
  • 扫码咨询
会员Q群
  • 会员专属群点击这里加入QQ群
客服邮箱
回到顶部