电脑桌面
添加小米粒文库到电脑桌面
安装后可以在桌面快捷访问

最新整理应急预案演习记录版本VIP免费

最新整理应急预案演习记录版本_第1页
1/24
最新整理应急预案演习记录版本_第2页
2/24
最新整理应急预案演习记录版本_第3页
3/24
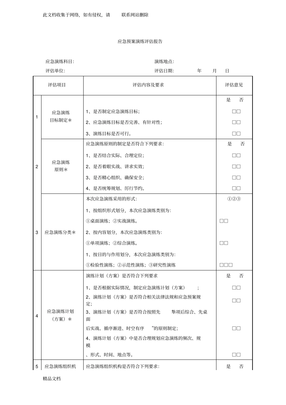
此文档收集于网络,如有侵权,请联系网站删除精品文档应急预案演习记录演习日期参加人数演习内容演习参加人员签字实际演习记录备注记录人 :应急预案演练评审记录预案名称演练地点组织人总指挥演练时间参加人员见应急预案演习记录此文档收集于网络,如有侵权,请联系网站删除精品文档演练类别□ 实际演练□桌面演练□ 全部预案□部分预案实际演练部分:物资准备人员培训演练过程见应急预案演习记录预案适宜性充分性评审适宜性: □全部能够执行□执行过程不够顺利□明显不适宜充分性: □完全满足应急要求□基本满足要求□不充分,必须修改演练效果评审人员到位情况□ 迅速准确□基本按时到位□个别人员不到位□重点部位人员不到位□ 职责明确,操作熟练□职责明确,操作不够熟练□职责不明,操作不熟练物资到位情况现场物资: □现场物资充分,全部有效□现场准备不充分□现场物资严重缺乏个人防护: □全部人员防护到位□个别人员防护不到位□大部分人员防护不到位协调组织情况整体组织: □准确、高校□协调基本顺利,能满足要求□效率低,有待改进抢险组分工: □合理、高校□基本合理,能完成任务□效率低,没有完成任务效果评价□达到预期目标□基本达到目的,部分环节有待改进□没有达到目标,须重新演练支援单位和协作性报告上级:□报告及时□联系不上消防部门:□按要求协作□行动迟缓医疗救援部门:□按要求协作□行动迟缓周边政府撤离配合:□按要求配合□不配合存在问题改进措施记录人:评审负责人:时间:此文档收集于网络,如有侵权,请联系网站删除精品文档应急预案演练评估报告应急演练科目:演练地点:评估单位:评估日期:年月日评估项目评估内容及要求评估意见1应急演练目标制定*是否1、是否制定应急演练目标;□□2、应急演练目标是否完善、有针对性;□□3、演练目标是否可行。□□2应急演练原则*应急演练原则的制定是否符合下列要求:是否1、是否结合实际、合理定位;□□2、是否着眼实战、讲求实效;□□3、是否精心组织、确保安全;□□4、是否统筹规划、厉行节约。□□3应急演练分类*本次应急演练采用的形式:①②③1、按组织形式划分,本次应急演练类别为:①桌面演练;②实战演练。□□2、按内容划分,本次应急演练类别为:①单项演练;②综合演练。□□1、按目的与作用划分,本次应急演练类别为:①检验性演练;②示范性演练;③研究性演练□□□4应急演练计划(方案)*演练计划(方案)是否符合下列要...

1、当您付费下载文档后,您只拥有了使用权限,并不意味着购买了版权,文档只能用于自身使用,不得用于其他商业用途(如 [转卖]进行直接盈利或[编辑后售卖]进行间接盈利)。
2、本站所有内容均由合作方或网友上传,本站不对文档的完整性、权威性及其观点立场正确性做任何保证或承诺!文档内容仅供研究参考,付费前请自行鉴别。
3、如文档内容存在违规,或者侵犯商业秘密、侵犯著作权等,请点击“违规举报”。

碎片内容

最新整理应急预案演习记录版本

确认删除?
VIP
微信客服
  • 扫码咨询
会员Q群
  • 会员专属群点击这里加入QQ群
客服邮箱
回到顶部