电脑桌面
添加小米粒文库到电脑桌面
安装后可以在桌面快捷访问

最新电大专科建筑构造形成性考核册答案VIP免费

最新电大专科建筑构造形成性考核册答案_第1页
1/13
最新电大专科建筑构造形成性考核册答案_第2页
2/13
最新电大专科建筑构造形成性考核册答案_第3页
3/13
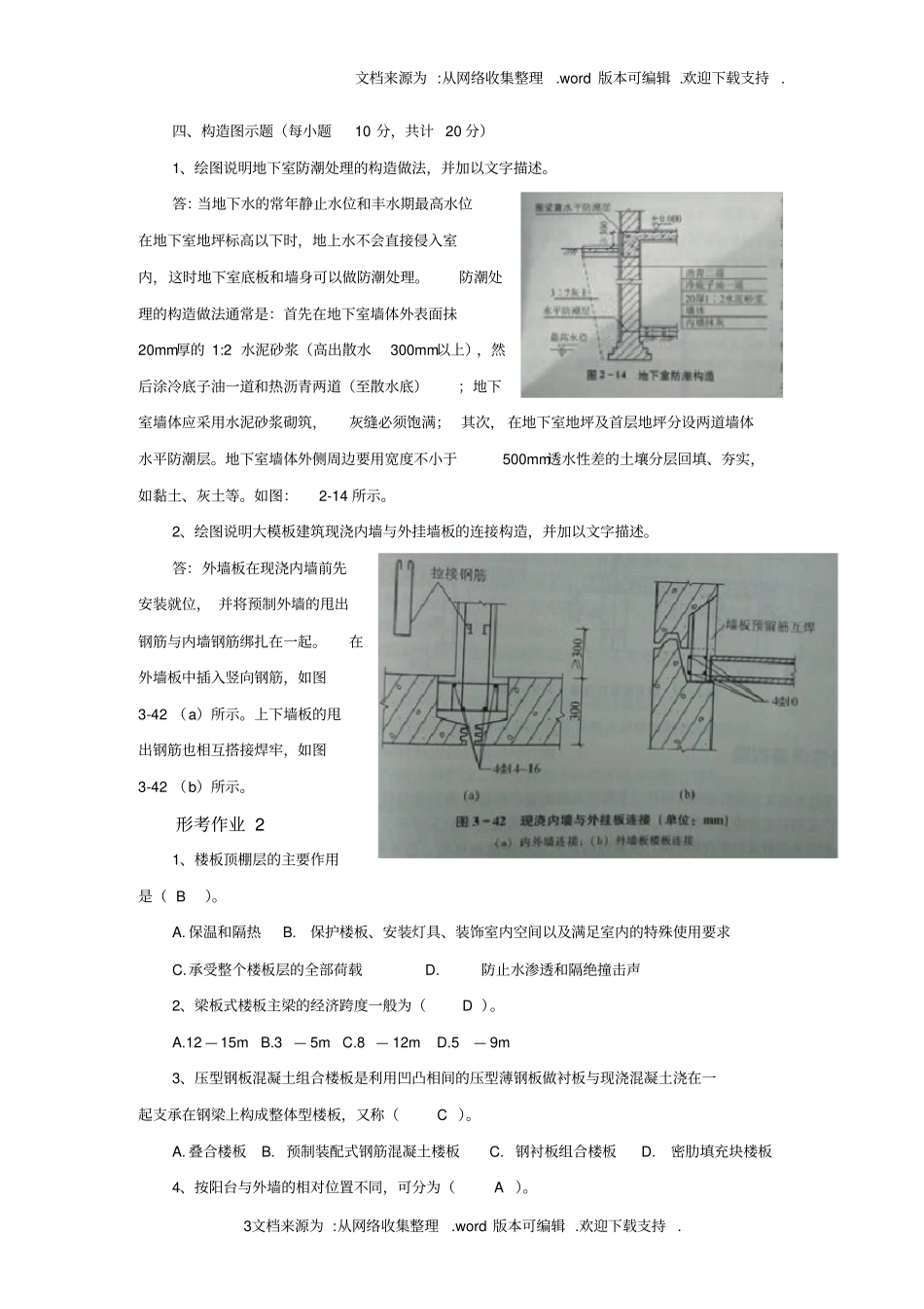
文档来源为 :从网络收集整理.word 版本可编辑 .欢迎下载支持 . 1文档来源为 :从网络收集整理.word 版本可编辑 .欢迎下载支持 . 《建筑构造》形成性考核册答案形考作业 1 一、选择题(每小题2 分,共 20 分)1、下列不属于构造物的是( A )。A. 锅炉房 B.水坝 C.烟囱 D.水塔2、直接作用在建筑的外力统称为荷载,可分为恒荷载和活荷载两大类,下列均为恒荷载的一组是( A ). A. 人体荷载、家具荷载、设备荷载 B.风荷载、雨荷载、雪荷载C.风荷载、雨荷载、地震荷载 D.人体荷载、家具荷载、地震荷载3、供人们进行农牧业的种植、养殖、贮存等用途的建筑指的是( D )。A. 工业建筑 B.民用建筑 C.居住建筑 D.农业建筑4、在标准的耐火试验条件下,建筑构件、配件或结构从受到火的作用起,到失去稳定性、完整性或失去隔火能力时所延续的时间称为( A )。A. 耐火极限 B.设计使用年限 C.耐火年限 D.耐火性能5、基本模数是模数协调中选用的基本单位,其数值为( B )。A.10mm B.100mm C.300mm D.600mm 6、在建筑工程上,建筑物与土壤直接接触的部分称为( B )。A. 地基 B.基础 C.地下室 D.地面7、埋深不超过5m的基础称为( C )。A. 深基础 B.独立基础 C.浅基础 D.桩基础8、地下室按使用功能分为( D )。A. 现浇地下室和装配式地下室 B.砖混结构地下室和钢筋混凝土结构地下室C.半地下室和全地下室 D.普通地下室和人防地下室9、沿建筑物纵轴方向布置的墙称为( B )。A. 山墙 B.纵墙 C.横墙 D.女儿墙10、外墙内侧或内墙两侧的下部与室内地坪交接处的构造指的( C )。A. 散水 B.勒脚 C.踢脚 D.压顶二、判断题(每小题2 分,共 20 分)1、建筑构造是研究建筑物的构成、各组成部分的组合原理和方法的学科,是建筑设计不可分割的一部分。 (√)文档来源为 :从网络收集整理.word 版本可编辑 .欢迎下载支持 . 2文档来源为 :从网络收集整理.word 版本可编辑 .欢迎下载支持 . 2、虽然房屋的建造地点不同,使用功能也不同,但往往对建筑构造的要求是相同的。(×)3、钢筋混凝土结构建筑指的是以型钢等钢材作为房屋承重骨架的建筑。(×)4、一类高层建筑的耐火等级不应低于二级、二类高层建筑的耐火等级不低于一级。(×)5、结构构件与竖向定位轴线的联系,应有利于墙板、柱、梯段等竖向构件的统一,满足使用要求,便于施工。(√ )6、凡天然土层本身具有足够的强...

1、当您付费下载文档后,您只拥有了使用权限,并不意味着购买了版权,文档只能用于自身使用,不得用于其他商业用途(如 [转卖]进行直接盈利或[编辑后售卖]进行间接盈利)。
2、本站所有内容均由合作方或网友上传,本站不对文档的完整性、权威性及其观点立场正确性做任何保证或承诺!文档内容仅供研究参考,付费前请自行鉴别。
3、如文档内容存在违规,或者侵犯商业秘密、侵犯著作权等,请点击“违规举报”。

碎片内容

最新电大专科建筑构造形成性考核册答案

确认删除?
VIP
微信客服
  • 扫码咨询
会员Q群
  • 会员专属群点击这里加入QQ群
客服邮箱
回到顶部