电脑桌面
添加小米粒文库到电脑桌面
安装后可以在桌面快捷访问

基坑土方施工方案VIP免费

基坑土方施工方案_第1页
1/11
基坑土方施工方案_第2页
2/11
基坑土方施工方案_第3页
3/11
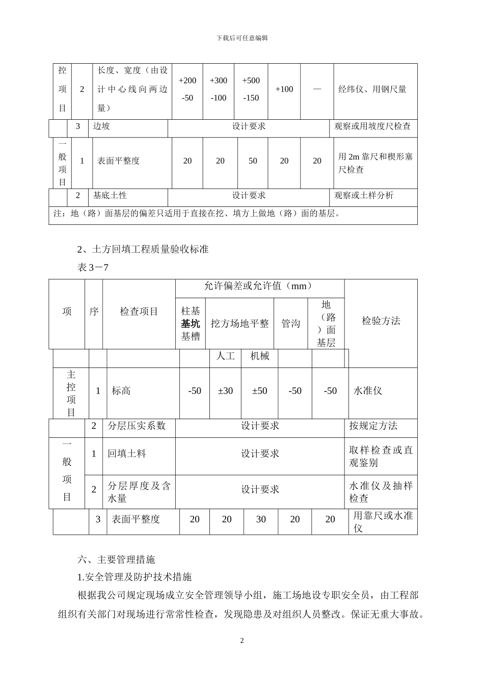
一、编制依据1、施工图纸2、xx 岩土工程勘察讨论院出具的岩土工程勘察报告。3、主要法律规范规程《地基与基础工程施工质量验收法律规范》(GB50202-2024)《建筑工程施工质量验收统一标准》(GB50300-2001)《建筑机械使用安全技术规程》(JGJ33-2001)二、工程概况本工程为地下一层、地上六层框架结构,6#楼、8#楼总建筑高度为 22.7m,地下室建筑面积为 2095m2,地上建筑面积为 7588.8m2,总建筑面积为 9683.8m2。根据施工现场及施工安排,基坑四周均采纳 1:0.58 放坡开挖,并用砂袋支护坡脚外侧用五彩油布覆盖,具体详见附图。土方开挖采纳机械大开挖,人工配合清除基底预留土层。根据地质报告可知,地下水稳定水位为 2.9m,本工程拟采纳集水井明排水,降水井布置详见附图。三、施工部署土方开挖必须遵循“开槽支撑,先撑后挖,分层开挖,严禁超挖”的原则。现场采纳 3 台反铲挖掘机,12 辆东风车,待挖至地下水位线,立即开始排水,根据降、排水观测情况,满足开挖条件后继续开挖。具体步骤如下: 定位放线、验线→ →放基底边线→坑底找平修整四、操作工艺1、土方开挖工程(1)先放好坡顶线、坡底线、经复测及验收合格后开始开挖。(2)机械挖土分三大步进行,第一步挖至 2.9m 并开始排水,第二步挖至第一层标高 4.3m,第三步挖加深部位 4.8m、5.8m。由机械开挖在接近槽底时,用水准仪控制标高,预留 20~30cm 土层人工开挖,以防止超挖。→ 机械挖土 →降水、排水→边坡砂袋支护下载后可任意编辑(3)加深部位,土方按 1:1 放坡开挖,以保证土方稳定。(4)开挖到距槽底 50cm 以内后,测量人员测出距槽底 50cm 的水平标志线,然后在槽邦上或基坑底部钉上小木桩,清理底部土层时用它们来控制标高。根据轴线及基础轮廓检验基槽尺寸,修整边坡和基底。(5)根据地质报告宜选择圆砾作为基础持力层,局部工程性能较差部位持力层具体视实际开挖情况确定。(6)施工注意事项① 开挖过程中,严格控制开挖尺寸,基坑底部的开挖宽度要考虑工作面的增加宽度。② 施工时尽量避开基底超挖,个别超挖的地方经设计单位给出方案用级配砂石回填。③ 尽量减少对基土的扰动,若基础不能及时施工时,可预留 200~300mm 土层不挖,待作基础时再挖。④ 本工程基坑深度较大时,应分层开挖,以防开挖面的坡度过陡,引起土体位移。⑤ 基坑开挖验槽后,应立即进行垫层和基础施工,防止暴晒和雨水浸刷,破坏基坑的原状结构。⑥ 开...

1、当您付费下载文档后,您只拥有了使用权限,并不意味着购买了版权,文档只能用于自身使用,不得用于其他商业用途(如 [转卖]进行直接盈利或[编辑后售卖]进行间接盈利)。
2、本站所有内容均由合作方或网友上传,本站不对文档的完整性、权威性及其观点立场正确性做任何保证或承诺!文档内容仅供研究参考,付费前请自行鉴别。
3、如文档内容存在违规,或者侵犯商业秘密、侵犯著作权等,请点击“违规举报”。

碎片内容

基坑土方施工方案

元素商铺+ 关注
实名认证
内容提供者

欢迎挑选合适的文档

确认删除?
VIP
微信客服
  • 扫码咨询
会员Q群
  • 会员专属群点击这里加入QQ群
客服邮箱
回到顶部