电脑桌面
添加小米粒文库到电脑桌面
安装后可以在桌面快捷访问

外墙外保温施工方案()VIP免费

外墙外保温施工方案()_第1页
1/25
外墙外保温施工方案()_第2页
2/25
外墙外保温施工方案()_第3页
3/25
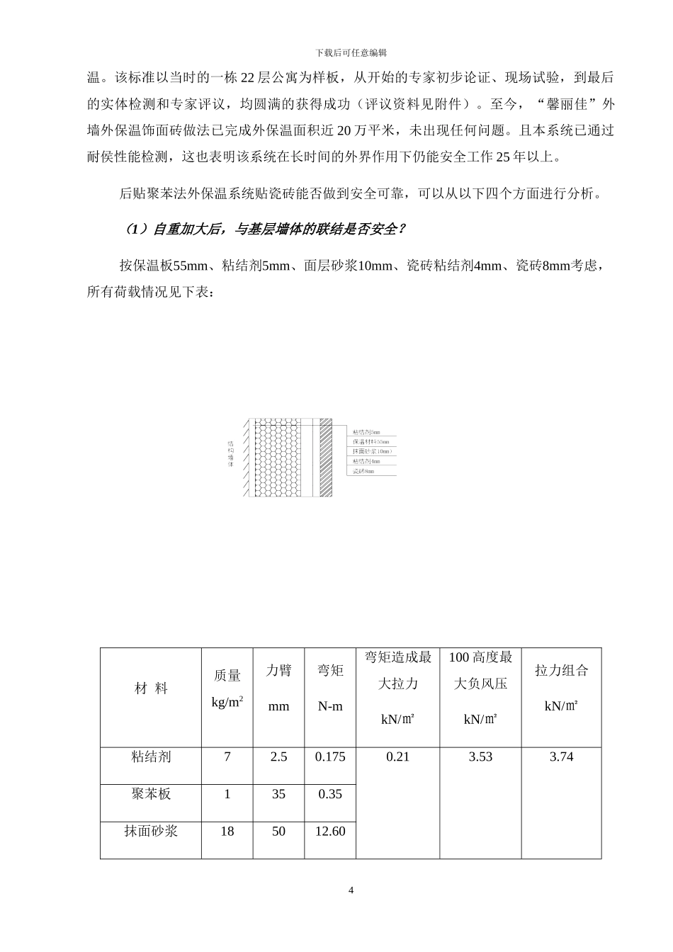
下载后可任意编辑1.编制依据 1. 1 花园 楼施工图纸。 1.2 花园 楼工程施工组织设计。 1. 3 国家有关的法律规范、标准、规程。 《混凝土结构工程施工质量验收法律规范》(GB50204-2024) 《外墙外保温工程技术规程》(JGJ 144-2024) 《建筑安装分项工程施工工艺规程》 (DBJ01-26-96)《工程建设标准设计图集》DBJT19-20-2024二、工程概况XX 工程 楼位于 区,总建筑面积为 ㎡,地上 层,地下 层,建筑高度 m,体型系数为 0.18。结构墙体为现浇混凝土 200mm,局部窗洞口下部为加气混凝土砌块填充,外饰面粘贴面砖。本项目拟采纳 65%建筑节能标准进行保温要求。根据《河南省居住建筑节能设计标准(寒冷地区)》(DBJ41/062-2024)的要求,河南地区体型系数≤0.3 时,外墙平均传热系数限值 W 不能超过 0.75W/(㎡·K)。查标准附表 E 中 4.1 项,当结构墙体为钢筋混凝土时,选用聚苯板 50mm 厚时 W 为 0.79(不满足标准),选用聚苯板 55mm 厚时 W 为0.70,满足节能要求,所以本工程保温材料选用 50mm 厚聚苯板即可。局部墙体需采纳40mm 厚聚苯板和挤塑板保温,具体部位见节点做法。三、系统安全论证目前所有法律规范中,后贴苯板保温做法对瓷砖饰面实行了回避态度,无明确做法标准。但部分城市高层建筑立面污染严重,对自洁要求较高,不少开发商喜爱陶瓷墙砖的质感、线条、自洁和耐久等优点,要求提供带瓷砖饰面的外保温系统。因此,虽然标准、规程对此实行回避的态度,但保温工程贴瓷砖的项目估量已超过 100 万 m2,而且多数是高层。根据北京原住总有限责任公司于 2024 年编制了后贴苯板的外保温面砖饰面系统企业标准,郑州****公司在河南建筑科学讨论院经过体系检测,成功通过了耐老化实验,“馨丽佳”外墙外保温技术经过 25 年老化实践证明,会为你的“馨丽佳”外墙外保3下载后可任意编辑温。该标准以当时的一栋 22 层公寓为样板,从开始的专家初步论证、现场试验,到最后的实体检测和专家评议,均圆满的获得成功(评议资料见附件)。至今,“馨丽佳”外墙外保温饰面砖做法已完成外保温面积近 20 万平米,未出现任何问题。且本系统已通过耐侯性能检测,这也表明该系统在长时间的外界作用下仍能安全工作 25 年以上。后贴聚苯法外保温系统贴瓷砖能否做到安全可靠,可以从以下四个方面进行分析。(1)自重加大后,与基层墙体的联结是否安全?按保温板55mm、粘结剂5mm、面层砂浆10mm、瓷砖粘结...

1、当您付费下载文档后,您只拥有了使用权限,并不意味着购买了版权,文档只能用于自身使用,不得用于其他商业用途(如 [转卖]进行直接盈利或[编辑后售卖]进行间接盈利)。
2、本站所有内容均由合作方或网友上传,本站不对文档的完整性、权威性及其观点立场正确性做任何保证或承诺!文档内容仅供研究参考,付费前请自行鉴别。
3、如文档内容存在违规,或者侵犯商业秘密、侵犯著作权等,请点击“违规举报”。

碎片内容

外墙外保温施工方案()

MY shop+ 关注
实名认证
内容提供者

欢迎挑选适合自己的材料。

确认删除?
VIP
微信客服
  • 扫码咨询
会员Q群
  • 会员专属群点击这里加入QQ群
客服邮箱
回到顶部