电脑桌面
添加小米粒文库到电脑桌面
安装后可以在桌面快捷访问

外墙施工缝止水条安装技术交底VIP免费

外墙施工缝止水条安装技术交底_第1页
1/4
外墙施工缝止水条安装技术交底_第2页
2/4
外墙施工缝止水条安装技术交底_第3页
3/4
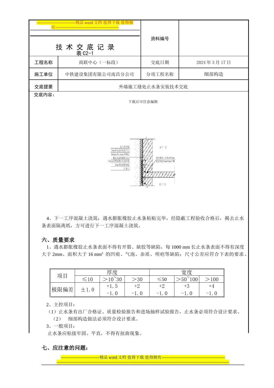
----------------------------精品 word 文档 值得下载 值得拥有----------------------------------------------技 术 交 底 记 录表 C2-1资料编号工程名称商联中心(一标段)交底日期2024 年 3 月 17 日施工单位中铁建设集团有限公司南昌分公司分项工程名称细部构造交底提要外墙施工缝处止水条安装技术交底交底内容:下载后可任意编辑一、编制依据《商联中心建筑、结构图》、《混凝土结构工程施工法律规范》GB 506666-2024、《混凝土结构工程施工质量验收法律规范》 GB 50204-2024(2024 版 ) 、《地下防水工程质量验收法律规范》GB50208-2024、《地下建筑防水构造》10J301、《商联中心(一标段)地下防水施工方案》二、材料要求 止水条:遇水膨胀止水条,规格 20mm×30mm。三、主要机具 小平铲、扫帚、钢卷尺、剪刀、锤子、毛刷等四、施工准备(作业条件)1、安装前应对预留槽内尘土杂物清扫洁净;表面残留的灰浆硬块及突出部分应清除洁净等。2、基层表面应保持干燥,无积水。3、橡胶止水条均属易燃品,应单独存放,远离火源,操作时应通风。五、工艺流程与操作工艺 根据地下防水施工方案,遇水膨胀止水条用于地下室穿墙管和地下室水平施工缝(地下二层外墙,地下一、二层顶板梁与外墙交接处水平施工缝等部位除外),采纳遇水膨胀止水条(20*30mm)+防水附加层做法。5.1 工艺流程 预留止水条位置→施工缝混凝土表面清理→粘贴遇水膨胀止水条→隐蔽工程验收→下部混凝土浇筑5.2 操作工艺1、预留止水条位置:墙体安装遇水膨胀止水条位置,在支设墙体模板时以预埋木条确定位置,在安装止水条前,必须先将预埋的木条剔凿洁净。2、施工缝混凝土表面清理:将安装止水条前必须将突出预留槽内表面的异物,已硬化的混凝土表面的水泥浮浆等铲平,并将尘土杂物清除洁净。3、粘贴遇水膨胀橡胶止水条: 具体做法如下图所示: (1)外墙穿墙管防水做法(遇水膨胀止水条+防水附加层):----------------------------精品 word 文档 值得下载 值得拥有-------------------------------------------------------------------------------------------------------------------------------------------------------------------------------------------------------精品 word 文档 值得下载 值得拥有----------------------------------------------技 术 交 底 记 录表 C2-1资料编号工程名称商联中心(一标段)交底...

1、当您付费下载文档后,您只拥有了使用权限,并不意味着购买了版权,文档只能用于自身使用,不得用于其他商业用途(如 [转卖]进行直接盈利或[编辑后售卖]进行间接盈利)。
2、本站所有内容均由合作方或网友上传,本站不对文档的完整性、权威性及其观点立场正确性做任何保证或承诺!文档内容仅供研究参考,付费前请自行鉴别。
3、如文档内容存在违规,或者侵犯商业秘密、侵犯著作权等,请点击“违规举报”。

碎片内容

外墙施工缝止水条安装技术交底

您可能关注的文档

确认删除?
VIP
微信客服
  • 扫码咨询
会员Q群
  • 会员专属群点击这里加入QQ群
客服邮箱
回到顶部