电脑桌面
添加小米粒文库到电脑桌面
安装后可以在桌面快捷访问

大楼消防工程施工组织设计VIP免费

大楼消防工程施工组织设计_第1页
1/9
大楼消防工程施工组织设计_第2页
2/9
大楼消防工程施工组织设计_第3页
3/9
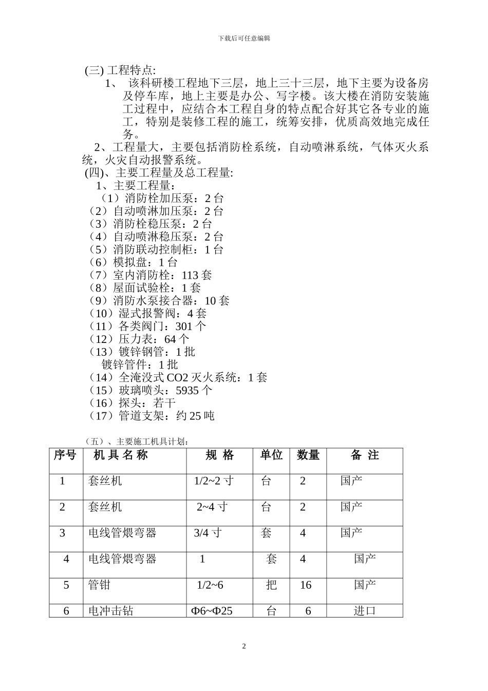
下载后可任意编辑本页为作品封面,下载后可以自由编辑删除,欢迎下载!!! 精 品文档1【精品 word 文档、可以自由编辑!】 施工组织设计是安排施工准备和组织工程施工的全面性技术,经济文件,是指导工程施工的法规。是施工单位为指导工程施工而编制的设计文件,是保证按期,优质完成工程施工任务的重要措施,是施工单位进行科学管理的一个重要环节。一、 工程概况:(一)工程简介:1、工程名称:***城市规划勘测设计讨论院科研楼 2、工程地点:***省***建设大公路 10 号 3、建设单位:******投资公司 4、施工单位:***省三建***分公司(二)工程范围: 1、消防栓系统 2、自动喷淋灭火系统 3、火灾自动警系统 4、气体灭火系统1下载后可任意编辑 (三) 工程特点:1、 该科研楼工程地下三层,地上三十三层,地下主要为设备房及停车库,地上主要是办公、写字楼。该大楼在消防安装施工过程中,应结合本工程自身的特点配合好其它各专业的施工,特别是装修工程的施工,统筹安排,优质高效地完成任务。 2、工程量大,主要包括消防栓系统,自动喷淋系统,气体灭火系统,火灾自动报警系统。 (四)、主要工程量及总工程量: 1、主要工程量: (1)消防栓加压泵:2 台 (2)自动喷淋加压泵:2 台 (3)消防栓稳压泵:2 台 (4)自动喷淋稳压泵:2 台 (5)消防联动控制柜:1 台 (6)模拟盘:1 台 (7)室内消防栓:113 套 (8)屋面试验栓:1 套 (9)消防水泵接合器:10 套 (10)湿式报警阀:4 套 (11)各类阀门:301 个 (12)压力表:64 个 (13)镀锌钢管:1 批 镀锌管件:1 批 (14)全淹没式 CO2 灭火系统:1 套 (15)玻璃喷头:5935 个 (16)探头:若干 (17)管道支架:约 25 吨(五)、主要施工机具计划:序号 机 具 名 称规 格单位数量备 注 1套丝机 1/2~2 寸 台 2 国产 2套丝机 2~4 寸 台 2 国产 3电线管煨弯器 3/4 寸 套 4 国产4电线管煨弯器 1套 4国产5管钳 1/2~6把 16国产6电冲击钻Ф6~Ф25台6进口2下载后可任意编辑7无线电对讲机台8带充分电器8数字式万能表台2国产9电工成套工具套610水准仪台111手推车辆612人字梯6~13 步副713电锤把314切割机台315试压泵台216台钳台2二、施工组织与施工技术方案:(一) 施工准备工作计划:1、施工力量的准备 该科研楼工程量大,技术复杂。与其它专业交叉施工,安装高峰约需九个月左右时间,公司在现场对所有进场专...

1、当您付费下载文档后,您只拥有了使用权限,并不意味着购买了版权,文档只能用于自身使用,不得用于其他商业用途(如 [转卖]进行直接盈利或[编辑后售卖]进行间接盈利)。
2、本站所有内容均由合作方或网友上传,本站不对文档的完整性、权威性及其观点立场正确性做任何保证或承诺!文档内容仅供研究参考,付费前请自行鉴别。
3、如文档内容存在违规,或者侵犯商业秘密、侵犯著作权等,请点击“违规举报”。

碎片内容

大楼消防工程施工组织设计

您可能关注的文档

确认删除?
VIP
微信客服
  • 扫码咨询
会员Q群
  • 会员专属群点击这里加入QQ群
客服邮箱
回到顶部