电脑桌面
添加小米粒文库到电脑桌面
安装后可以在桌面快捷访问

季节性地区客运专线浸水路堤施工技术VIP免费

季节性地区客运专线浸水路堤施工技术_第1页
1/4
季节性地区客运专线浸水路堤施工技术_第2页
2/4
季节性地区客运专线浸水路堤施工技术_第3页
3/4
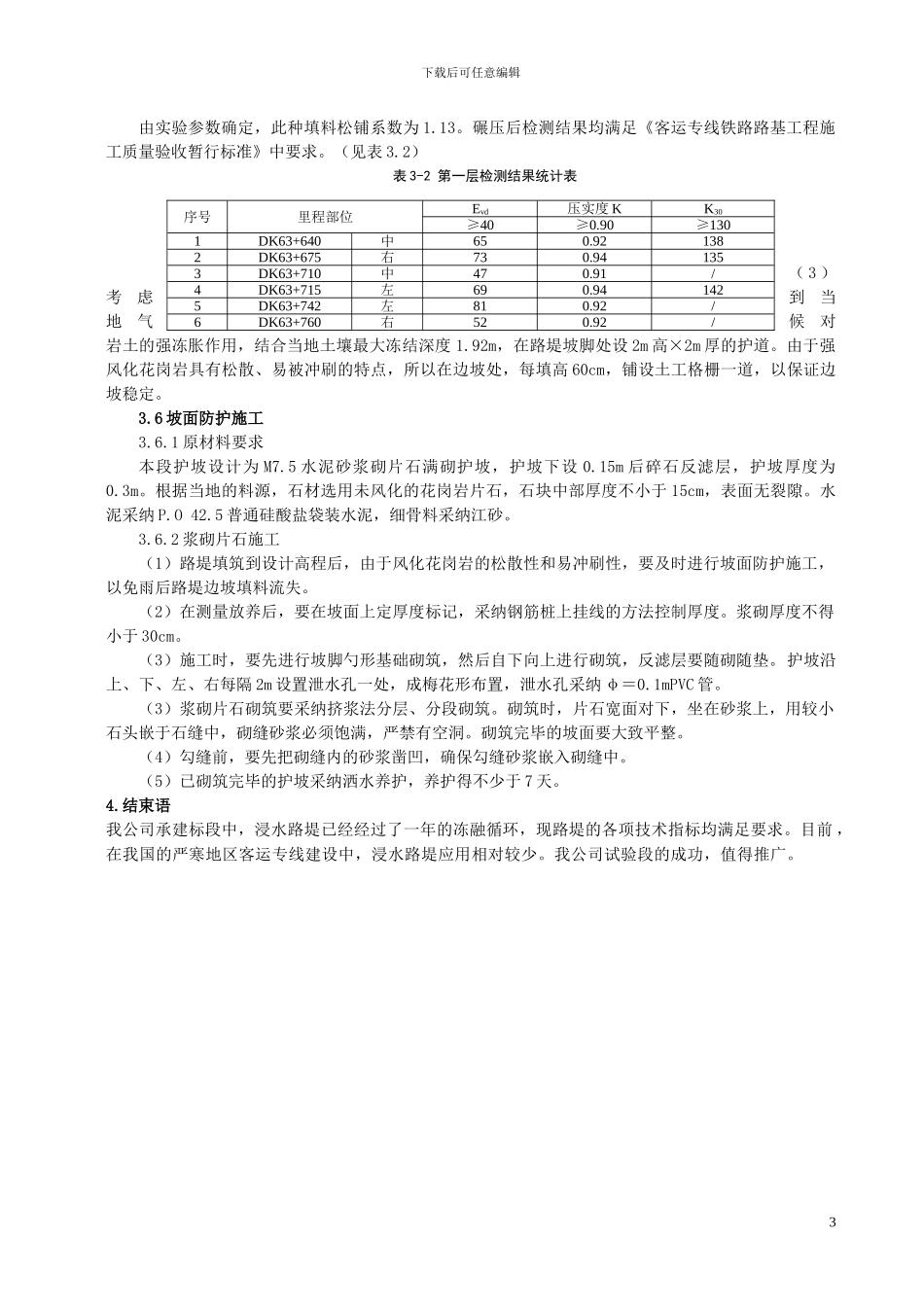
下载后可任意编辑季节性冻土地区客运专线浸水路堤施工技术中铁十九局第五工程有限公司路桥二公司 谢昌龙关键词 季节性冻土 客运专线 浸水路堤摘 要 结合长春至吉林城际客运专线铁路的建设,介绍了在季节性冻土地区,客运专线浸水路堤的设计依据及施工方法。本条线路设计时速为 250km/h,属于高速铁路,随着列车运行速度的加快,对路基的要求也变得更加严格。浸水路堤地段地表水及地下水均十分丰富,加之当地为强冻胀区域,使路基施工的难度进一步增加。所以,浸水路堤施工成为本标段施工的一个难点。1、工程概况长吉城际客运专线地处吉林省中部,松辽平原向东部山区过渡地带,沿线经过松辽平原、大黑山低山丘陵区、伊通-舒兰断陷盆地三大地貌单元。本公司承建标段 DK58+000~DK71+000 段为剥蚀丘陵区,地形起伏变化大,冲沟发育,地表水及地下水丰富,沿线多水库、水塘,有多处浸水路堤段。标段沿线属中温带大陆性季风气候区。根据对铁路工程影响的气候分区,该区为严寒地区,最低温度-36.5℃,最大季节冻土深度 1.92m,季节性冻害严重,严重影响路堤质量。本标段DK63+630~DK63+770段路堤经过水塘,塘中水深约1m,淤泥厚约0.5m,路堤中心最大填高10.7m,边坡最大高度12.3m,设计为浸水路堤。2、浸水路堤设计2.1浸水路堤设计图 (见图2.1)图 2.1 浸水路堤设计图2.2 设计概况本段采纳在坡脚外 1m 处设围堰并进行抽水挖淤回填渗水土处理。防护高程为 251.50m,防护高程以下边坡坡度 1:2.0。防护高程处设 2.0m 宽护道,护道及以下路堤边坡采纳 M7.5 水泥砂浆砌片石防护,设厚 0.3m,底宽 0.6m,深 1.0m 勺形基础,护坡以下设 0.15m 厚的碎石垫层。沿线路方向每隔 20m设伸缩缝一道,其内填塞沥青麻筋。护坡沿上、下、左、右每隔 2m 设置泄水孔一处,泄水孔采纳 φ=0.1mPVC 管。3. 施工流程3.1 施工工艺流程图 (见图 3.1)3.2 围堰施工由于本段线路通过水塘地段,属于静水,且水深较浅,所以选用草袋围堰。围堰截面为梯形,顶面宽 1m,朝向路堤方向坡面坡比 1:0.5,另一坡面坡比 1:1。1下载后可任意编辑围堰施工宜选在枯水期进行,采纳粘性土砌筑,外围用装满粘性土的草袋码砌围堰边坡。围堰高度高出最高水位 50cm,保证雨后塘水不能漫过围堰,影响路堤施工。3.3 抽水围堰施工完毕后,要用水泵抽干围水。围水抽干后,在围水区低洼处挖集水井,并且开挖纵、横引水沟,持续抽水。依据抽水量合理安排抽水...

1、当您付费下载文档后,您只拥有了使用权限,并不意味着购买了版权,文档只能用于自身使用,不得用于其他商业用途(如 [转卖]进行直接盈利或[编辑后售卖]进行间接盈利)。
2、本站所有内容均由合作方或网友上传,本站不对文档的完整性、权威性及其观点立场正确性做任何保证或承诺!文档内容仅供研究参考,付费前请自行鉴别。
3、如文档内容存在违规,或者侵犯商业秘密、侵犯著作权等,请点击“违规举报”。

碎片内容

季节性地区客运专线浸水路堤施工技术

您可能关注的文档

办公文档专营+ 关注
实名认证
内容提供者

大量办公文档,欢迎选择

确认删除?
VIP
微信客服
  • 扫码咨询
会员Q群
  • 会员专属群点击这里加入QQ群
客服邮箱
回到顶部