电脑桌面
添加小米粒文库到电脑桌面
安装后可以在桌面快捷访问

安全资料-第六卷-施工用电VIP免费

安全资料-第六卷-施工用电_第1页
1/18
安全资料-第六卷-施工用电_第2页
2/18
安全资料-第六卷-施工用电_第3页
3/18
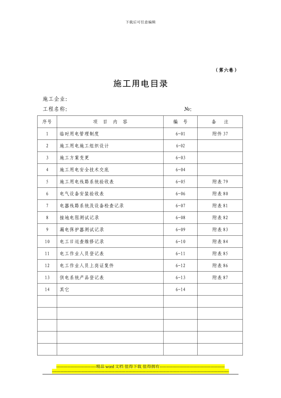
宁夏煤炭基本建设公司 神华宁煤集团建设工程公司施工现场安全管理资料第六卷 施工用电发布时间:2009 年 1 月 1 日 实施时间:2009 年 1 月 1 日下载后可任意编辑目 录施工用电目录 ………………………………………………2附件 37:临时用电管理制度………………………………3一、安全技术交底制度………………………………3二、定期安全检查制度………………………………3三、安全教育制度……………………………………4四、电器及电气料具使用制度………………………4五、电气设备保养维修制度…………………………5六、工作监护制度……………………………………5附表 79:施工用电线路系统验收表………………………7附表 80:电气设备安装验收表……………………………8附表 81:电气线路系统及设备检查记录…………………9附表 82:接地电阻测试记录………………………………10附表 83:漏电保护器测试记录……………………………11附表 84:电工日巡查维修记录……………………………12附表 85:电工作业人员登记表……………………………13附表 86:电工作业人员操作证复印件……………………14附表 87:供电系统产品登记表……………………………15----------------------------精品 word 文档 值得下载 值得拥有---------------------------------------------------------------------------------------------------------------------------------------------------------------------------下载后可任意编辑(第六卷)施工用电目录施工企业: 工程名称: №:序号项 目 内 容编 号备 注1临时用电管理制度6-01附件 372施工用电施工组织设计6-023施工方案变更6-034施工用电安全技术交底6-045施工用电线路系统验收表6-05附表 796电气设备安装验收表6-06附表 807电器线路系统及设备检查记录6-07附表 818接地电阻测试记录6-08附表 829漏电保护器测试记录6-09附表 8310电工日巡查维修记录6-10附表 8411电工作业人员登记表6-11附表 8512电工作业人员上岗证复件6-12附表 8613供电系统产品登记表6-13附表 8714其它6-14----------------------------精品 word 文档 值得下载 值得拥有---------------------------------------------------------------------------------------------------------------------------------------------------------------------------下载后可任意编辑填表...

1、当您付费下载文档后,您只拥有了使用权限,并不意味着购买了版权,文档只能用于自身使用,不得用于其他商业用途(如 [转卖]进行直接盈利或[编辑后售卖]进行间接盈利)。
2、本站所有内容均由合作方或网友上传,本站不对文档的完整性、权威性及其观点立场正确性做任何保证或承诺!文档内容仅供研究参考,付费前请自行鉴别。
3、如文档内容存在违规,或者侵犯商业秘密、侵犯著作权等,请点击“违规举报”。

碎片内容

安全资料-第六卷-施工用电

确认删除?
VIP
微信客服
  • 扫码咨询
会员Q群
  • 会员专属群点击这里加入QQ群
客服邮箱
回到顶部