电脑桌面
添加小米粒文库到电脑桌面
安装后可以在桌面快捷访问

实验区承台基础模板施工方案VIP免费

实验区承台基础模板施工方案_第1页
1/12
实验区承台基础模板施工方案_第2页
2/12
实验区承台基础模板施工方案_第3页
3/12
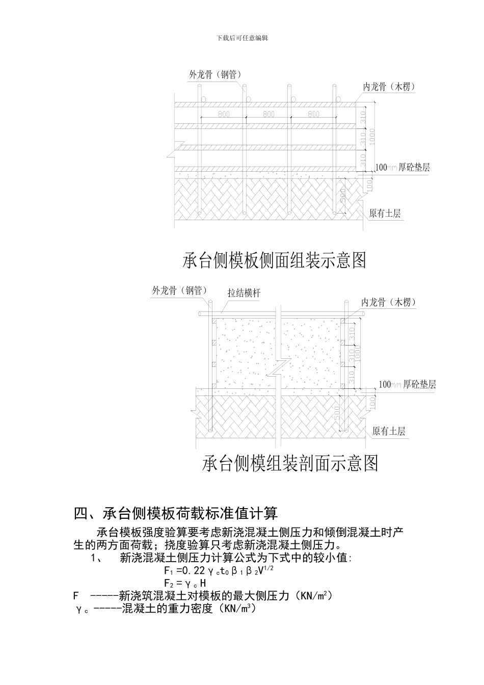
下载后可任意编辑实验区承台基础模板施工方案一、工程概况苏州施乐辉厂房二期扩建工程位于苏州工业园区内, 二期工程主要由实验区和生产车间组成。实验区为地上 2 层框架结构,基础为桩-承台基础,承台底部标高为-2.1m,实验区承台基础分为三个施工流水段施工,分别为8~16 轴、17~26 轴、1/26~35 轴。二、施工部署及准备1、材料及主要机具:木方、锤子、铁钉、园盘锯、钢管、扣件、扳手等2、作业条件:(1)桩基施工已全部完成,并按设计要求挖完土,而且办完桩基施工验收记录。(2)桩顶深化承台应符合设计要求,承台垫层已浇筑完毕。三、承台侧模板基本参数承台侧模板的背部支撑由两层龙骨(木楞、钢管)组成,直接支撑模板的龙骨为次龙骨,即内龙骨(木楞);用以支撑内层龙骨为主龙骨,即外龙骨(钢管)。外龙骨组装成墙体模板时,将钢管沿内龙骨边用铁锤打入地下0.5m,钢管上部使用横杆和扣件进行拉结受力。还同时直接利用基坑侧面垫置木板支撑方木的一端,另一端支撑外龙骨,做为外龙骨的辅助支点。承台模板面板厚度δ=20mm,弹性模量E=1000 N/mm2,抗弯强度[f]=15 N/mm2。 内龙骨采纳方木,截面规格70×100 mm,每道内楞1根方木,间距310mm。外龙骨采纳钢管,每道外楞1根钢管,间距800 mm。下载后可任意编辑承台侧模板侧面组装示意图原有土层100厚砼垫层内龙骨(木楞)外龙骨(钢管)内龙骨(木楞)100厚砼垫层原有土层承台侧模组装剖面示意图外龙骨(钢管)拉结横杆四、承台侧模板荷载标准值计算承台模板强度验算要考虑新浇混凝土侧压力和倾倒混凝土时产生的两方面荷载;挠度验算只考虑新浇混凝土侧压力。1、新浇混凝土侧压力计算公式为下式中的较小值: F1 =0.22γct0β1β2V1/2F2 =γc HF -----新浇筑混凝土对模板的最大侧压力(KN/m2)γc -----混凝土的重力密度(KN/m3)下载后可任意编辑t0 -----新浇筑混凝土的初凝时间(h),可按实测确定。当缺乏试验资料时,可采纳 t=200/(T+15)T-------混凝土的温度(℃)V-------混凝土的浇灌速度(m/h)H-------混凝土侧压力计算位置处至新浇筑混凝土顶面的总高度(m)β1-----外加剂影响修正系数,不掺外加剂时取 1.0;掺具有缓凝作用的外加剂时取 1.2β2-----混凝土坍落度影响修正系数,当坍落度小于 30mm 时,取0.85;50~90mm 时,取 1.0;110~150mm 时,取 1.15t0 =200/(10+15)=8F1 =0.22×24×8×1.0×1.0×1.01/2=42.24KN/m2 F2 =24×1=24.0 KN/m2取其中小...

1、当您付费下载文档后,您只拥有了使用权限,并不意味着购买了版权,文档只能用于自身使用,不得用于其他商业用途(如 [转卖]进行直接盈利或[编辑后售卖]进行间接盈利)。
2、本站所有内容均由合作方或网友上传,本站不对文档的完整性、权威性及其观点立场正确性做任何保证或承诺!文档内容仅供研究参考,付费前请自行鉴别。
3、如文档内容存在违规,或者侵犯商业秘密、侵犯著作权等,请点击“违规举报”。

碎片内容

实验区承台基础模板施工方案

确认删除?
VIP
微信客服
  • 扫码咨询
会员Q群
  • 会员专属群点击这里加入QQ群
客服邮箱
回到顶部