电脑桌面
添加小米粒文库到电脑桌面
安装后可以在桌面快捷访问

小桥上部构造预制施工组织设计VIP免费

小桥上部构造预制施工组织设计_第1页
1/7
小桥上部构造预制施工组织设计_第2页
2/7
小桥上部构造预制施工组织设计_第3页
3/7
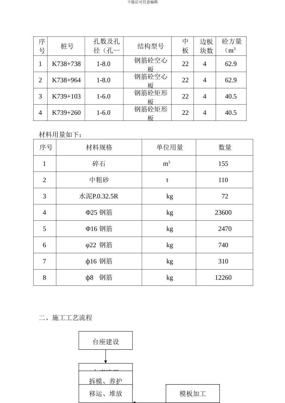
下载后可任意编辑本页为作品封面,下载后可以自由编 辑 删 除 , 欢 迎 下 载 ! ! ! 精 品文档1【 精 品 word 文 档 、 可 以 自 由 编辑 ! 】小 桥 上 部 构 造 预 制 施 工 组 织 设 计一、概述小桥上部构造预制主要包括盖板,盖板砼标号为C30 ,盖板宽度为99cm ,板长度分别为596cm 、796cm 。厚度分别为30cm 、40cm 。主要工程量如下:下载后可任意编辑序号桩号孔数及孔径(孔—m )结构型号中板块边板块数砼方量(m3)1K738+7381-8.0钢筋砼空心板22462.92K738+9641-8.0钢筋砼空心板22462.93K739+1031-6.0钢筋砼矩形板22440.54K739+2601-6.0钢筋砼矩形板22440.5材料用量如下:序号材料规格单位用量数量1碎石m31552中粗砂t1103水泥P.0.32.5Rkg724Φ25 钢筋kg236005Φ16 钢筋kg24706φ22 钢筋kg7407ф16 钢筋kg3108ф8钢筋kg12260二、施工工艺流程台座清理钢筋安装台座建设模板安装浇筑盖板砼拆模、养护移运、堆放钢筋加工模板加工下载后可任意编辑三、主要施工方法1 、台座建设台座布置选在K737+300 左100m 处,场地推平、碾压平整后铺设C20 砼15cm 厚,底部预埋ф25 拉杆孔,上面铺设4mm厚钢板作底模。台座长10m ,宽98.5cm,间距2.5m。台座建设质量要求:底模平整、线型直顺、宽度一致、四角点高差小于2mm,钢板焊接牢固,不起鼓。2 、钢筋加工及安装钢筋在加工厂加工成半成品后运至现场绑扎成型,整体抬放入模。钢筋加工及安装质量要求:排距偏差不超过±5mm间距偏差不超过±10mm箍筋间距偏差0~ -20mm骨架长度偏差不超过10mm ,宽度不超过5mm保护层厚度偏差不超过3mm3 、模板安装下载后可任意编辑模板制作成整体大模板,面板采纳 6mm厚钢板,竖肋系用∠50×5角钢,横肋系用[10 槽钢,底部加固系用ф16 拉杆,顶部采纳∠50×5角钢,用螺拴与侧模固定。端模与侧模用ф16 螺栓连接。模板与模板之间、与台座之间均须粘接密封胶,以防止漏浆。芯模采纳ф18mm 空心胶囊,充气压力0.2~0.4Mpa,为防止胶囊上浮, 按设计要求埋放固定钢筋。模板安装质量要求:长度偏差值不大于3mm宽度偏差值不大于5mm高度偏差值不大于2mm跨度偏差值不大于10mm平整度偏差值不大于3mm模板加工计划:6m 板2 套、8m 板2 套。4 、砼浇筑砼集中在搅拌站拌和,工程小翻斗车运至现场后卸入铁板上,人工用锹入模。砼振捣采纳70型振捣棒,振捣应均匀密实,移动间距离不大于30cm ,振捣时间宜在20~30...

1、当您付费下载文档后,您只拥有了使用权限,并不意味着购买了版权,文档只能用于自身使用,不得用于其他商业用途(如 [转卖]进行直接盈利或[编辑后售卖]进行间接盈利)。
2、本站所有内容均由合作方或网友上传,本站不对文档的完整性、权威性及其观点立场正确性做任何保证或承诺!文档内容仅供研究参考,付费前请自行鉴别。
3、如文档内容存在违规,或者侵犯商业秘密、侵犯著作权等,请点击“违规举报”。

碎片内容

小桥上部构造预制施工组织设计

您可能关注的文档

确认删除?
VIP
微信客服
  • 扫码咨询
会员Q群
  • 会员专属群点击这里加入QQ群
客服邮箱
回到顶部