电脑桌面
添加小米粒文库到电脑桌面
安装后可以在桌面快捷访问

屋面施工方案()VIP免费

屋面施工方案()_第1页
1/7
屋面施工方案()_第2页
2/7
屋面施工方案()_第3页
3/7
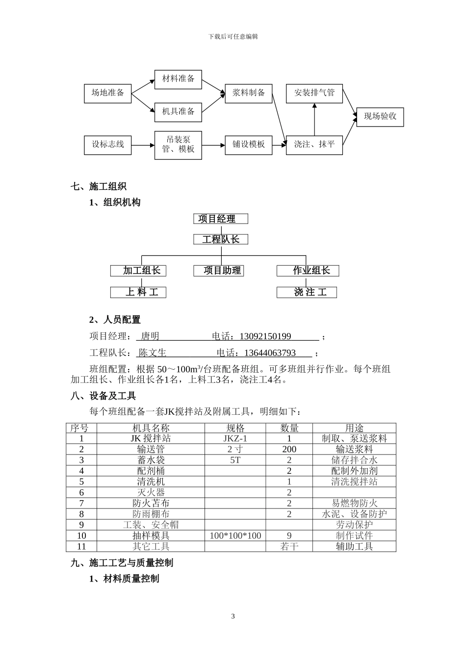
射阳双山科技商务中心聚苯泡沫砼保温屋面施工组织技术方案南通金沃建材科技有限公司2024年11月20日一、编制依据与适用范围下载后可任意编辑本方案根据项目设计方案和《聚合物泡粒混凝土屋面、地面保温技术规程》Q/JK01-2024编制,适用于在项目现场完成JK保温屋面施工,包括铺设JK软模板、浇制JK泡粒混凝土和安装排汽管等。二、技术要求:1、本项目最薄处为 100 mm,找坡度主坡为 2 %,副坡为 2 %。2、施工区域、分水岭、落水口、排气管位置见图纸标注。高度、坡度标志线在施工前由发包方代表检查确认。3、保温找坡层JK泡粒混凝土干体积密度为 350±50 kg/m3,湿体积密度为 450~550 kg/m3,每立方米配合比为:水泥270~330kg、苯粒0.6~0.8 m3、水190~230kg、发泡剂1.0~1.2kg(试配确定)。三、工程数量:1、按图纸标注计算施工区域面积大约为 10000 m2。2、具体工程量以实际丈量尺寸为准。四、进度计划:项目计划工期为 2024 年 11 月 22 日至 12 月 2 日。若出现下雨、大风、停电、停水及甲方原因造成停工,工期自动顺延。其中,各分区施工计划为: 11.23 号 -26 号主楼施工, 27 号 -29 号西裙楼施工 , 30 号 -12.2 号东裙楼施工 五、施工条件1、JK 泡粒混凝土加工场地每套 JK 搅拌站不低于 200 平方米,所需水、电搭接完毕。其中,水质应符合混凝土用水标准,水量不低于每台搅拌站 2 吨/小时;配电量根据搅拌站要求,每台搅拌站 15~25kW/h。2、屋面结构层及各种预设、预埋设施安装完毕并验收合格。3、基层表面清理洁净,应平整,无松动、空鼓等现象。 4、各标高控制点、控制线经测定、预设,并验收合格。 5、施工宜在 5℃以上,不得低于 0℃,并应避开在雨天施工。六、施工流程2下载后可任意编辑七、施工组织1、组织机构项目经理工程队长加工组长项目助理作业组长上 料 工浇 注 工2、人员配置项目经理: 唐明 电话: 13092150199 ;工程队长: 陈文生 电话: 13644063793 ;班组配置:根据 50~100m3/台班配备班组。可多班组并行作业。每个班组加工组长、作业组长各1名,上料工3名,浇注工4名。八、设备及工具每个班组配备一套JK搅拌站及附属工具,明细如下:序号机具名称规格数量用途1JK 搅拌站JKZ-11制取、泵送浆料2输送管2 寸200输送浆料3蓄水袋5T2储存拌合水4配剂桶2配制外加剂5清洗机1清洗搅拌站6灭火器27防火苫布2易燃物防火8防雨棚布2水泥、设备防护9工装、安全帽...

1、当您付费下载文档后,您只拥有了使用权限,并不意味着购买了版权,文档只能用于自身使用,不得用于其他商业用途(如 [转卖]进行直接盈利或[编辑后售卖]进行间接盈利)。
2、本站所有内容均由合作方或网友上传,本站不对文档的完整性、权威性及其观点立场正确性做任何保证或承诺!文档内容仅供研究参考,付费前请自行鉴别。
3、如文档内容存在违规,或者侵犯商业秘密、侵犯著作权等,请点击“违规举报”。

碎片内容

屋面施工方案()

领读文化+ 关注
实名认证
内容提供者

传播文化,铸就未来

确认删除?
VIP
微信客服
  • 扫码咨询
会员Q群
  • 会员专属群点击这里加入QQ群
客服邮箱
回到顶部