电脑桌面
添加小米粒文库到电脑桌面
安装后可以在桌面快捷访问

屋面钢结构工程施工方案VIP免费

屋面钢结构工程施工方案_第1页
1/18
屋面钢结构工程施工方案_第2页
2/18
屋面钢结构工程施工方案_第3页
3/18
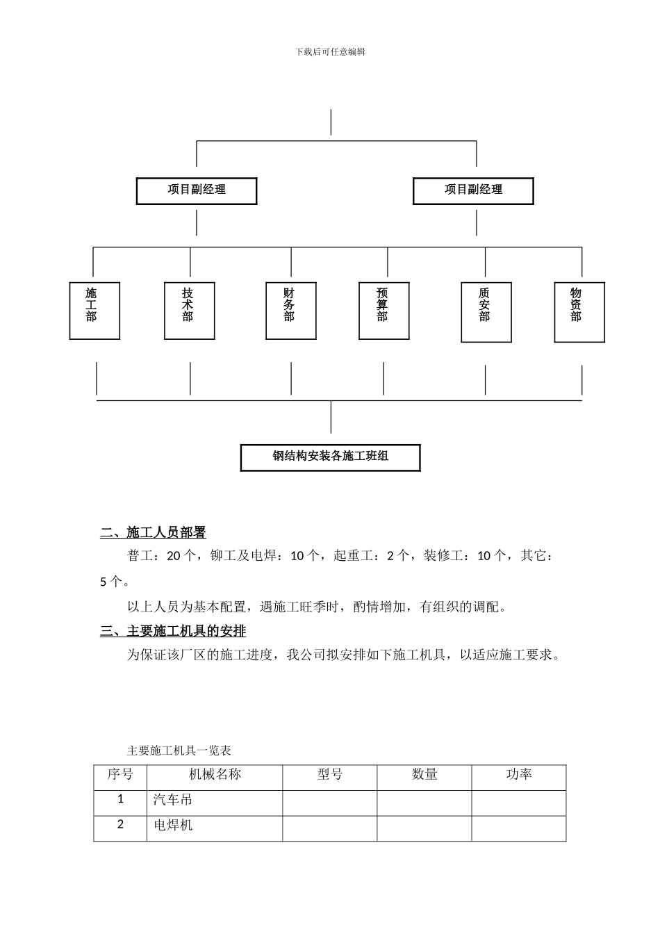
下载后可任意编辑*************************施工方案第一节、综合说明一、工程概况工程名称:************工程地点:***************工期: 质量:合格资金来源:自筹资金承包方式:包供货、包运输、包安装(含安装设计)、包调试及负荷试验 、包工包料、包通过验收、包工期、包风险、包售后服务、包税费等承包方式,根据甲方确认的设计施工图、材料,承接本项目的制作及安装工程。本合同约定的全费用综合单价为前述内容之包干价格。计价方式:按实结算,按工程×全费用综合单价计价。二、承包范围*************************采纳钢柱、钢梁全钢结构体系,工程内容包括钢结构、门窗工程等。三、工程特点(1)现场工期( 日历天),十分紧张。(2)本工程因设计要求,钢柱脚采纳现场焊接,对施工安装提出了较高的要求,吊机的就位,标高的测量,水平位置的校正都要控制在误差范围内。(3)柱梁结点,梁梁结点有很多地方采纳刚性连接,给现场的焊接提出了很高的要求。(4)还应完成门窗等工程的施工。第二节、编制依据1、********************************工程招标文件、施工图纸工程量清单及答疑文件;2、《中华人民共和国建筑法》、《建筑装饰行业标准》以及其他有关法律法规;下载后可任意编辑3、本公司 ISO9001 质量体系、ISO14001 环境管理体系及 GB/T28001 职业健康安全管理体系文件。4、公司编制的《现场施工管理规定》及《作业指导书》;5、公司现有施工力量和技术装备情况;6、长期合作技术力量和行业资源、专业厂商、材料供应商;7、钢结构的制作安装过程,主要根据国家现行法律规范,规程。8、 年 月 日盖章版的《施工图变更(修改)通知单》(编号: )9、《钢结构工程施工及验收法律规范》(GB50205-95)10、《钢结构工程质量检验评定标准》(GB50221-95)11、《建筑钢结构焊接规程》(JGJ81-91)12、《钢结构制作安装施工规程》(YB9254-95)13、《建筑装饰工程施工及验收法律规范》(GB50210-2001)14、《建筑施工安全检查标准》(JGJ59-99)15、《施工现场临时用电安全技术法律规范》(JGJ46-2024)16、《建筑安全评分标准》(JGJ59-99)17、《民用建筑工程室内环境污染控制法律规范》(GB50323-2001)18、《建筑施工环境与卫生标准》(JGJ146-2024)19、《建筑工程文件归档整理法律规范》(GB/T50328-2001)20、建设部颁发的《建设工程施工现场管理规定》第三节、施工部署及施工总平面布置图一、组织架构为确保该项目优...

1、当您付费下载文档后,您只拥有了使用权限,并不意味着购买了版权,文档只能用于自身使用,不得用于其他商业用途(如 [转卖]进行直接盈利或[编辑后售卖]进行间接盈利)。
2、本站所有内容均由合作方或网友上传,本站不对文档的完整性、权威性及其观点立场正确性做任何保证或承诺!文档内容仅供研究参考,付费前请自行鉴别。
3、如文档内容存在违规,或者侵犯商业秘密、侵犯著作权等,请点击“违规举报”。

碎片内容

屋面钢结构工程施工方案

不二商店+ 关注
实名认证
内容提供者

我是你的不二选择

确认删除?
VIP
微信客服
  • 扫码咨询
会员Q群
  • 会员专属群点击这里加入QQ群
客服邮箱
回到顶部