电脑桌面
添加小米粒文库到电脑桌面
安装后可以在桌面快捷访问

岩棉保温施工方案VIP免费

岩棉保温施工方案_第1页
1/8
岩棉保温施工方案_第2页
2/8
岩棉保温施工方案_第3页
3/8
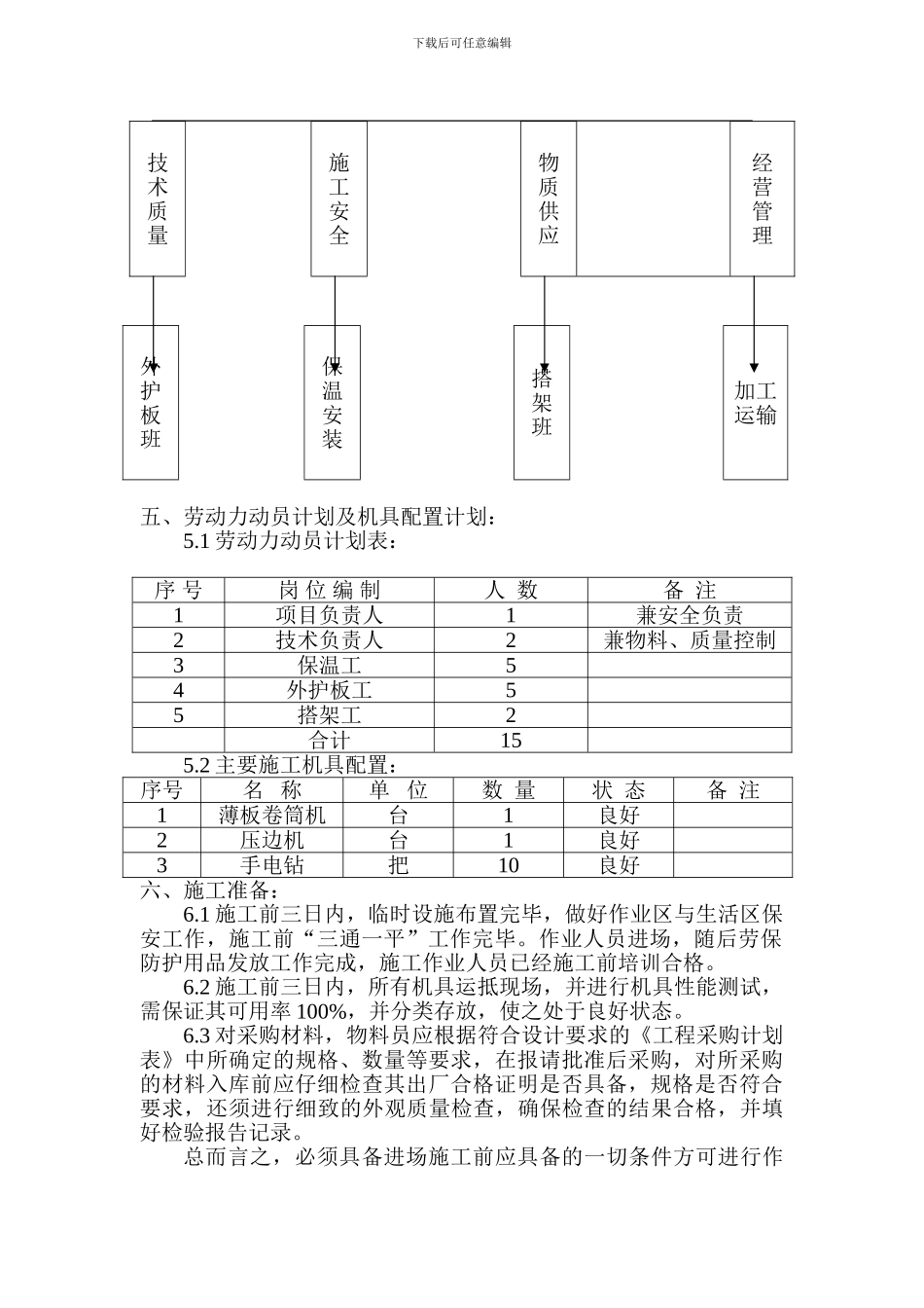
下载后可任意编辑施工方案编制:审核:批准:福建省华能保温安装进展有限公司二 00 七年四月二十六日目 录一、工程概况二、编制依据三、施工指导思想及目标四、施工部署五、劳动力动员计划及机具配置计划六、施工准备七、施工工艺要求八、施工质量要求:九、质量检查十、安全措施 及文明施工下载后可任意编辑施工方案一、工程概况:江门金源纸业有限公司全部设备,管道保温工程由福建省华能保温安装进展有限公司承接施工,保温材料选用岩棉材料保温,保护层为铝皮。二、编制依据:2.1 依据施工图纸技术要求及业主的质量标准。2.2《工业设备及管道绝热工程施工及验收法律规范》GBJ126-89。2.3《设备、管道保温技术通则》GB4272-84。2.4《绝热工程施工及验收技术法律规范》GBJ126-88。三、施工指导思想及目标:3.1 指导思想:用户至上、质量第一、以提高经济效益为中心,制造出工期短、质量优、成本低、效益好的样板工程。3.2 目标:科学管理、经济承包、调动积极因素、优质高效、确保施工期、制造国家级优质工程。四、施工部署:4.1 建立工程项目管理机构,统筹计划管理,确保工程质量及按工期正点竣工。4.2 施工组织结构框架图:保温项目主管下载后可任意编辑技术质量施工安全物质供应经营管理外护板班保温安装搭架班加工运输五、劳动力动员计划及机具配置计划:5.1 劳动力动员计划表:序 号岗 位 编 制人 数备 注1项目负责人1兼安全负责2技术负责人2兼物料、质量控制3保温工54外护板工55搭架工2合计155.2 主要施工机具配置:序号名 称单 位数 量状 态备 注1薄板卷筒机台1良好2压边机台1良好3手电钻把10良好六、施工准备:6.1 施工前三日内,临时设施布置完毕,做好作业区与生活区保安工作,施工前“三通一平”工作完毕。作业人员进场,随后劳保防护用品发放工作完成,施工作业人员已经施工前培训合格。6.2 施工前三日内,所有机具运抵现场,并进行机具性能测试,需保证其可用率 100%,并分类存放,使之处于良好状态。6.3 对采购材料,物料员应根据符合设计要求的《工程采购计划 表》中所确定的规格、数量等要求,在报请批准后采购,对所采购的材料入库前应仔细检查其出厂合格证明是否具备,规格是否符合要求,还须进行细致的外观质量检查,确保检查的结果合格,并填好检验报告记录。总而言之,必须具备进场施工前应具备的一切条件方可进行作下载后可任意编辑业施工。七、施工工艺要求:7.1 材料选用:7.1.1 管线保温...

1、当您付费下载文档后,您只拥有了使用权限,并不意味着购买了版权,文档只能用于自身使用,不得用于其他商业用途(如 [转卖]进行直接盈利或[编辑后售卖]进行间接盈利)。
2、本站所有内容均由合作方或网友上传,本站不对文档的完整性、权威性及其观点立场正确性做任何保证或承诺!文档内容仅供研究参考,付费前请自行鉴别。
3、如文档内容存在违规,或者侵犯商业秘密、侵犯著作权等,请点击“违规举报”。

碎片内容

岩棉保温施工方案

领读文化+ 关注
实名认证
内容提供者

传播文化,铸就未来

确认删除?
VIP
微信客服
  • 扫码咨询
会员Q群
  • 会员专属群点击这里加入QQ群
客服邮箱
回到顶部