电脑桌面
添加小米粒文库到电脑桌面
安装后可以在桌面快捷访问

工程开发管理规范VIP免费

工程开发管理规范_第1页
1/9
工程开发管理规范_第2页
2/9
工程开发管理规范_第3页
3/9
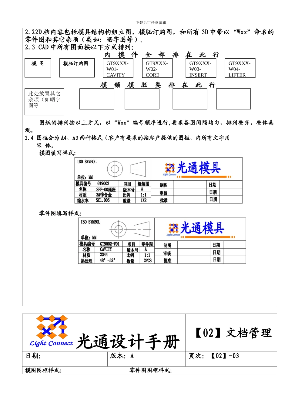
下载后可任意编辑 光通设计手册【01】设计流程日期:版本:A页次:【01】-011. 设计流程a) 设计人员收到开模资料或以主管提供的 2D、3D 图档开始设计工作。b) 分析产品,开始画模具结构图。c) 完成模具结构图,订购内模件材料。d) 开始内模件 3D 分模。e) 出主要内模件的加工图纸,订购模胚。f) 整套模具的 3D 绘制,出所有除模胚外的图纸。g) 出模胚图纸,出模具结构图纸。h) 出产品晒字图纸,进行试模样品与产品 3D 的对比。i) 第一次试模后,进行试模样品与产品 3D 的对比,检查是否有漏做和明显错误,并作出试模问题总结报告。2. 改模流程a) 设计人员收到改模通知书或以主管提供的改模资料开始改模工作。b) 对比 3D,分析更改内容,确认更改的可行性;如有可行性和更改可能影响产品品质的问题;涉及产品尺寸超差之问题,以先检查图档尺寸是否无误;假如确认图档尺寸无误,则出检测相关钢数的图纸。然后根据钢数修改模具为标准作业方法。c) 进行改模相关零件的 3D 绘制。d) 出模具修改表,出所有有更改的零件图纸;将所有有更改 3D 零件的面涂上红色,存在相应文件夹中;填写并发送 CNC 专用 3D 传送记录条。有烧焊的需出以彩色打印的(烧焊面标示红色),标示有烧焊大小,位置的烧焊示意彩图。e) 涉及尺寸问题更改的,模具修改表中注明要求模房在改模加工前后,必须测量改模前后的钢数报告。f) 改模试模后,进行试模样品兴改模产品 3D 的对比,检查是否有漏改和明显的错误。下载后可任意编辑 光通设计手册【02】文档管理日期:版本:A页次:【02】-011.3D1.1 所有模具 3D 组装档按以下统一法律规范设立和命名: GT9XXX-CORE-ASM总组装档:GT9XXX-TOP-ASM GT9XXX-MOLD-ASMGT9XXX-LOCK-ASMGT9XXX-CORE-ASM 组装档内包括所有内模件零件;类如:产品(包括整个流道,進胶)模仁、镶件、行位、斜顶、产基、压塊、耐磨塊、斜导柱、导滑塊、斜顶座、顶针、司筒(针)等。GT9XXX-MOLD-ASM 组装档内包括所有的以下零件;类如:所有的模板,唧嘴、法兰、水口拉针,所有导柱(包括中托司),所有螺丝(包括限位螺丝、拉杆),回针、撑头、弹簧、垃圾钉等。GT9XXX-LOCK-ASM 组装档内包括所有的以下零件:例如:辅助开模机构,强制回位机构,辅助顶出机构,油缸类等。结构简单类模具(类如无行位,斜顶)可以只有 TOP-ASM 和 CORE-ASM,其余全部按以上归类方法设立组装档。1.2 所有模具 3D 零件档按...

1、当您付费下载文档后,您只拥有了使用权限,并不意味着购买了版权,文档只能用于自身使用,不得用于其他商业用途(如 [转卖]进行直接盈利或[编辑后售卖]进行间接盈利)。
2、本站所有内容均由合作方或网友上传,本站不对文档的完整性、权威性及其观点立场正确性做任何保证或承诺!文档内容仅供研究参考,付费前请自行鉴别。
3、如文档内容存在违规,或者侵犯商业秘密、侵犯著作权等,请点击“违规举报”。

碎片内容

工程开发管理规范

元素商铺+ 关注
实名认证
内容提供者

欢迎挑选合适的文档

确认删除?
VIP
微信客服
  • 扫码咨询
会员Q群
  • 会员专属群点击这里加入QQ群
客服邮箱
回到顶部