电脑桌面
添加小米粒文库到电脑桌面
安装后可以在桌面快捷访问

幕墙工程专项安全施工方案VIP免费

幕墙工程专项安全施工方案_第1页
1/6
幕墙工程专项安全施工方案_第2页
2/6
幕墙工程专项安全施工方案_第3页
3/6
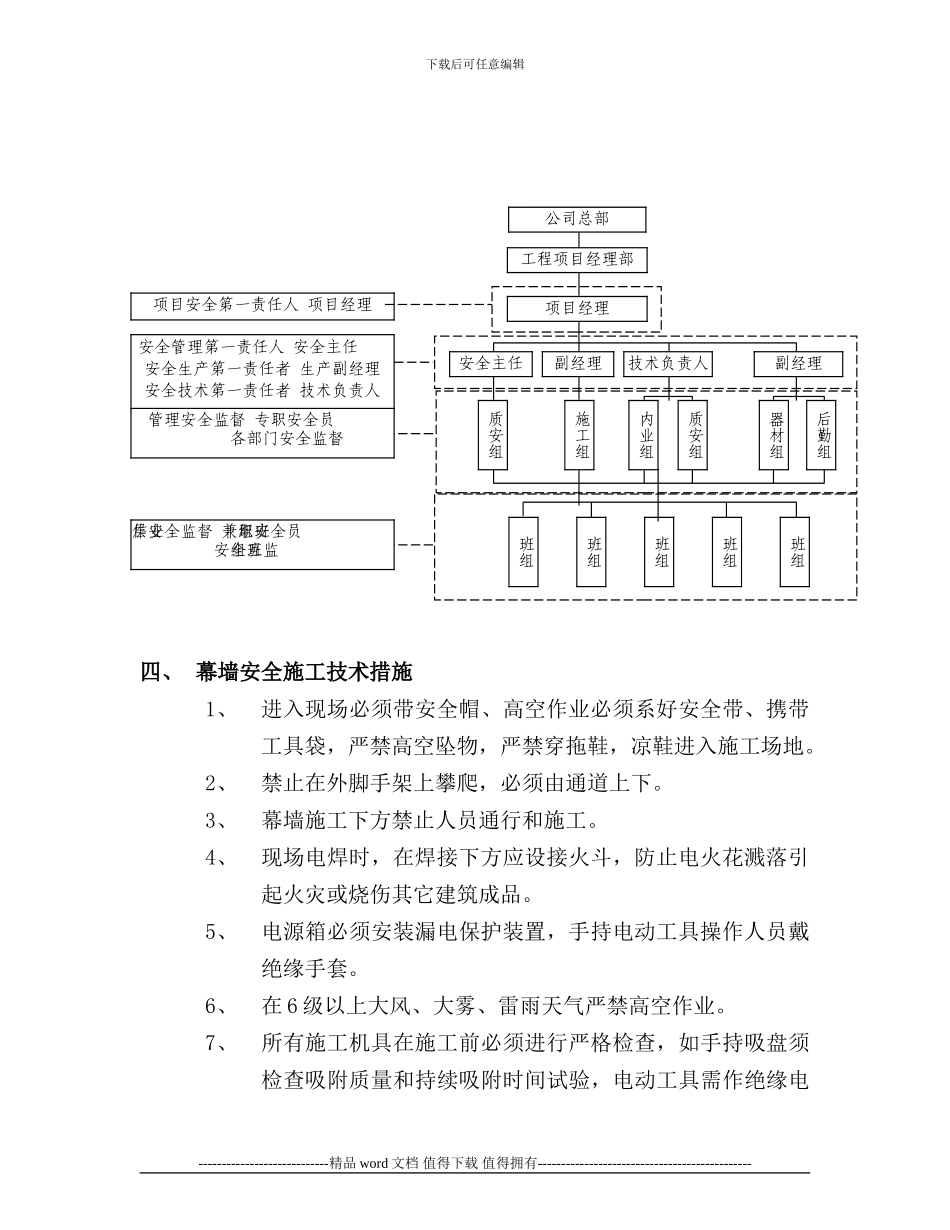
下载后可任意编辑幕墙工程专项安全施工方案一、 编制依据1、《中华人民共和国安全生产法》2、《建设工程项目管理法律规范》3、《建设领域安全生产行政责任规定》4、《广东省建设工程文明施工管理文件汇编》5、〈建筑施工安全管理文件汇编〉6、〈建筑施工安全法规选编〉7、《安全生产文明施工管理规定及办法》及国家、省、市其它关于施工安全的强制性条文。8、《建筑施工安全检查评分标准》及其它建筑施工安全技术法律规范与标准。9、施工合同及有关图纸。10、报批审定的有关施工方案。11、项目部现行的安全文明施工管理的规章制度和岗位责任制等。二、 工程概况省委新一号楼工程由主楼及副楼组成,主楼地下 2 层,地上 15 层,高 69.85 米,副楼地下 1 层,地上 6 层,高 37.15 米。工程总建筑面积48205 平方米,干挂石幕墙面积达 3 万余平方米,因外装饰大量采纳挂石及玻璃幕墙,施工难度大,施工高度又高,外墙作业有一定的危险性,特此编制专项安全施工方案。三、安全生产管理机构:成立以项目经理为首的安全生产管理机构,按施工区域分别确定专职安全员,各生产班组设兼职安全员,建立一整套的安全生产管理体系。 安全管理机构如下图----------------------------精品 word 文档 值得下载 值得拥有----------------------------------------------下载后可任意编辑四、 幕墙安全施工技术措施1、进入现场必须带安全帽、高空作业必须系好安全带、携带工具袋,严禁高空坠物,严禁穿拖鞋,凉鞋进入施工场地。2、禁止在外脚手架上攀爬,必须由通道上下。3、幕墙施工下方禁止人员通行和施工。4、现场电焊时,在焊接下方应设接火斗,防止电火花溅落引起火灾或烧伤其它建筑成品。5、电源箱必须安装漏电保护装置,手持电动工具操作人员戴绝缘手套。6、在 6 级以上大风、大雾、雷雨天气严禁高空作业。7、所有施工机具在施工前必须进行严格检查,如手持吸盘须检查吸附质量和持续吸附时间试验,电动工具需作绝缘电----------------------------精品 word 文档 值得下载 值得拥有----------------------------------------------公司总部工程项目经理部项目经理安全主任副经理技术负责人副经理质安组施工组内业组质安组器材组后勤组班组班组班组班组班组项目安全第一责任人 项目经理安全管理第一责任人 安全主任 安全生产第一责任者 生产副经理安全技术第一责任者 技术负责人管理安全监督 专职安全员 各部门安全监督作...

1、当您付费下载文档后,您只拥有了使用权限,并不意味着购买了版权,文档只能用于自身使用,不得用于其他商业用途(如 [转卖]进行直接盈利或[编辑后售卖]进行间接盈利)。
2、本站所有内容均由合作方或网友上传,本站不对文档的完整性、权威性及其观点立场正确性做任何保证或承诺!文档内容仅供研究参考,付费前请自行鉴别。
3、如文档内容存在违规,或者侵犯商业秘密、侵犯著作权等,请点击“违规举报”。

碎片内容

幕墙工程专项安全施工方案

阳光书坊+ 关注
实名认证
内容提供者

阳光书坊,传播未来

确认删除?
VIP
微信客服
  • 扫码咨询
会员Q群
  • 会员专属群点击这里加入QQ群
客服邮箱
回到顶部