电脑桌面
添加小米粒文库到电脑桌面
安装后可以在桌面快捷访问

建筑施工安全检查表-20240227土建VIP免费

建筑施工安全检查表-20240227土建_第1页
1/35
建筑施工安全检查表-20240227土建_第2页
2/35
建筑施工安全检查表-20240227土建_第3页
3/35
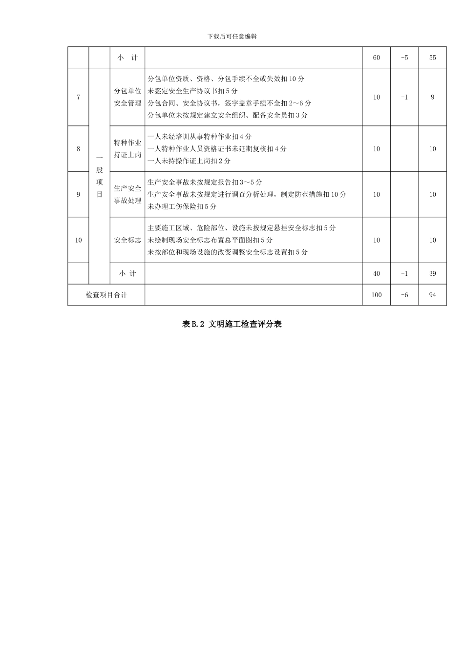
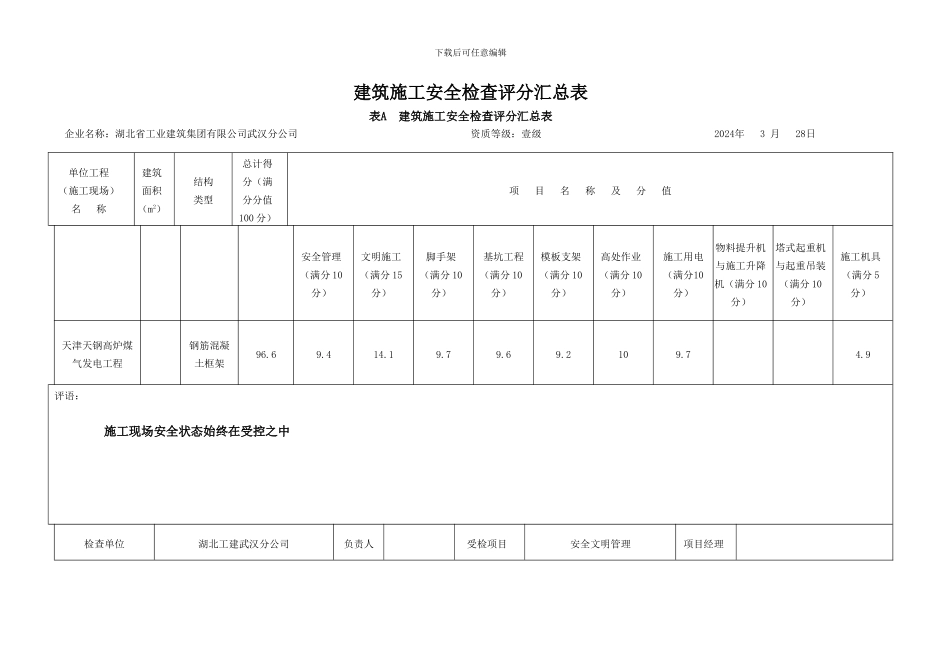
下载后可任意编辑建筑施工安全检查评分汇总表 表A 建筑施工安全检查评分汇总表企业名称:湖北省工业建筑集团有限公司武汉分公司 资质等级:壹级 2024年 3 月 28日单位工程(施工现场)名 称建筑面积(m2)结构类型总计得分(满分分值100 分)项 目 名 称 及 分 值安全管理(满分 10分)文明施工(满分 15分)脚手架(满分 10分) 基坑工程(满分 10分)模板支架(满分 10分)高处作业(满分 10分)施工用电(满分10分)物料提升机与施工升降机(满分 10分)塔式起重机与起重吊装(满分 10分)施工机具(满分 5分)天津天钢高炉煤气发电工程钢筋混凝土框架96.69.414.19.79.69.2109.74.9评语:施工现场安全状态始终在受控之中检查单位湖北工建武汉分公司负责人受检项目安全文明管理项目经理下载后可任意编辑附录 B 建筑施工安全分项检查评分表表 B.1 安全管理检查评分表序号检查项目扣 分 标 准应得分数扣减分数实得分数1保 证 项 目安全生产责任制未建立安全生产责任制扣 10 分安全生产责任制未经责任人签字确认扣 3 分未制定各工种安全技术操作规程扣 10 分未按规定配备专职安全员扣 10 分工程项目部承包合同中未明确安全生产考核指标扣 8 分未制定安全资金保障制度扣 5 分未编制安全资金使用计划及实施扣 2~5 分未制定安全生产管理目标(伤亡控制、安全达标、文明施工)扣 5 分未进行安全责任目标分解的扣 5 分未建立安全生产责任制、责任目标考核制度扣 5 分未按考核制度对管理人员定期考核扣 2~5 分10-192施 工 组织 设 计施工组织设计中未制定安全措施扣 10 分危险性较大的分部分项工程未编制安全专项施工方案,扣 3~8 分未按规定对专项方案进行专家论证扣 10 分施工组织设计、专项方案未经审批扣 10 分安全措施、专项方案无针对性或缺少设计计算扣 6~8 分未按方案组织实施扣 5~10 分10-283安全技术交 底未实行书面安全技术交底扣 10 分交底未做到分部分项扣 5 分交底内容针对性不强扣 3~5 分交底内容不全面扣 4 分交底未履行签字手续扣 2~4 分10104安全检查未建立安全检查(定期、季节性)制度扣 5 分未留有定期、季节性安全检查记录扣 5 分事故隐患的整改未做到定人、定时间、定措施扣 2~6 分对重大事故隐患改通知书所列项目未按期整改和复查扣 8 分10-285安全教育未建立安全培训、教育制度扣 10 分新入场工人未进行三级安全教育和...

1、当您付费下载文档后,您只拥有了使用权限,并不意味着购买了版权,文档只能用于自身使用,不得用于其他商业用途(如 [转卖]进行直接盈利或[编辑后售卖]进行间接盈利)。
2、本站所有内容均由合作方或网友上传,本站不对文档的完整性、权威性及其观点立场正确性做任何保证或承诺!文档内容仅供研究参考,付费前请自行鉴别。
3、如文档内容存在违规,或者侵犯商业秘密、侵犯著作权等,请点击“违规举报”。

碎片内容

建筑施工安全检查表-20240227土建

您可能关注的文档

确认删除?
VIP
微信客服
  • 扫码咨询
会员Q群
  • 会员专属群点击这里加入QQ群
客服邮箱
回到顶部