电脑桌面
添加小米粒文库到电脑桌面
安装后可以在桌面快捷访问

建筑施工安全检查评分表JGJ59-2024版VIP免费

建筑施工安全检查评分表JGJ59-2024版_第1页
1/37
建筑施工安全检查评分表JGJ59-2024版_第2页
2/37
建筑施工安全检查评分表JGJ59-2024版_第3页
3/37
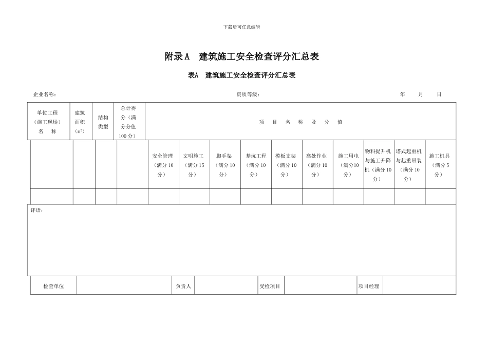
下载后可任意编辑附录 A 建筑施工安全检查评分汇总表 表A 建筑施工安全检查评分汇总表企业名称: 资质等级: 年 月 日单位工程(施工现场)名 称建筑面积(m2)结构类型总计得分(满分分值100 分)项 目 名 称 及 分 值安全管理(满分 10分)文明施工(满分 15分)脚手架(满分 10分) 基坑工程(满分 10分)模板支架(满分 10分)高处作业(满分 10分)施工用电(满分10分)物料提升机与施工升降机(满分 10分)塔式起重机与起重吊装(满分 10分)施工机具(满分 5分)评语:检查单位负责人受检项目项目经理下载后可任意编辑附 录 B 建 筑 施 工 安 全 分 项 检 查 评 分 表表B.1 安全管理检查评分表序号检 查 项 目扣 分 标 准应 得分 数扣 减分 数实 得分 数1保 证 项 目安 全 生产责 任 制未 建 立 安 全 生 产 责 任 制 扣 10 分安 全 生 产 责 任 制 未 经 责 任 人 签 字 确 认 扣 3 分未 制 定 各 工 种 安 全 技 术 操 作 规 程 扣 10 分未 按 规 定 配 备 专 职 安 全 员 扣 10 分工 程 项 目 部 承 包 合 同 中 未 明 确 安 全 生 产 考 核 指 标 扣 8 分未 制 定 安 全 资 金 保 障 制 度 扣 5 分未 编 制 安 全 资 金 使 用 计 划 及 实 施 扣 2 ~ 5 分未 制 定 安 全 生 产 管 理 目 标 ( 伤 亡 控 制 、 安 全 达 标 、 文 明 施工 ) 扣 5 分未 进 行 安 全 责 任 目 标 分 解 的 扣 5 分未 建 立 安 全 生 产 责 任 制 、 责 任 目 标 考 核 制 度 扣 5 分未 按 考 核 制 度 对 管 理 人 员 定 期 考 核 扣 2 ~ 5 分102施 工 组织 设 计施 工 组 织 设 计 中 未 制 定 安 全 措 施 扣 10 分危 险 性 较 大 的 分 部 分 项 工 程 未 编 制 安 全 专 项 施 工 方 案 , 扣 3~ 8 分未 按 规 定 对 专 项 方 案 进 行 专 家 论 证 扣 10 分施 工 组 织 设 计 、 专 项 方 案 未 经 审 批 扣 10 分安 全 措 施 、 专 项 方 案 无 针 对 性 或 缺 少 设 计 计 算 扣 6 ~ 8 分未 按 方 案 组 织 实 施 扣 5 ~ 10 分103安 全 技...

1、当您付费下载文档后,您只拥有了使用权限,并不意味着购买了版权,文档只能用于自身使用,不得用于其他商业用途(如 [转卖]进行直接盈利或[编辑后售卖]进行间接盈利)。
2、本站所有内容均由合作方或网友上传,本站不对文档的完整性、权威性及其观点立场正确性做任何保证或承诺!文档内容仅供研究参考,付费前请自行鉴别。
3、如文档内容存在违规,或者侵犯商业秘密、侵犯著作权等,请点击“违规举报”。

碎片内容

建筑施工安全检查评分表JGJ59-2024版

确认删除?
VIP
微信客服
  • 扫码咨询
会员Q群
  • 会员专属群点击这里加入QQ群
客服邮箱
回到顶部