电脑桌面
添加小米粒文库到电脑桌面
安装后可以在桌面快捷访问

建筑给排水及采暖工程施工现场质量管理记录-------DQ1VIP免费

建筑给排水及采暖工程施工现场质量管理记录-------DQ1_第1页
1/8
建筑给排水及采暖工程施工现场质量管理记录-------DQ1_第2页
2/8
建筑给排水及采暖工程施工现场质量管理记录-------DQ1_第3页
3/8
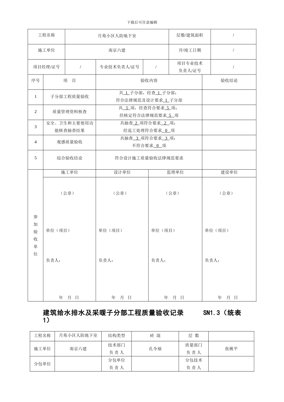
下载后可任意编辑建筑给排水及采暖工程施工现场质量管理记录 DQ1.1工程名称月苑小区人防地下室 施工许可证号宁建基许(2024)第 258 号建设单位南京新月房地产开发公司项目负责人刘劲松设计单位南京市地下工程建筑设计院项目负责人陶刚监理单位江苏成套建设监理有限公司施工单位南京六建主 要 工 种姓名工种持证名称证号发证部门汤小保安装质检员A2155孔令贵安装技术员现场管理制度质量检验制度施工图审查情况施工组织设计及方案审批人现场合作主要设备仪器、仪表名 称型号规格单 位数 量备 注电动套丝机Z2T-1.24台1电锤Z2C-M-26台3热熔器PP-R S2 型台3电钻OLDR-6台2专业施工负责人:年 月 日专业监理工程师: 年 月 日 建筑给排水及采暖分部工程质量验收记录 DQ1.2下载后可任意编辑工程名称月苑小区人防地下室 层数/建筑面积/施工单位南京六建开/竣工日期/项目经理/证号/专业技术负责人/证号/项目专业技术负责人/证号/序号项 目验收内容验收结论1子分部工程质量验收共 1 子分部,经查 1 子分部;符合法律规范及设计要求 1 子分部2质量管理资料核查共 5 项,经查符合要求 5 项;经核定符合法律规范要求 5 项3安全、卫生和主要使用功能核查抽查结果共抽查 2 项符合要求 2 项;经返工处理符合要求 0 项4观感质量验收共抽查 3 项符合要求 3 项;不符合要求 0 项5综合验收结论符合设计施工质量验收法律规范要求参加验收单位施工单位设计单位监理单位建设单位(公章)单位(项目)负责人:年 月 日(公章)单位(项目)负责人:年 月 日(公章)单位(项目)负责人:年 月 日(公章)单位(项目)负责人:年 月 日建筑给水排水及采暖子分部工程质量验收记录 SN1.3(统表1)工程名称月苑小区人防地下室 结构类型砖 混层 数施工单位南京六建技术部门负 责 人孔令福质量部门负 责 人张桃平分包单位分包单位负 责 人分包技术负 责 人下载后可任意编辑序号分项工程名称检 验批 数施工单位检查评定验 收 意 见1室内排水系统安装分项1检查评定合格234567891011质量控制资料应查项数 5 项检查结果好安全和功能检验(检测)报告应查项数 2 项检查结果好观感质量验收应查项数 3 项好: 3 项一般: 0 项差: 0 项验收意见分包单位项目经理: 年 月 日施工单位项目经理: 年 月 日设计单位项目负责人: 年 月 日监理(建设)单 位总监理工程师(建设单位项目专业负责...

1、当您付费下载文档后,您只拥有了使用权限,并不意味着购买了版权,文档只能用于自身使用,不得用于其他商业用途(如 [转卖]进行直接盈利或[编辑后售卖]进行间接盈利)。
2、本站所有内容均由合作方或网友上传,本站不对文档的完整性、权威性及其观点立场正确性做任何保证或承诺!文档内容仅供研究参考,付费前请自行鉴别。
3、如文档内容存在违规,或者侵犯商业秘密、侵犯著作权等,请点击“违规举报”。

碎片内容

建筑给排水及采暖工程施工现场质量管理记录-------DQ1

您可能关注的文档

确认删除?
VIP
微信客服
  • 扫码咨询
会员Q群
  • 会员专属群点击这里加入QQ群
客服邮箱
回到顶部