电脑桌面
添加小米粒文库到电脑桌面
安装后可以在桌面快捷访问

建筑节能施工方案(包括幕墙)VIP免费

建筑节能施工方案(包括幕墙)_第1页
1/26
建筑节能施工方案(包括幕墙)_第2页
2/26
建筑节能施工方案(包括幕墙)_第3页
3/26
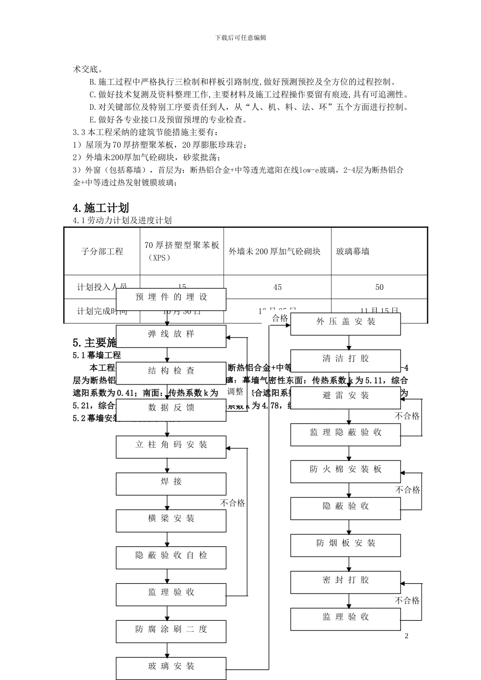
下载后可任意编辑1.工程概况:工程名称xxxxxxxx建设单位xxxxxxxxxxxxxxxx设计单位xxxxxxxxx 有限公司监理单位xxxxxxxxxxxxxx 监理有限公司施工总包xxxxxxxxxxx 股份有限公司建设地点xxxxxxxxxxxxxxxxxx建筑规模81558㎡2.编制依据:1)建筑工程施工质量统一验收标准 GB50300-20012)外墙外保温工程技术规程 JGJ144-20243)《建筑节能工程施工质量验收法律规范》GB 50411-20244)《民用建筑节能设计标准(采暖居住建筑部分)》JGJ26-955)《公共建筑节能设计标准》GB50189-20246)《公共建筑节能设计标准》DBJ 01-621-20247)《建筑玻璃应用技术规程》JGJ 113-20248)《绿色建筑评价标准》GB/50378-20249)设计图纸3.施工部署:3.1 建筑节能工程技术质量管理体系为了贯彻国家建筑节能的政策,加强建筑节能工程的施工管理。我项目经理部成立了以项目经理为组长;项目生产副经理、项目总工为副组长的建筑节能工程施工领导小组,其机构组成、人员编制及责任分工如下:组 长:(项目经理)——负责组织协调工作副组长:(生产副经理)——负责现场施工指挥、质量监督工作(项目总工)——技术总部署、方案编制及交底组 员:各施工工长 3.2 质量保证体系以质量生存、求进展是我公司的质量方针。我项目经理部通过仔细学习建筑节能工程相关规程、法律规范、标准,强化质量意识,建立了行之有效的法律规范化质量管理体系,能够使建筑节能工程的各项工作均处于良好的受控状态。在施工过程中,我项目经理部将严格根据相关规程、法律规范、标准等执行。为完成好本工程的建筑节能工程,根据本工程的特点,我项目经理部将对以下环节作为建筑节能工程的质量控制点:(1)分包单位的选择:建筑节能工程的分包单位,应选择有类视工程施工经验的队伍,并对其在施工程(或已完工的工程)进行考察。(2)建筑节能材料的检验A. 建筑节能材料须有本市材料准用证、检验报告及出厂合格证,主要材料必须有材料交易证。B.材料使用前必须经复试合格后方能使用。对特别材料须进行放射性物质及有害气体的环保检验。(3)制定相应技术措施,作好工序过程控制。A.施工前应做好图纸审查工作,将技术关口前移。施工前仔细编好作业指导书,做好技1下载后可任意编辑术交底。B.施工过程中严格执行三检制和样板引路制度,做好预测预控及全方位的过程控制。C.做好技术复测及资料整理工作,主要材料及施工过程操作要留有痕迹,具有可追溯性。D.对关键部位及特别工序要责任到人,从“...

1、当您付费下载文档后,您只拥有了使用权限,并不意味着购买了版权,文档只能用于自身使用,不得用于其他商业用途(如 [转卖]进行直接盈利或[编辑后售卖]进行间接盈利)。
2、本站所有内容均由合作方或网友上传,本站不对文档的完整性、权威性及其观点立场正确性做任何保证或承诺!文档内容仅供研究参考,付费前请自行鉴别。
3、如文档内容存在违规,或者侵犯商业秘密、侵犯著作权等,请点击“违规举报”。

碎片内容

建筑节能施工方案(包括幕墙)

人从众+ 关注
实名认证
内容提供者

欢迎光临小店,本店以公文和教育为主,希望符合您的需求。

确认删除?
VIP
微信客服
  • 扫码咨询
会员Q群
  • 会员专属群点击这里加入QQ群
客服邮箱
回到顶部