电脑桌面
添加小米粒文库到电脑桌面
安装后可以在桌面快捷访问

建设工程施工安全监督档案资料明细表VIP免费

建设工程施工安全监督档案资料明细表_第1页
1/5
建设工程施工安全监督档案资料明细表_第2页
2/5
建设工程施工安全监督档案资料明细表_第3页
3/5
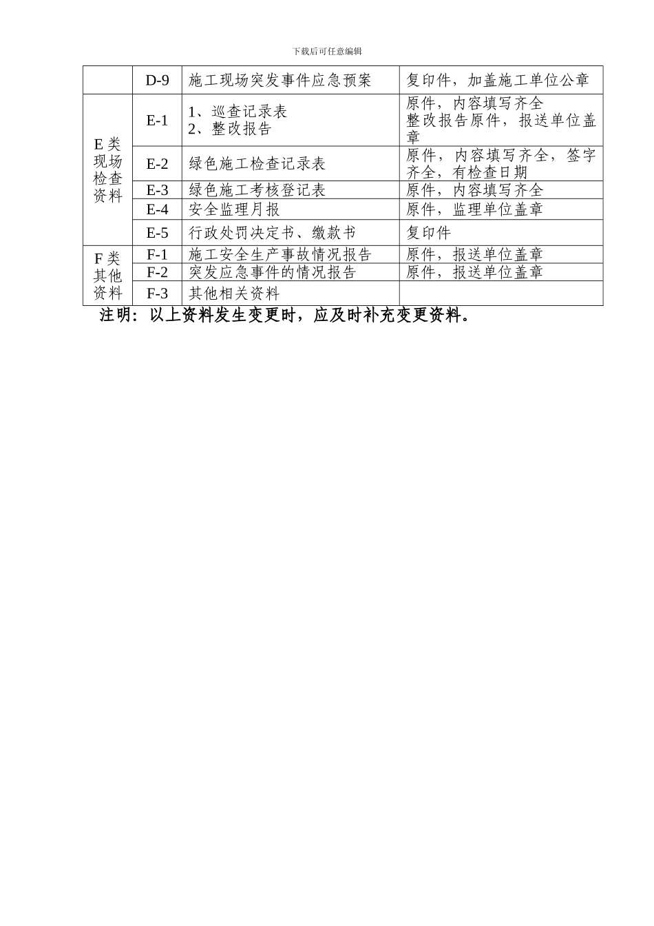
下载后可任意编辑建设工程施工安全监督档案资料明细表类别编号资 料 名 称存 档 要 求A 类建设单位资料A-1建筑工程施工许可证复印件,加盖建设单位公章A-2建设单位法人营业执照复印件,加盖建设单位公章A-3建设单位安全管理人员的委托书原件,加盖建设单位公章B 类施工单位资料B-1施工单位法人营业执照复印件,加盖施工单位公章B-2施工单位资质等级证书复印件,加盖施工单位公章B-3施工单位安全生产许可证复印件,加盖施工单位公章B-4施工单位组织机构代码复印件,加盖施工单位公章B-5施工单位项目经理委托任命书原件,加盖施工单位公章B-6施工单位项目经理执业资格证书复印件,加盖施工单位公章B-7施工单位专职安全管理人员执业资格证书复印件,加盖施工单位公章C 类监理单位资料C-1监理单位法人营业执照复印件,加盖监理单位公章C-2监理单位资质等级证书复印件,加盖监理单位公章C-3监理单位组织机构代码复印件,加盖监理单位公章C-4总监理工程师委托任命书复印件,加盖监理单位公章C-5总监理工程师执业资格证书复印件,加盖监理单位公章C-6安全监理工程师执业资格证书复印件,加盖监理单位公章D 类现场安全备案资料D 类现场安全备案资料D-1保险凭证复印件,加盖监理单位公章D-2项目安全管理人员一览表原件,加盖建设单位、施工单位、监理单位公章D-3《建设工程施工安全监督及管理告知书》及交底会签到表原件,加盖建设单位、施工单位、监理单位公章D-4北京市施工现场安全监督备案登记表安全资料用表:表 AQ-A-1原件,加盖建设单位、施工单位、监理单位公章D-5危险性较大分部分项工程清单原件,加盖建设单位公章D-6危险性较大的分部分项工程专家论证表安全资料用表:表 AQ-C1-4复印件,加盖施工单位公章D-7施工现场起重机械拆装和验收核查表安全资料用表:表 AQ-B2-2、表 AQ-B2-3复印件,加盖监理单位公章D-8施工现场起重机械使用登记复印件,加盖施工单位公章下载后可任意编辑D-9施工现场突发事件应急预案复印件,加盖施工单位公章E 类现场检查资料E-11、巡查记录表2、整改报告原件,内容填写齐全 整改报告原件,报送单位盖章E-2绿色施工检查记录表原件,内容填写齐全,签字齐全,有检查日期E-3绿色施工考核登记表原件,内容填写齐全E-4安全监理月报原件,监理单位盖章E-5行政处罚决定书、缴款书复印件F 类其他资料F-1施工安全生产事故情况报告原件,报送单位盖章F-2突发应急事件的情况报告原件,报送单位盖章F-3其他相关资料...

1、当您付费下载文档后,您只拥有了使用权限,并不意味着购买了版权,文档只能用于自身使用,不得用于其他商业用途(如 [转卖]进行直接盈利或[编辑后售卖]进行间接盈利)。
2、本站所有内容均由合作方或网友上传,本站不对文档的完整性、权威性及其观点立场正确性做任何保证或承诺!文档内容仅供研究参考,付费前请自行鉴别。
3、如文档内容存在违规,或者侵犯商业秘密、侵犯著作权等,请点击“违规举报”。

碎片内容

建设工程施工安全监督档案资料明细表

津创媒+ 关注
实名认证
内容提供者

欢迎交流文创,小店资料希望满足您的需要。

确认删除?
VIP
微信客服
  • 扫码咨询
会员Q群
  • 会员专属群点击这里加入QQ群
客服邮箱
回到顶部