电脑桌面
添加小米粒文库到电脑桌面
安装后可以在桌面快捷访问

御景国际施工方案VIP专享VIP免费

御景国际施工方案_第1页
1/9
御景国际施工方案_第2页
2/9
御景国际施工方案_第3页
3/9
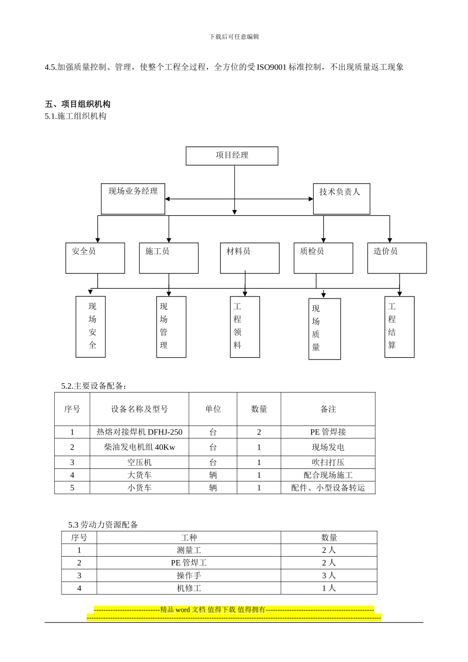
下载后可任意编辑万年县御景国际一期低压燃气工程施工 组织 设计编制: 审核: 批准: 编制单位:镇江蓝焰燃气工程有限公司二 0 一四年五月二十三日----------------------------精品 word 文档 值得下载 值得拥有---------------------------------------------------------------------------------------------------------------------------------------------------------------------------下载后可任意编辑一、编制依据1.1《城镇燃气设计法律规范》(GB50028-2024)1.2《城镇燃气技术法律规范》(GB50494-2024)1.3《城镇燃气输配工程施工及验收法律规范》(CJJ33-2024)1.4《建筑设计防火法律规范》(GB50016-2024)1.5《工业金属管道施工及验收法律规范》(GB50235-97)1.6《聚乙烯燃气管道工程技术规程》(CJJ63-2024) 1.7聚乙烯燃气管道应符合现行的国家标准《燃气用埋地聚乙烯燃气管材》(GB15558.1)和《燃气用埋地聚乙烯燃气管件》(GB15558.2)1.8无缝钢管应符合现行的国家标准《输送流体用无缝钢管》(GB/T8163)二、工程概况2.1 主要工程量:PE 管 dn90×8.2-80m dn63×5.8-750m dn32×3.0-12m镀锌钢管 DN50-300m DN40-270m DN25-1000m DN15-1050mPE 球阀 dn90-1 只楼栋调压箱 Q=50m³-4 套 2.2 本工程管道设计介质为天然气2.3 本工程中压管线设计压力为 0.4Mpa,调压柜后低压管线设计压力为 5Kpa,灶具额定工作压力为2Kpa。2.4 本工程管线全部采纳沟埋敷设。2.5 参见单位 设计单位:江西省煤矿设计院 建设单位:万年县天然气有限公司 监理单位:广东工程建设监理有限公司施工单位:镇江蓝焰燃气工程有限公司三、施工方案及施工部署3.1.施工方案:管沟采纳机械开挖、夯填、余土外运。PE 管焊接、打压、流水作业。施工工序:施工准备→测量放线→管沟人工开挖→PE 管转运→布管→组装→焊接→下沟→夯填→户内安装→吹扫打压验收→地貌恢复→竣工。3.2.施工部署:3.2.1 建立健全的质量保证管理体系,安全管理体系,工程施工管理体系等管理网络,严格按设计图纸、技术标准和施工验收法律规范精心组织施工,并在施工全过程中,实施关键线路控制,确保提前完成施工任务。3.2.2 进行专业分工,坚持“三检制”制度,以提高工序质量来保证工程整体质量,以确保工程质量达到业主要求。四、施工工期保证措施4.1.根据工程情况,编制工程计划,以大局为重,优化组合,确保施工进度按计划完成。4.2...

1、当您付费下载文档后,您只拥有了使用权限,并不意味着购买了版权,文档只能用于自身使用,不得用于其他商业用途(如 [转卖]进行直接盈利或[编辑后售卖]进行间接盈利)。
2、本站所有内容均由合作方或网友上传,本站不对文档的完整性、权威性及其观点立场正确性做任何保证或承诺!文档内容仅供研究参考,付费前请自行鉴别。
3、如文档内容存在违规,或者侵犯商业秘密、侵犯著作权等,请点击“违规举报”。

碎片内容

御景国际施工方案

确认删除?
VIP
微信客服
  • 扫码咨询
会员Q群
  • 会员专属群点击这里加入QQ群
客服邮箱
回到顶部