电脑桌面
添加小米粒文库到电脑桌面
安装后可以在桌面快捷访问

扬州市建筑施工文明工地现场考核评分表VIP免费

扬州市建筑施工文明工地现场考核评分表_第1页
1/7
扬州市建筑施工文明工地现场考核评分表_第2页
2/7
扬州市建筑施工文明工地现场考核评分表_第3页
3/7
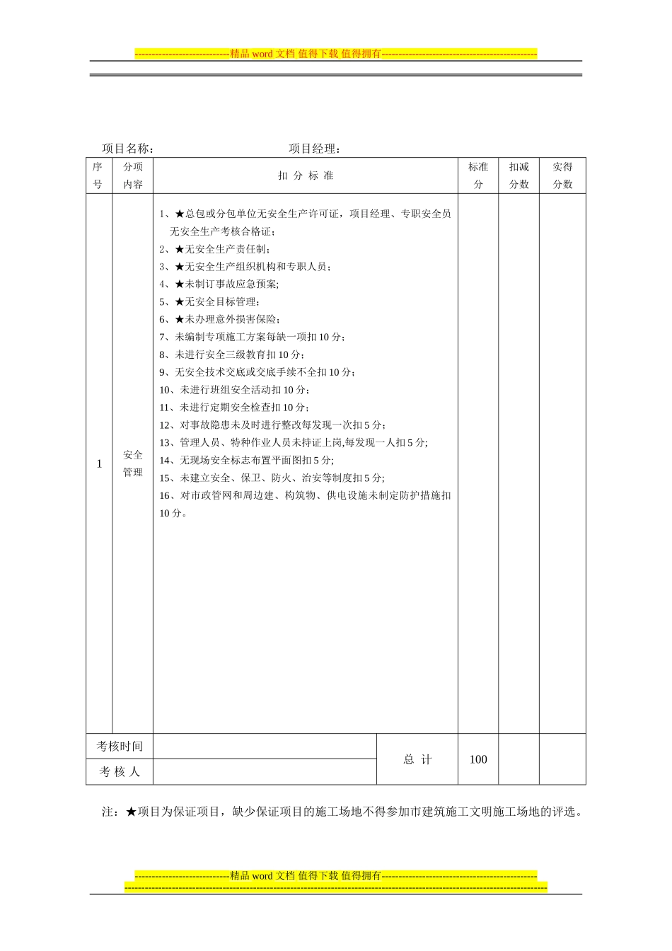
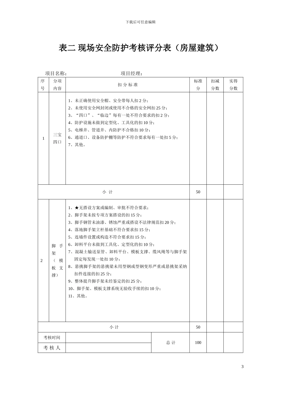
下载后可任意编辑附件 5扬州市建筑施工文明施工场地现场考核评分表(房屋建筑)工程名称建筑面积工程地点结构层次申报单位项目经理建设单位形象进度监理单位总监姓名安全管理(25 分)安全防护(25 分)临时用电和机械设备(25 分)文明施工(25 分)总分评语:现场考核组组长(签字)现场考核组成员(签字)现场考核时间表一 现场安全管理考核评分表(房屋建筑)1----------------------------精品 word 文档 值得下载 值得拥有----------------------------------------------项目名称: 项目经理:序号分项内容扣 分 标 准标准分扣减分数实得分数1安全管理1、★总包或分包单位无安全生产许可证,项目经理、专职安全员无安全生产考核合格证;2、★无安全生产责任制;3、★无安全生产组织机构和专职人员; 4、★未制订事故应急预案;5、★无安全目标管理;6、★未办理意外损害保险;7、未编制专项施工方案每缺一项扣 10 分;8、未进行安全三级教育扣 10 分;9、无安全技术交底或交底手续不全扣 10 分;10、未进行班组安全活动扣 10 分;11、未进行定期安全检查扣 10 分;12、对事故隐患未及时进行整改每发现一次扣 5 分;13、管理人员、特种作业人员未持证上岗,每发现一人扣 5 分;14、无现场安全标志布置平面图扣 5 分;15、未建立安全、保卫、防火、治安等制度扣 5 分;16、对市政管网和周边建、构筑物、供电设施未制定防护措施扣10 分。考核时间总 计100考 核 人注:★项目为保证项目,缺少保证项目的施工场地不得参加市建筑施工文明施工场地的评选。----------------------------精品 word 文档 值得下载 值得拥有---------------------------------------------------------------------------------------------------------------------------------------------------------------------------下载后可任意编辑表二 现场安全防护考核评分表(房屋建筑)项目名称: 项目经理: 序号分项内容扣 分 标 准标准分扣减分数实得分数1三宝四口1、未正确使用安全帽、安全带每人扣 2 分;2、未使用安全网封闭或使用不合格的安全网扣 25 分;3、“四口”、“临边”每有一处不符合要求的扣 2 分;4、防护设施未做到定型化、工具化的扣 10 分;5、电梯井、管道井、内防护不合格扣 10 分;6、通道口、设备防护棚等防护不符合要求每有一处扣 5 分;7、其他。小 计502脚 手架( 模板 支撑)1、...

1、当您付费下载文档后,您只拥有了使用权限,并不意味着购买了版权,文档只能用于自身使用,不得用于其他商业用途(如 [转卖]进行直接盈利或[编辑后售卖]进行间接盈利)。
2、本站所有内容均由合作方或网友上传,本站不对文档的完整性、权威性及其观点立场正确性做任何保证或承诺!文档内容仅供研究参考,付费前请自行鉴别。
3、如文档内容存在违规,或者侵犯商业秘密、侵犯著作权等,请点击“违规举报”。

碎片内容

扬州市建筑施工文明工地现场考核评分表

确认删除?
VIP
微信客服
  • 扫码咨询
会员Q群
  • 会员专属群点击这里加入QQ群
客服邮箱
回到顶部