电脑桌面
添加小米粒文库到电脑桌面
安装后可以在桌面快捷访问

承台施工技术交底记录VIP专享VIP免费

承台施工技术交底记录_第1页
1/7
承台施工技术交底记录_第2页
2/7
承台施工技术交底记录_第3页
3/7
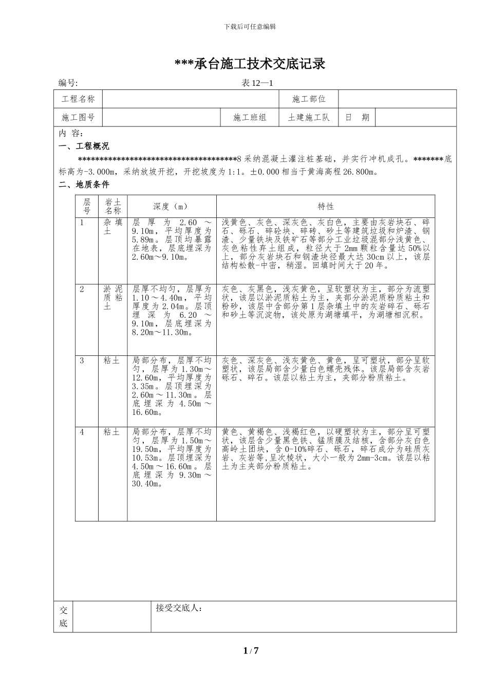
下载后可任意编辑***承台施工技术交底记录编号: 表 12—1工程名称施工部位施工图号施工班组土建施工队日 期内 容:一、工程概况*************************************8 采纳混凝土灌注桩基础,并实行冲机成孔。*******底标高为-3.000m,采纳放坡开挖,开挖坡度为 1:1。±0.000 相当于黄海高程 26.800m。二、地质条件交底接受交底人: 1 / 7层号岩土名称深度(m)特性1杂 填土层 厚 为2.60 ~9.10m,平均厚度为5.89m。层顶均暴露在地表,层底埋深为2.60m~9.10m。浅黄色、灰色、深灰色、灰白色,主要由灰岩块石、碎石、砾石、碎砼块、碎砖、砂土等建筑垃圾和炉渣、钢渣、少量铁块及铁矿石等部分工业垃圾混部分浅黄色、灰色粘性弃土组成,粒径大于 2mm 颗粒含量达 50%以上,部分灰岩块石和钢渣块径最大达 30cm 以上,该层结构松散-中密,稍湿。回填时间大于 20 年。2淤 泥质 粘土层厚不均匀,层厚为1.10 ~ 4.40m , 平 均厚度为 2.04m。层顶埋 深 为6.20 ~9.10m,层底埋深为8.20m~11.30m。灰色、灰黑色,浅灰黄色,呈软塑状为主,部分为流塑状,该层以淤泥质粘土为主,夹部分淤泥质粉质粘土和粉砂,该层中含部分第 1 层杂填土中的灰岩碎石、砾石和砂土等沉淀物,该处原为湖塘填平,为湖塘相沉积。3粘土局部分布,层厚不均匀,层厚为 1.30m~12.60m,平均厚度为3.35m。层顶埋深为2.60m ~ 11.30m 。 层底 埋 深 为 4.50m ~16.60m。灰色、深灰色、浅灰黄色、黄色,呈可塑状,部分呈软塑状,该层局部含少量白色螺壳残体。该层局部含灰岩砾石、碎石。该层以粘土为主,夹部分粉质粘土。4粘土局部分布,层厚不均匀,层厚为 1.50m~19.50m,平均厚度为10.53m。层顶埋深为4.50m ~ 16.60m 。 层底 埋 深 为 9.30m ~30.40m。黄色、黄褐色、浅褐红色,以硬塑状为主,部分呈可塑状,该层含少量黑色铁、锰质膜及结核,含部分灰白色高岭土团块,含 0-10%碎石、砾石,碎石成分为硅质灰岩、灰岩等,呈次棱状,大小一般为 2mm-3cm。该层以粘土为主夹部分粉质粘土。下载后可任意编辑人***承台施工技术交底记录编号: 表 12—1工程名称施工部位施工图号施工班组土建施工队日 期内 容:三、水文1、场地地下水为上层滞水类型,场地地下水埋藏较浅,在建主厂房之前,勘察实测 97 个孔的地下稳定水位:水位高程在 24.50 米至 22.08 米之间,平均高程为 22.98 米;水位埋深在 2.50 米至 5.10 ...

1、当您付费下载文档后,您只拥有了使用权限,并不意味着购买了版权,文档只能用于自身使用,不得用于其他商业用途(如 [转卖]进行直接盈利或[编辑后售卖]进行间接盈利)。
2、本站所有内容均由合作方或网友上传,本站不对文档的完整性、权威性及其观点立场正确性做任何保证或承诺!文档内容仅供研究参考,付费前请自行鉴别。
3、如文档内容存在违规,或者侵犯商业秘密、侵犯著作权等,请点击“违规举报”。

碎片内容

承台施工技术交底记录

确认删除?
VIP
微信客服
  • 扫码咨询
会员Q群
  • 会员专属群点击这里加入QQ群
客服邮箱
回到顶部