电脑桌面
添加小米粒文库到电脑桌面
安装后可以在桌面快捷访问

承台施工技术方案VIP专享VIP免费

承台施工技术方案_第1页
1/11
承台施工技术方案_第2页
2/11
承台施工技术方案_第3页
3/11
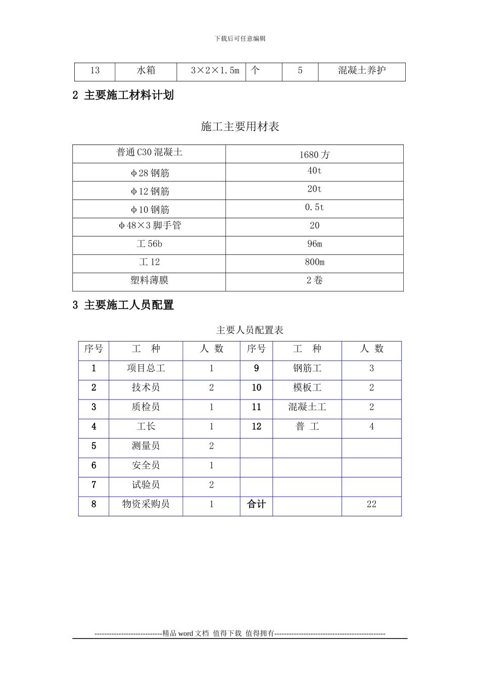
下载后可任意编辑K0+300.45 跨线桥 2#台承台施工技术方案1 工程概况1.1 工程概况云南省昆明绕城高速公路 2 合同段起点里程桩号为 K9+380,止点里程桩号为 K15+820,设计里程长度为 6.44 千米。主要桥梁包括小明村大桥、白眉村大桥、妥目村 1 号、2 号大桥、明朗互通立交、2 座 3×20m 中桥。桥梁承台尺寸包括 2.7×2.7m(桩基桩径为 1.7m 时)、2.9×2.9m(桩基桩径为 1.9m 时)、3.1×3.1m(桩基桩径为 2.1m 时)三种。承台混凝土标号为 C30,承台及系梁的连接形式有如下三种类型Ⅰ 类:承台间无系梁连接Ⅱ 类:系梁两端与承台相连接----------------------------精品 word 文档 值得下载 值得拥有----------------------------------------------下载后可任意编辑Ⅲ 类:系梁一端与承台相连,一端与墩柱相连1.2 施工计划本分项工程计划于 2024 年 10 月 05 日开工,2024 年 10 月 09 日完工。2 施工资源计划2.1 主要机械设备一览表序号机械设备规格单位数量备注1汽车吊车25t台1吊钢筋2汽车5t台1运送半成品钢筋3发电机250KVA台1为工程提供电源4砼罐车8m3台2商砼公司提供5空压机3m3/min台1桩头凿除6钢筋弯曲机40mm台1钢筋加工7钢筋切割机40mm台1钢筋加工8钢筋调直机40mm台1钢筋加工9电焊机500A台4钢筋焊接10千斤顶QL32台20系梁支架11水泵50m 扬程台20混凝土养护12料斗1 方个2调运混凝土----------------------------精品 word 文档 值得下载 值得拥有----------------------------------------------下载后可任意编辑13水箱3×2×1.5m个5混凝土养护2 主要施工材料计划施工主要用材表普通 C30 混凝土1680 方φ28 钢筋40tφ12 钢筋20tφ10 钢筋0.5tφ48×3 脚手管20工 56b96m工 12800m塑料薄膜2 卷3 主要施工人员配置主要人员配置表序号工 种人 数序号工 种人 数1项目总工19钢筋工32技术员210模板工23质检员111混凝土工24工长112普 工45测量员26安全员17试验员28物资采购员1合计22----------------------------精品 word 文档 值得下载 值得拥有----------------------------------------------施工准备工作承台、墩身预埋钢筋加工承台基坑开挖基坑处理及边坡防护桩头处理浇筑基坑砼砂浆垫层承台、墩柱预埋钢筋绑扎钢模板安装承台混凝土浇筑混凝土养护墩柱施工准备侧模拆除下载后可任意编辑3 施工方法3.1 承台施工工艺流程承台施工工艺流程如图 1.1 所示图 1.1 承台施...

1、当您付费下载文档后,您只拥有了使用权限,并不意味着购买了版权,文档只能用于自身使用,不得用于其他商业用途(如 [转卖]进行直接盈利或[编辑后售卖]进行间接盈利)。
2、本站所有内容均由合作方或网友上传,本站不对文档的完整性、权威性及其观点立场正确性做任何保证或承诺!文档内容仅供研究参考,付费前请自行鉴别。
3、如文档内容存在违规,或者侵犯商业秘密、侵犯著作权等,请点击“违规举报”。

碎片内容

承台施工技术方案

确认删除?
VIP
微信客服
  • 扫码咨询
会员Q群
  • 会员专属群点击这里加入QQ群
客服邮箱
回到顶部