电脑桌面
添加小米粒文库到电脑桌面
安装后可以在桌面快捷访问

换热站工程室外管线施工方案新VIP免费

换热站工程室外管线施工方案新_第1页
1/36
换热站工程室外管线施工方案新_第2页
2/36
换热站工程室外管线施工方案新_第3页
3/36
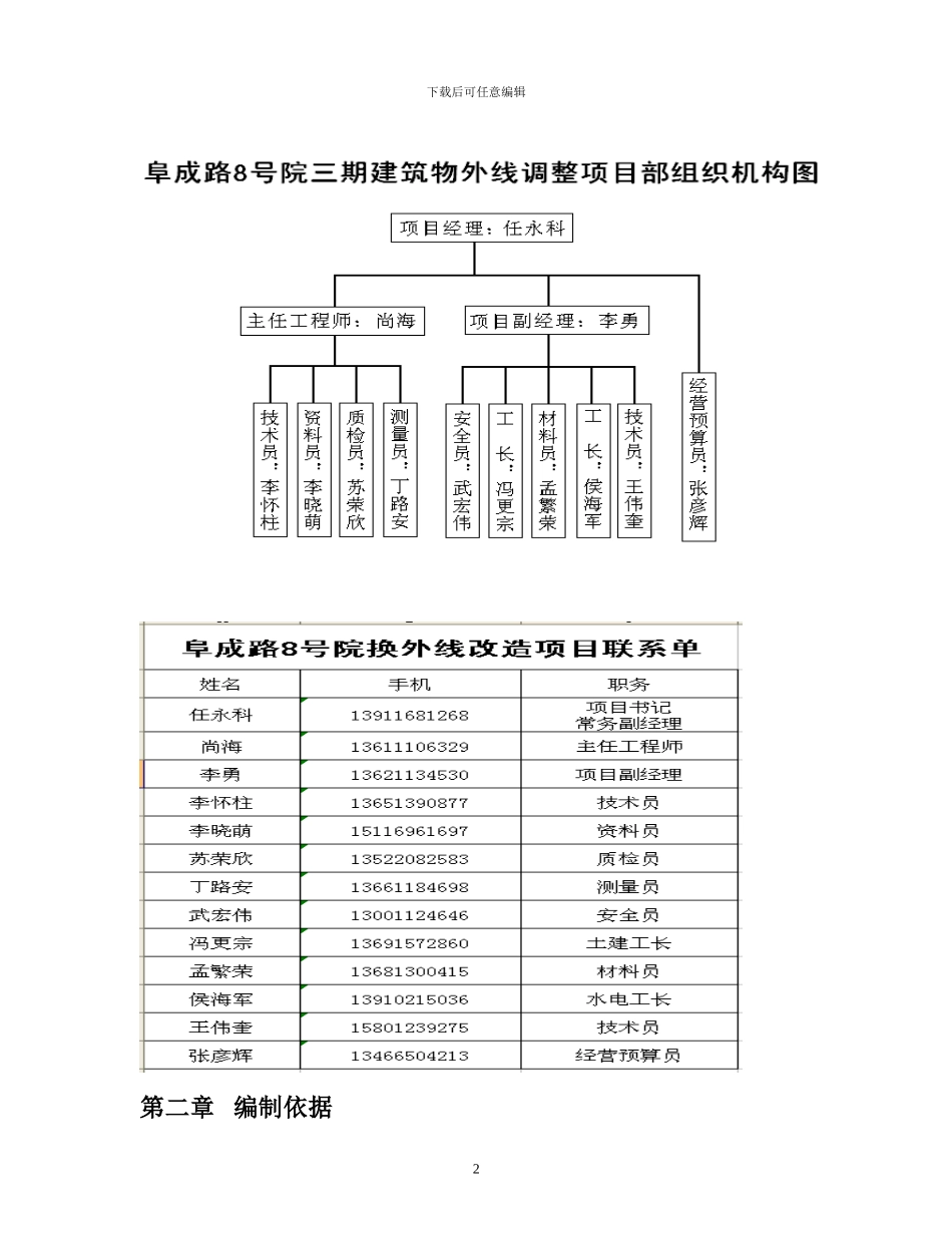
中航天建设工程公司 阜成路 8 号院三期建筑物外线调整施工方案中航天建设工程公司二 O 一 O 年三月下载后可任意编辑目 录第一章 组织机构及人员联系单.......................- 2 -第二章 编制依据...................................- 3 -第三章 工程概况...................................- 3 -第四章 施工方案...................................- 4 -第五章 质量、安全措施............................- 29 -第六章 施工部署及进度计划........................- 30 -第七章 施工进度及保证措施.........................- 32 -第八章 雨季施工措施...............................- 35 -第一章 组织机构及人员联系单1下载后可任意编辑第二章 编制依据2下载后可任意编辑一、设计图纸文件《新建换热站附近给水排水总平面图及说明》中国航天建筑设计讨论院《幼儿园附近新增排水管线及拆除管线示意图》(中国航天建筑设计讨论院《配合阜成路 8 号院三期建筑物外线调整图》中国航天建筑设计讨论院二、施工规程、法律规范、验收标准以及图集《排水检查井》(02S515)《钢筋混凝土化粪池》(03S702) 《建筑给水及采暖工程施工质量验收法律规范》GB50242-2024《市政排水管渠工程质量检验评定标准》CJJ3-97《室外热力管道安装》03R41-1《室外热力管道地沟》03R411-2《室外管道直埋敷设》05R410《室外热力管道支座》97R412《管道与设备绝热-保温》08R418-1第三章 工程概况一、工程总体概况3下载后可任意编辑工程名称:阜成路 8 号院三期建筑物外线调整建设单位:中国航天科技集团公司 中国航天科工集团公司设计单位:中国航天建筑设计讨论院总承包单位:中航天建设工程公司本工程位于北京市海淀区阜成路 8 号院内该外线工程包括新增管道敷设,新建管沟,检查井,入户井,化粪池等管线附属构筑物。二、工程概况 管线改造工程管线改造包括新增管线的敷设及其附属设施的建设。新增管线:原有换热站南侧雨、污水管道,新建幼儿园西侧路上排污管道,西区及东区采暖、空调、生活热水管道。新增管线敷设:包括沟槽的开挖,管道安装,沟槽回填,并对其路面进行恢复。管线附属构筑物施工:雨、污、热水检查井,热力站入户井的砌筑,热水管沟的砌筑。化粪池工程新建 12HC 型化粪池,长度 12m,宽度 3.2m,高度 3.7m,覆盖土厚度1.9m,为钢筋混凝土浇注。4下载后可任意编辑第四章 施工方案管道及其构筑物施...

1、当您付费下载文档后,您只拥有了使用权限,并不意味着购买了版权,文档只能用于自身使用,不得用于其他商业用途(如 [转卖]进行直接盈利或[编辑后售卖]进行间接盈利)。
2、本站所有内容均由合作方或网友上传,本站不对文档的完整性、权威性及其观点立场正确性做任何保证或承诺!文档内容仅供研究参考,付费前请自行鉴别。
3、如文档内容存在违规,或者侵犯商业秘密、侵犯著作权等,请点击“违规举报”。

碎片内容

换热站工程室外管线施工方案新

确认删除?
VIP
微信客服
  • 扫码咨询
会员Q群
  • 会员专属群点击这里加入QQ群
客服邮箱
回到顶部