电脑桌面
添加小米粒文库到电脑桌面
安装后可以在桌面快捷访问

通信工程检验批质量验收表格VIP免费

通信工程检验批质量验收表格_第1页
1/7
通信工程检验批质量验收表格_第2页
2/7
通信工程检验批质量验收表格_第3页
3/7
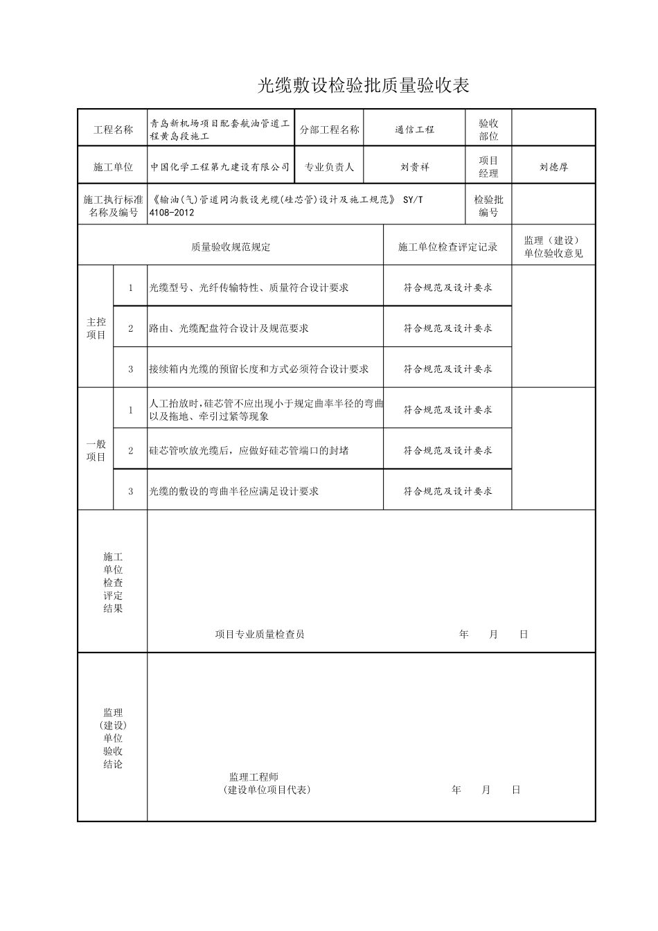
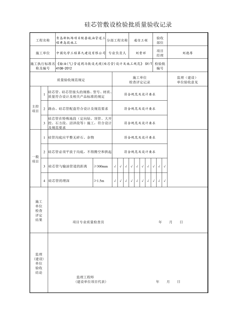
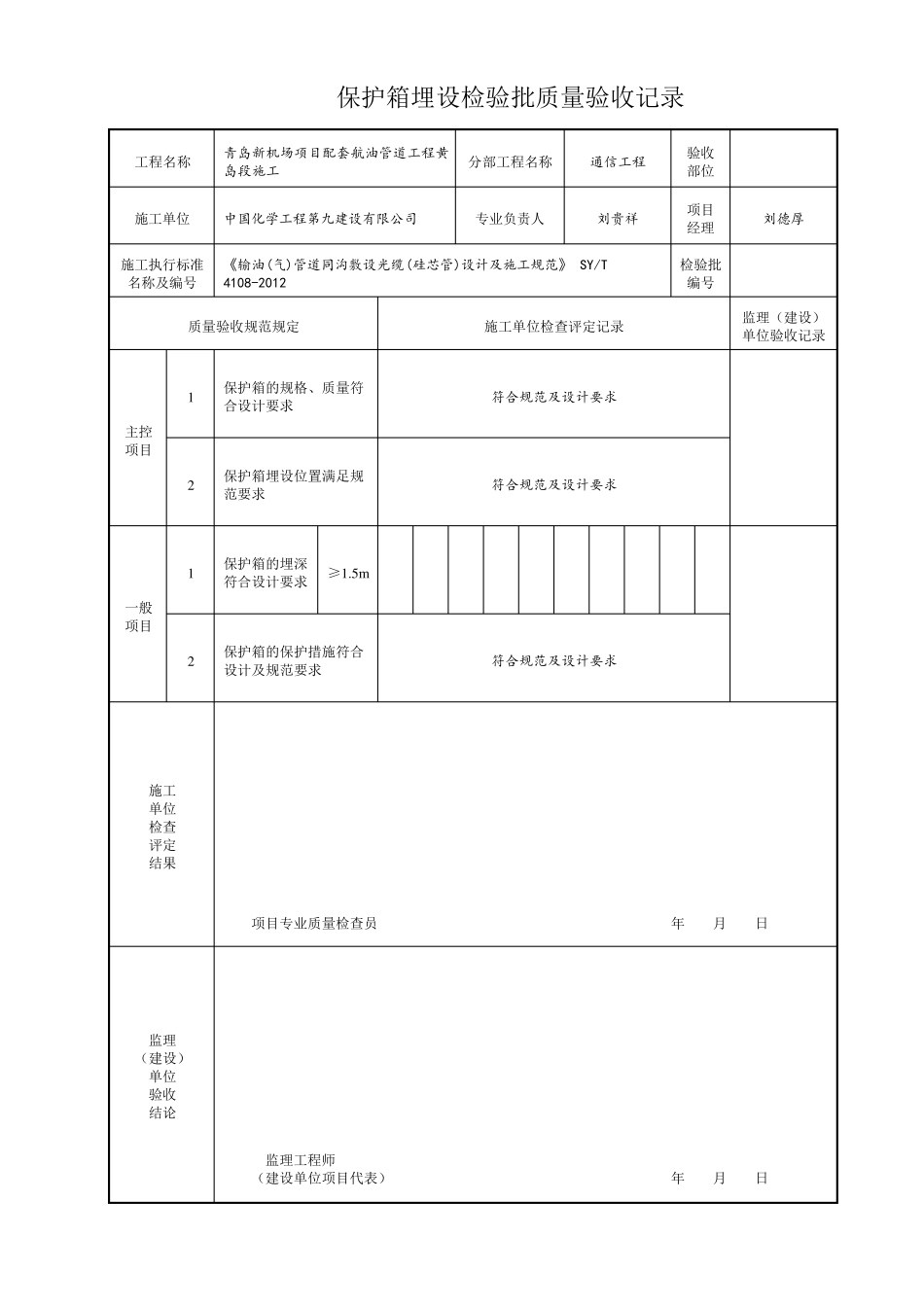
硅芯管敷设检验批质量验收记录 工程名称 青岛新机场项目配套航油管道工程黄岛段施工 分部工程名称 通信工程 验收 部位 施工单位 中国化学工程第九建设有限公司 专业负责人 刘贵祥 项目 经理 刘德厚 施工执行标准名称及编号 《输油(气)管道同沟敷设光缆(硅芯管)设计及施工规范》 SY/T 4108-2012 检验批编号 质量验收规范规定 施工单位 检查评定记录 监理(建设) 单位验收意见 主控项目 1 硅芯管、硅芯管接头的规格、型号、材质、质量符合设计及相关产品标准的规定 符合规范及设计要求 2 路由、硅芯管配盘符合设计及规范要求 符合规范及设计要求 3 硅芯管在特殊地段(定向钻、顶管、大开挖、石方段、沼泽段等)施工,符合设计及规范要求 符合规范及设计要求 一般 项目 1 硅管沟底应平整无碎石、杂物 符合规范及设计要求 2 硅芯管必须平放于沟底,不得腾空和拱起 符合规范及设计要求 3 硅芯管与输油管道的距离 ≥300m m √ √ √ √ √ √ √ √ √ √ 4 硅芯管的埋深 ≥1.5m √ √ √ √ √ √ √ √ √ √ 施工 单位 检查 评定 结果 项目专业质量检查员 年 月 日 监理 (建设) 单位 验收 结论 监理工程师 (建设单位项目代表) 年 月 日 光缆敷设检验批质量验收表 工程名称 青岛新机场项目配套航油管道工程黄岛段施工 分部工程名称 通信工程 验收 部位 施工单位 中国化学工程第九建设有限公司 专业负责人 刘贵祥 项目 经理 刘德厚 施工执行标准名称及编号 《输油(气)管道同沟敷设光缆(硅芯管)设计及施工规范》 SY/T 4108-2012 检验批 编号 质量验收规范规定 施工单位检查评定记录 监理(建设) 单位验收意见 主控 项目 1 光缆型号、光纤传输特性、质量符合设计要求 符合规范及设计要求 2 路由、光缆配盘符合设计及规范要求 符合规范及设计要求 3 接续箱内光缆的预留长度和方式必须符合设计要求 符合规范及设计要求 一般 项目 1 人工抬放时,硅芯管不应出现小于规定曲率半径的弯曲以及拖地、牵引过紧等现象 符合规范及设计要求 2 硅芯管吹放光缆后,应做好硅芯管端口的封堵 符合规范及设计要求 3 光缆的敷设的弯曲半径应满足设计要求 符合规范及设计要求 施工 单位 检查 评定 结果 项目专业质量检查员 年 月 日 监理 (建设) 单位 验收 结论 监理工程师 (建设单位项目代表) 年 月 日 保护...

1、当您付费下载文档后,您只拥有了使用权限,并不意味着购买了版权,文档只能用于自身使用,不得用于其他商业用途(如 [转卖]进行直接盈利或[编辑后售卖]进行间接盈利)。
2、本站所有内容均由合作方或网友上传,本站不对文档的完整性、权威性及其观点立场正确性做任何保证或承诺!文档内容仅供研究参考,付费前请自行鉴别。
3、如文档内容存在违规,或者侵犯商业秘密、侵犯著作权等,请点击“违规举报”。

碎片内容

通信工程检验批质量验收表格

小辰7+ 关注
实名认证
内容提供者

出售各种资料和文档

相关文档

确认删除?
VIP
微信客服
  • 扫码咨询
会员Q群
  • 会员专属群点击这里加入QQ群
客服邮箱
回到顶部