电脑桌面
添加小米粒文库到电脑桌面
安装后可以在桌面快捷访问

通风、空调工程施工方法及施工工艺方案VIP免费

通风、空调工程施工方法及施工工艺方案_第1页
1/23
通风、空调工程施工方法及施工工艺方案_第2页
2/23
通风、空调工程施工方法及施工工艺方案_第3页
3/23
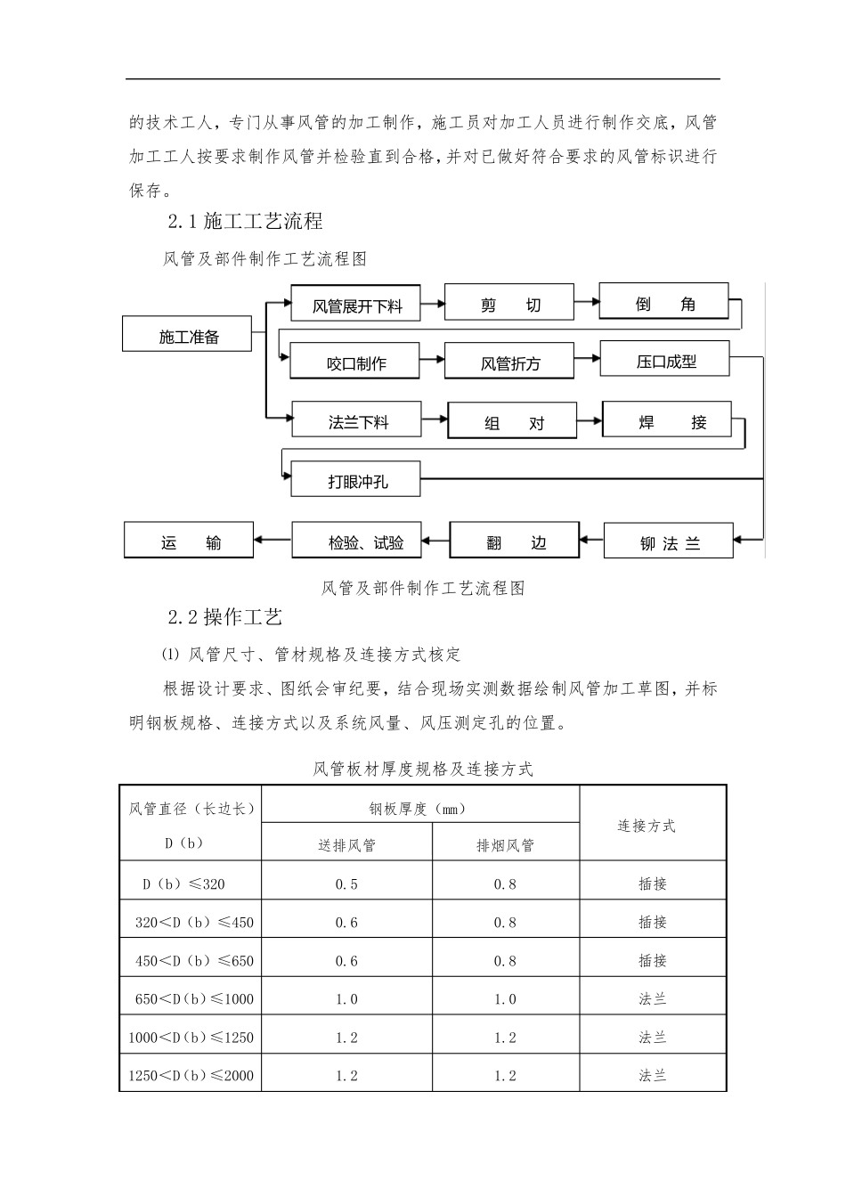
通风、空调工程施工方法及施工工艺方案 1、通风、空调工程总体施工流程图 通风、空调工程总体施工流程图 2、风管及部件制作施工方法、施工工艺 本工程风管加工量大,所以风管及其部件采用加工场集中加工,再运至安装现场进行安装,加工场的设置数量据各区域划分的流水段确定。风道预制作业按法兰和风管两条制作线组织平行流水作业,即在加工场安排对风管加工技术精通 分 项 工 程 施 工 材 料 设 备 准 备 开 工 准 备 审 图 编 制 方 案 施 工 预 算 编 制 施 工 现 场 准 备 施 工 机 具 准 备 风 管 及 部 件制 作 通风 空调设 备 安装 竣工 验收 风 管 系统安装 系统调试 空调水系统安装 的技术工人,专门从事风管的加工制作,施工员对加工人员进行制作交底,风管加工工人按要求制作风管并检验直到合格,并对已做好符合要求的风管标识进行保存。 2.1 施工工艺流程 风管及部件制作工艺流程图 风管及部件制作工艺流程图 2.2 操作工艺 ⑴ 风管尺寸、管材规格及连接方式核定 根据设计要求、图纸会审纪要,结合现场实测数据绘制风管加工草图,并标明钢板规格、连接方式以及系统风量、风压测定孔的位置。 风管板材厚度规格及连接方式 风管直径(长边长)D(b) 钢板厚度(mm) 连接方式 送排风管 排烟风管 D(b)≤320 0.5 0.8 插接 320<D(b)≤450 0.6 0.8 插接 450<D(b)≤650 0.6 0.8 插接 650<D(b)≤1000 1.0 1.0 法兰 1000<D(b)≤1250 1.2 1.2 法兰 1250<D(b)≤2000 1.2 1.2 法兰 施 工 准 备 咬 口 制 作 剪 切 风 管 展 开 下 料 倒 角 风 管 折 方 压 口 成 型 法 兰 下 料 组 对 焊 接 打 眼 冲 孔 铆 法 兰 翻 边 检 验 、试验 运 输 2000<D(b)≤4000 1.2 1.2 法兰 ⑵ 风管制作 制作金属风管时,板材的拼接咬口和圆形风管的闭合咬口采用单咬口,矩形风管或配件的四角组合可采用转角咬口、联合角咬口、按扣式咬口;圆形弯管的组合可采用立咬口。加工管段的长度宜为 1.8~4m。允许偏差 D(b)≤300 时为-1~0mm,D(b)>300 时为-2~0mm,平面度为 2mm。咬口形式见下图: 图 3-5-13-1-2-1 咬口形式示意图 ⑶ 风管的加固 ① 矩形风管边长大于或等于 600mm 和保温风管边长大于或等于 800mm,其管段长度在 1200mm 以上时均应采取加固措施。...

1、当您付费下载文档后,您只拥有了使用权限,并不意味着购买了版权,文档只能用于自身使用,不得用于其他商业用途(如 [转卖]进行直接盈利或[编辑后售卖]进行间接盈利)。
2、本站所有内容均由合作方或网友上传,本站不对文档的完整性、权威性及其观点立场正确性做任何保证或承诺!文档内容仅供研究参考,付费前请自行鉴别。
3、如文档内容存在违规,或者侵犯商业秘密、侵犯著作权等,请点击“违规举报”。

碎片内容

通风、空调工程施工方法及施工工艺方案

您可能关注的文档

确认删除?
VIP
微信客服
  • 扫码咨询
会员Q群
  • 会员专属群点击这里加入QQ群
客服邮箱
回到顶部