电脑桌面
添加小米粒文库到电脑桌面
安装后可以在桌面快捷访问

高支模技术交底VIP免费

高支模技术交底_第1页
1/14
高支模技术交底_第2页
2/14
高支模技术交底_第3页
3/14
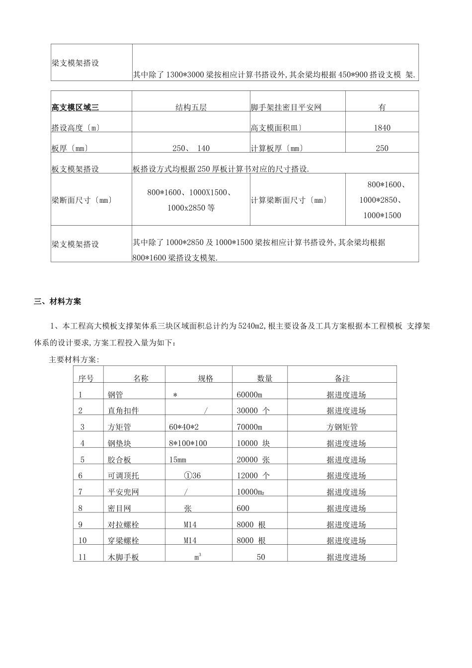
工程名称花园城国际度假中央五星级城市酒店建设单位成都花园城蔚蓝卡地亚投资有限公司监理单位四川省城市建设工程监理施工单位成都建工第七建筑工程交底部位一层至五层高支模区域交底日期2021 年 月 日交底人签字按受人签字交底内容:一、工程工程概况工程名称:花园城国际度假中央五星级城市度假酒店工程地址:成都市天府新区天府大道南二段建设单位:成都花园城蔚蓝卡地亚置业勘察单位:核工业西南勘察设计研究院设计单位:四川省建筑设计研究院监理单位:四川省城市建设工程监理施工单位:成都建工第七建筑工程质量平安监督部门:天府新区成都建设工程质量平安监督站工程主要功能或用途:地上使用功能为酒店,地下使用功能为车库,采用钢筋混凝土框架剪力墙结构.二、高大模板局部概况根据?危险性较大的分局部项工程平安治理规定?建办质[2021]31 号要求“混凝土构件模板支撑高度 超过8m,搭设跨度 18m 及以上,施工总荷载 15KN/m2及以上;集中线荷载 20KN/m 及以上〞要求,对本工程 局部模板支撑高度超过 8m,跨度超过 18m,集中线荷载 20KN/m 及以上的结构按超过一定规模的危险性较大 工程编制高大模板专项施工方案,其专项方案应组织专家论证.本工程涉及到高大模板支撑体系的区域分为三个局部:高支模区域一,一层结构〔〕至三层结构〔〕,高支模高度〔米〕,板厚〔150mm〕,一类梁:500*800、二类 梁:800*1600、三类梁:1000*2000、四类梁:1350*2200,其中二类梁 800*1600 跨度为成,高支模建筑面 积约为 1750 m2;高支模支撑架及下部支撑架不撤除将荷载传递至抗水板〔厚度 500mm、强度 C40〕上.支SG — 006高支模技术交底撑面结构板之下传力满堂脚手架,根据高大模板立杆间距搭设,且楼板上下立杆对齐〔详附图一〕高支模区域二,二层结构 O 至四层结构〔〕,高支模高度〔12 米〕,板厚〔180mm、140mm〕,一类梁:450*900、 二类梁:1300*3000,高支模建筑面积约为 1840 1^;高支模支撑架及下夸口支撑架不撤除将荷载传递至筏板〔厚度 1800、强度 C40〕上.支撑面结构板之下传力满堂脚手架,根据高大模板立杆间距搭设,且楼板上 下立杆对齐〔详附图一〕高支模区域三,三层结构〔〕至五层结构〔〕,高支模高度〔米〕,板厚〔250mm、140mm〕,一类梁:800*1600、 二类梁:1000*1500、三类梁:1000*2850,其中一类梁 800*1600 跨度为近、三类梁 1000*2850 跨度为 m1 高支模建筑面积约为 1650 1^.高支模支撑架及下夸口支撑架不撤...

1、当您付费下载文档后,您只拥有了使用权限,并不意味着购买了版权,文档只能用于自身使用,不得用于其他商业用途(如 [转卖]进行直接盈利或[编辑后售卖]进行间接盈利)。
2、本站所有内容均由合作方或网友上传,本站不对文档的完整性、权威性及其观点立场正确性做任何保证或承诺!文档内容仅供研究参考,付费前请自行鉴别。
3、如文档内容存在违规,或者侵犯商业秘密、侵犯著作权等,请点击“违规举报”。

碎片内容

高支模技术交底

您可能关注的文档

确认删除?
VIP
微信客服
  • 扫码咨询
会员Q群
  • 会员专属群点击这里加入QQ群
客服邮箱
回到顶部