电脑桌面
添加小米粒文库到电脑桌面
安装后可以在桌面快捷访问

高支模盘扣架技术交底VIP免费

高支模盘扣架技术交底_第1页
1/15
高支模盘扣架技术交底_第2页
2/15
高支模盘扣架技术交底_第3页
3/15
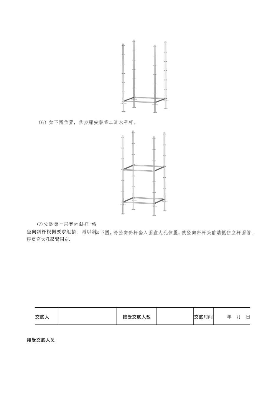
技术交底记录 表 C2-1资料编号工程名称新施工单位审核人分包单位□ 施组总设计交底□ 单位工程施组交底□ 施工方案交底□ 专项施工方案交底□ 施工作业交底交底部位高支模区域接受交底范围木工交底摘要:高支模区域采用盘扣架搭设,为保证高大模板支撑盘扣架体搭设的质量平安,对主体结构单位进行 交底.交底内容:一、主要材料盘扣架 2m、1.5m、1m、0.5m 立杆、1.2m、0.9m、0.6m、0.3m 横杆、0.6*1.5m、0.9*1.5m、1.2*1.5斜杆、楔性插销、可调底座、脚手板、平安网、15mm 木胶板、钢管、扣件二、主要机具扳手、平安带、防滑手套、防滑鞋三、施工准备3.1 材料准备充足,根底坚实.3.2 现场杂物已去除,排水畅通.3.3 在需要搭设盘扣架位置的其他材料已清理.四、工艺流程及操作工艺4.1 施工工艺交底人接受交底人数交底时间年 月曰接受交底人员注:1 本表由施工单位填写.2 内容较多时本表作为首页,交底内容可续页.1 / 15交底名称:交底内容〔续页〕:〔1〕现场盘扣架根底清理完毕,具备搭设盘扣架条件.〔2〕对场地进行清理,利用全站仪器放出搭设支架的边线,边线每隔 5m 放出一个点位.点位做好标 识,并用黑墨线弹出边线.依照盘扣架布局尺寸,标记处每根立杆的位置,并利用皮尺复核立杆位置是否 符合要求.〔3〕根据各支点位置铺设垫板,进行立杆搭设,并在立杆下方设置底座.〔4〕如下列图所示,拉上水平杆进行固定,第一道水平杆距地面不超过 550mm.盘扣式钢管支架底层的 第一步搭设十分关键,因此要严格限制搭设质量,当组装完第一步横杆后,应进行检查.〔5〕如下列图所示,安装第一道立杆,第二道立杆.立杆的接长是靠焊于立杆顶部的连接管承插而成交底人接受交底人数交底时间 年 月曰接受交底人员接受交底人员,(7)安装第一层竖向斜杆 将竖向斜杆根据要求组搭, 再以斜楔贯穿大孔敲紧固定.(8)如下列图位置,依步骤安装第三道水平杆.(9)如下列图所示,和第一层相同方向搭接第二层竖向斜杆.接受交底人员〔10〕支架顶部设置可调节顶托,且悬出长度满足标准要求.〔11〕支撑体系搭设完成之后,在自检的根底上,进行支架安装、搭接质量检查,对检查有问题的, 立即进行整改,直到检查验收合格为止.4.2 根本要求〔1〕在架体搭设完成后,对架体进行检查,合格前方可投入使用.〔2〕在架体搭设完成后,检查横杆的水平度和立杆的垂直度,并在无荷载情况下逐个地检查立杆底 座有否松动或空浮情况.〔3〕支架作为扫地杆的最底层水平杆离地高度不得大于 550mm.4.3...

1、当您付费下载文档后,您只拥有了使用权限,并不意味着购买了版权,文档只能用于自身使用,不得用于其他商业用途(如 [转卖]进行直接盈利或[编辑后售卖]进行间接盈利)。
2、本站所有内容均由合作方或网友上传,本站不对文档的完整性、权威性及其观点立场正确性做任何保证或承诺!文档内容仅供研究参考,付费前请自行鉴别。
3、如文档内容存在违规,或者侵犯商业秘密、侵犯著作权等,请点击“违规举报”。

碎片内容

高支模盘扣架技术交底

您可能关注的文档

确认删除?
VIP
微信客服
  • 扫码咨询
会员Q群
  • 会员专属群点击这里加入QQ群
客服邮箱
回到顶部