电脑桌面
添加小米粒文库到电脑桌面
安装后可以在桌面快捷访问

有机热载体锅炉安装方案VIP免费

有机热载体锅炉安装方案_第1页
1/8
有机热载体锅炉安装方案_第2页
2/8
有机热载体锅炉安装方案_第3页
3/8
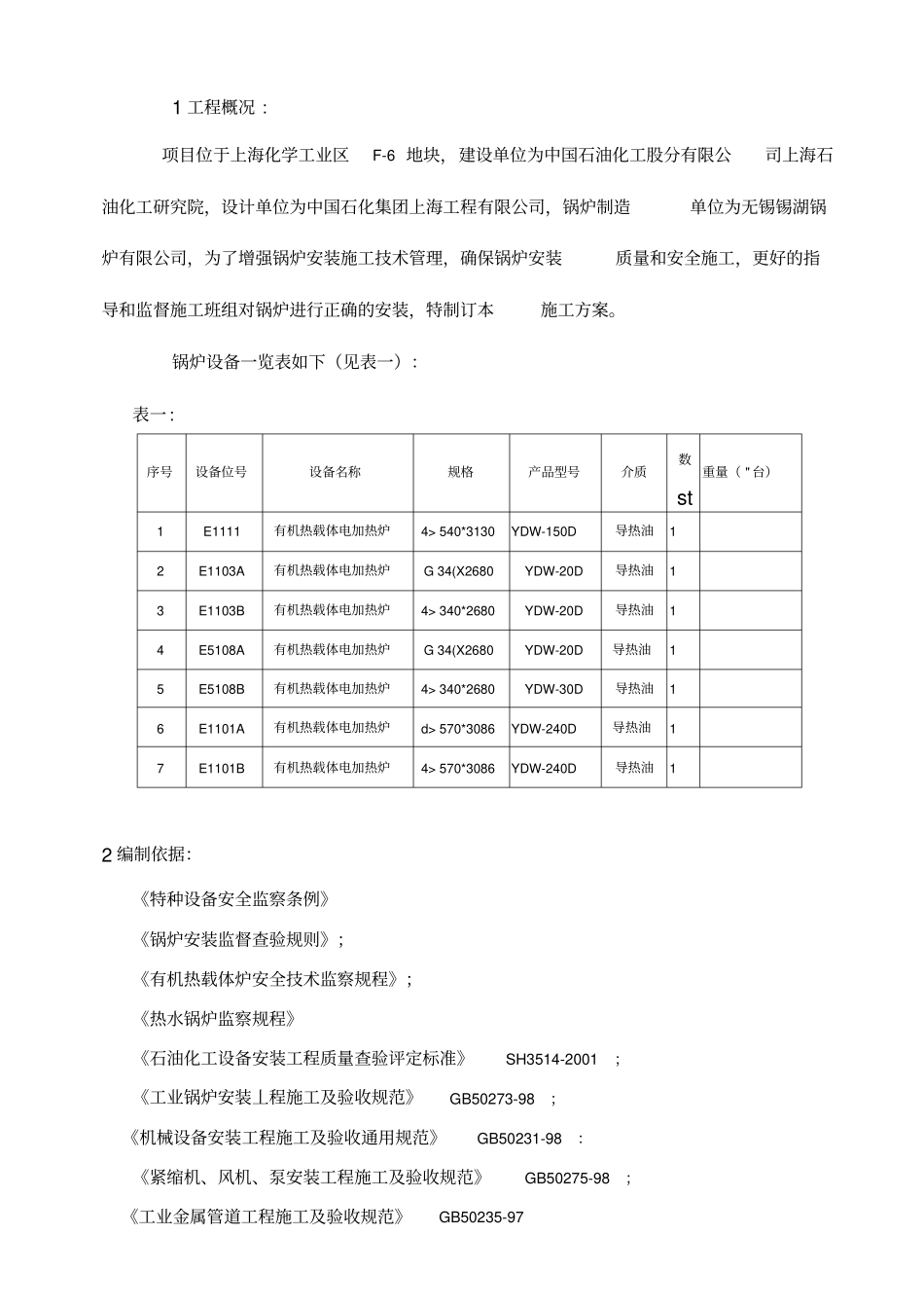
1 工程概况 : 项目位于上海化学工业区F-6 地块,建设单位为中国石油化工股分有限公司上海石油化工研究院,设计单位为中国石化集团上海工程有限公司,锅炉制造单位为无锡锡湖锅炉有限公司,为了增强锅炉安装施工技术管理,确保锅炉安装质量和安全施工,更好的指导和监督施工班组对锅炉进行正确的安装,特制订本施工方案。锅炉设备一览表如下(见表一):表一 : 序号设备位号设备名称规格产品型号介质数st重量( " 台)1E1111有机热载体电加热炉4> 540*3130YDW-150D导热油12E1103A有机热载体电加热炉G 34(X2680YDW-20D导热油13E1103B有机热载体电加热炉4> 340*2680YDW-20D导热油14E5108A有机热载体电加热炉G 34(X2680YDW-20D导热油15E5108B有机热载体电加热炉4> 340*2680YDW-30D导热油16E1101A有机热载体电加热炉d> 570*3086YDW-240D导热油17E1101B有机热载体电加热炉4> 570*3086YDW-240D导热油12 编制依据:《特种设备安全监察条例》《锅炉安装监督查验规则》;《有机热载体炉安全技术监察规程》;《热水锅炉监察规程》《石油化工设备安装工程质量查验评定标准》SH3514-2001;《工业锅炉安装丄程施工及验收规范》GB50273-98;《机械设备安装工程施工及验收通用规范》GB50231-98:《紧缩机、风机、泵安装工程施工及验收规范》GB50275-98;《工业金属管道工程施工及验收规范》GB50235-97《现场设备、工业管道焊接工程施工及验收规范》GB50236-983 锅炉安装质量保证体系(见质量保证体系示用意)项目锅炉安装质量保证体系图4 施工工序工作内容及施工流程施工预备:4.2.1 审图:熟悉图纸和有关资料,掌握设备技术参数和安装技术要求,了解设备安装环境条件;4.2.2 编制施工技术方案:按照施工程序,编制能够知足锅炉安装、靠得住的施工方案,并经有关部门审核、批准;4.2.3 技术交底:必需对所有参加锅炉安装的施工人员进行技术交底,使其熟悉施工方案,确保安装施工安全。4.2.4 工、机具和材料预备:按照施工图纸和施工技术方案,预备安装用各类工、机具和材料,包括运输、吊装、起重设备,安装机具,施工用材料等;4.2.5 组织预备:施工组织除人员预备外,还应按照施工方案在安装施工前检查设备运输线路、施工现场是不是知足设备安装条件等施工预备工作。设备检查验收(填写《设备开箱查验记录SH3503-J301D4.3.1 设备就位前,应会同业主、监理、施工单位相关人员一路对安装设备进行开箱验收:&、技术文件和资料:产品合格证、...

1、当您付费下载文档后,您只拥有了使用权限,并不意味着购买了版权,文档只能用于自身使用,不得用于其他商业用途(如 [转卖]进行直接盈利或[编辑后售卖]进行间接盈利)。
2、本站所有内容均由合作方或网友上传,本站不对文档的完整性、权威性及其观点立场正确性做任何保证或承诺!文档内容仅供研究参考,付费前请自行鉴别。
3、如文档内容存在违规,或者侵犯商业秘密、侵犯著作权等,请点击“违规举报”。

碎片内容

有机热载体锅炉安装方案

确认删除?
VIP
微信客服
  • 扫码咨询
会员Q群
  • 会员专属群点击这里加入QQ群
客服邮箱
回到顶部