电脑桌面
添加小米粒文库到电脑桌面
安装后可以在桌面快捷访问

木桩检验批验收记录表VIP免费

木桩检验批验收记录表_第1页
1/6
木桩检验批验收记录表_第2页
2/6
木桩检验批验收记录表_第3页
3/6
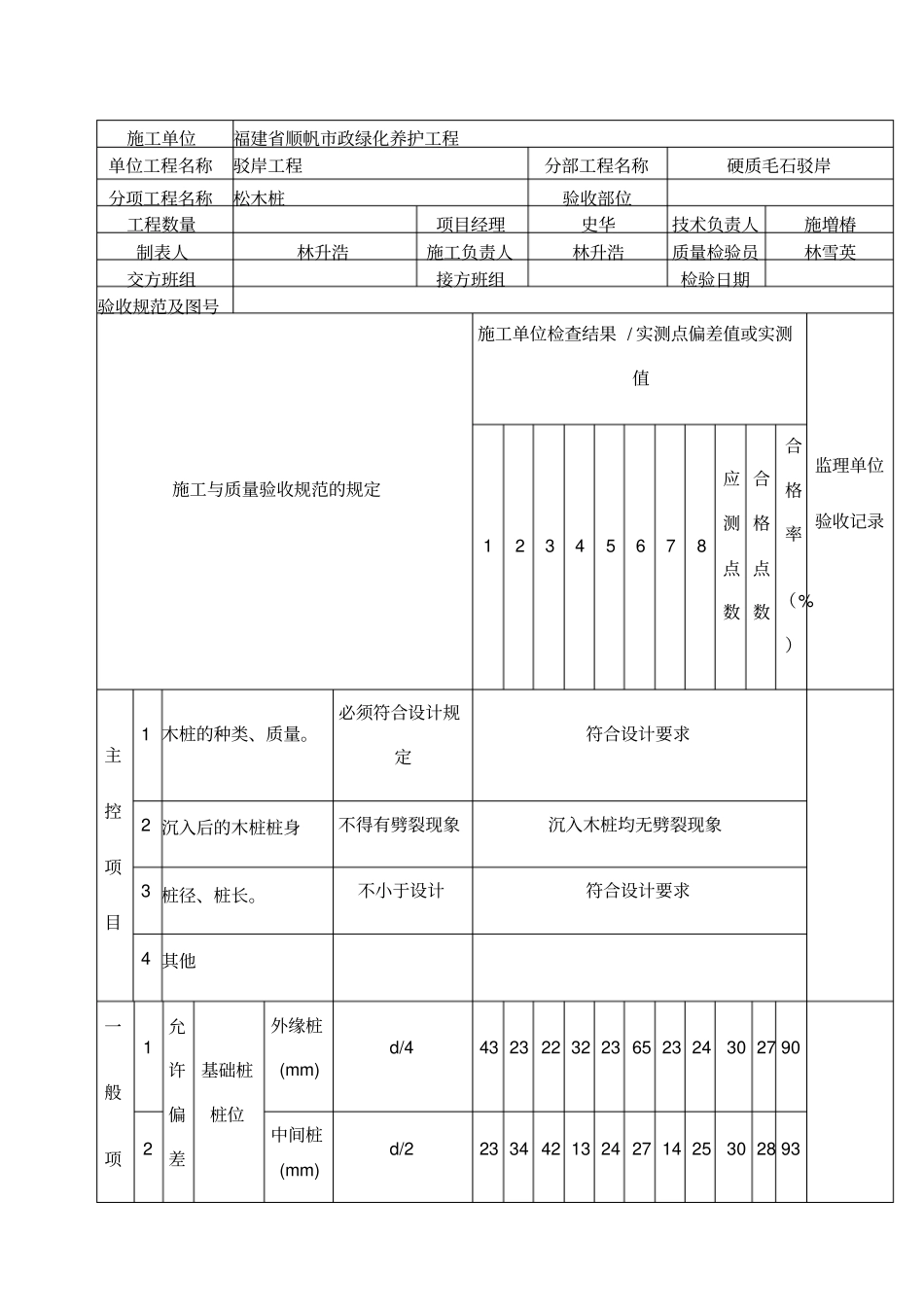
格宾网石笼驳岸木桩报验申请表工程名称:莆田市中心城区荔枝林景观带工程编号:致:福建兢成建设监理咨询有限公司 ( 监理单位 )我单位已完成了工作,现报上该工程报验申请表, 请予以审查和验收。附件:1、木桩检验批质量验收记录2、隐蔽工程验收记录3、测量复核记录承包单位 ( 章): 项 目 经 理:日期:年月日审查意见:项 目 监 理 机 构:总/ 专业监理工程师:日期:年月日木桩检验批质量检验记录工程名称莆田市中心城区荔枝林景观带工程施工单位福建省顺帆市政绿化养护工程单位工程名称驳岸工程分部工程名称硬质毛石驳岸分项工程名称松木桩验收部位工程数量项目经理史华技术负责人施増椿制表人林升浩施工负责人林升浩质量检验员林雪英交方班组接方班组检验日期验收规范及图号施工与质量验收规范的规定施工单位检查结果 / 实测点偏差值或实测值监理单位验收记录12345678应测点数合格点数合格率(%)主控项目1 木桩的种类、质量。必须符合设计规定符合设计要求2 沉入后的木桩桩身不得有劈裂现象沉入木桩均无劈裂现象3 桩径、桩长。不小于设计符合设计要求4 其他一般项1允许偏差基础桩桩位外缘桩(mm)d/443 23 22 32 23 65 23 24 30 27 90 2中间桩(mm)d/223 34 42 13 24 27 14 25 30 28 93 目3防汛墙、护岸桩位桩与基础边线<50/ / / / / / / / / / / 4桩间距<200/ / / / / / / / / / / 5桩顶标高 (mm)±1005079 -58 -18 -108+102 67 -67 15 13 866桩垂直度 (mm)1%L1221 +32 +21 +11 +8 +7 +18 15 12 80平均合格率(%)87施工单位检查意见主控项目全部合格,一般项目满足规范规定要求。质检员签名:年月日监理单位验收结论监理工程师签名:年月日隐蔽工程验收记录年月日工程名称:莆田市中心城区荔枝林景观带工程工程名称莆田市中心城区荔枝林景观带工程 )施工单位福建省顺帆市政绿化养护工程有限公司隐检项目抛石护岸土工布铺设隐检部位隐蔽工程简图:单位: mm验收意见经检查木桩无超沉无超高,轴线顺直无偏位,无脱榫、前倾现象。验收合格。处理情况施工单位质检员施工员监理( 建设 ) 单位监理工程师( 建设单位专业技术负责人)测 量 复 核 记 录工程名称莆田市中心城区荔枝林景观带工施工单位福建省顺帆市政绿化养护有限公程司复核部位日期2013 年月日原施测人测量复核人测量复核情况示意图复核结论复核无误监理单位

1、当您付费下载文档后,您只拥有了使用权限,并不意味着购买了版权,文档只能用于自身使用,不得用于其他商业用途(如 [转卖]进行直接盈利或[编辑后售卖]进行间接盈利)。
2、本站所有内容均由合作方或网友上传,本站不对文档的完整性、权威性及其观点立场正确性做任何保证或承诺!文档内容仅供研究参考,付费前请自行鉴别。
3、如文档内容存在违规,或者侵犯商业秘密、侵犯著作权等,请点击“违规举报”。

碎片内容

木桩检验批验收记录表

确认删除?
VIP
微信客服
  • 扫码咨询
会员Q群
  • 会员专属群点击这里加入QQ群
客服邮箱
回到顶部