电脑桌面
添加小米粒文库到电脑桌面
安装后可以在桌面快捷访问

木饰面生产标准VIP免费

木饰面生产标准_第1页
1/7
木饰面生产标准_第2页
2/7
木饰面生产标准_第3页
3/7
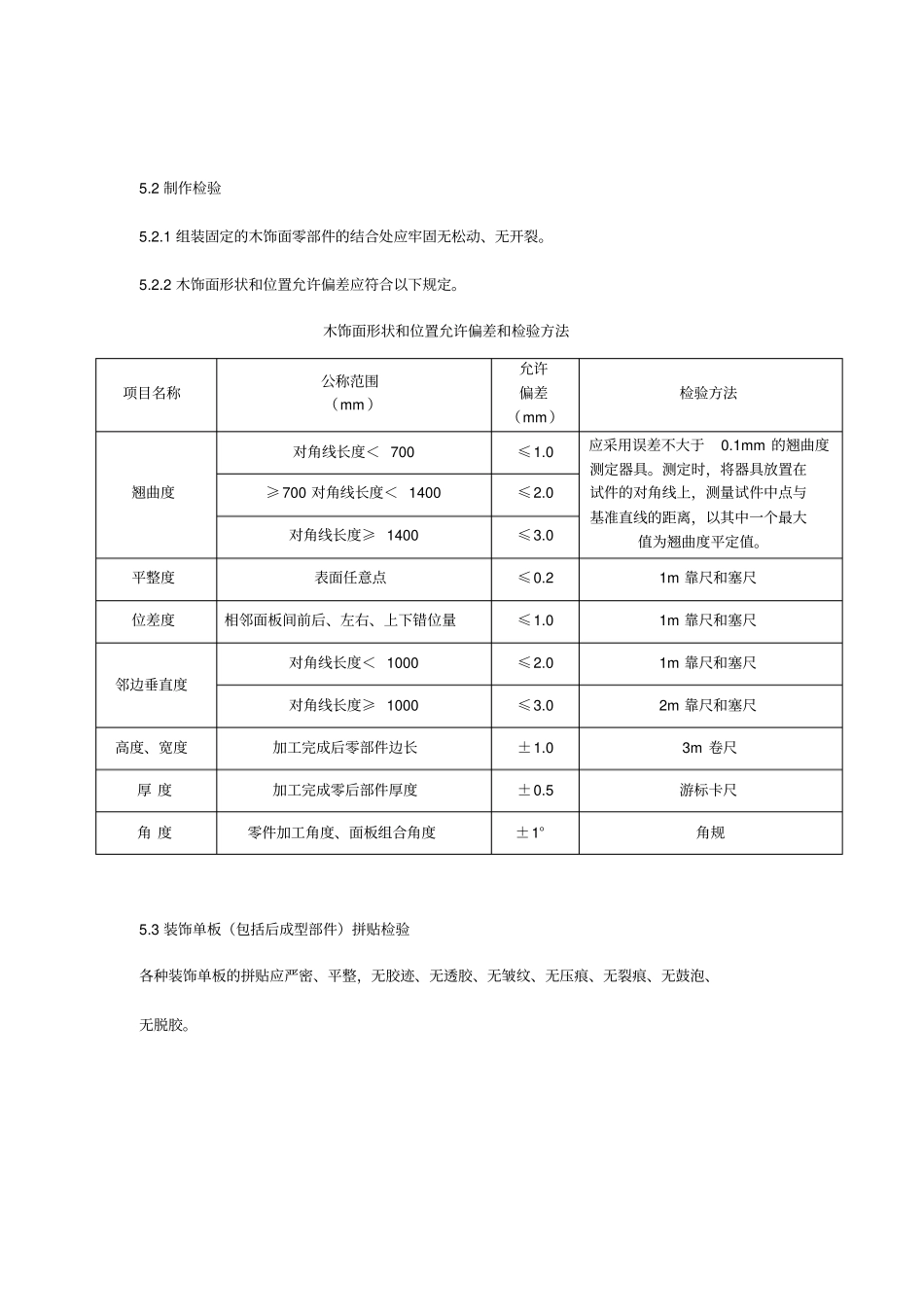
木饰面生产标准1 适用范围本标准规定了木饰面的结构、分类、制作(拼贴、 涂饰)要求、 制作工艺、 产品检验、 包装、运输和贮存等木饰面生产厂的要求,同时规定了项目现场木饰面安装的质量要求。2 术语和定义下列术语和定义适用于本标准。2.1 木饰面由木质材料 (主要包括各类大幅面人造木板)为主要材料, 经工厂化加工制作而成的各种装饰面板(俗称“成品木饰面”或“木挂板”), 本标准简称“木饰面” 。2.2 挂装式木饰面通过金属挂件或木楔子将面板与基层挂合安装的木饰面。2.3 粘贴式木饰面通过胶粘剂将面板粘贴于基层上的木饰面。2.4 阳角木饰面指两块木饰面不在同一平面上,且两木饰面正面间的外夹角大于180° 的木饰面组合部件。2.5 阴角木饰面指两块木饰面不在同一平面上,且两木饰面正面间的内夹角小于180° 的木饰面组合部件。3 木饰面分类3.1 按使用基层材料分为:实木木饰面、胶合板(细木工板)木饰面、刨花板木饰面、纤维板木饰面。3.2 按饰面材料分为:油漆实木皮饰面、三聚氰胺木饰面。3.3 按油漆外观效果分为:混油饰面木饰面、清漆木饰面、高光漆饰面木饰面、亚光漆饰面木饰面、开放漆饰面木饰面、封闭漆饰面木饰面。3.4 按照饰面板形状分:平面木饰面、弧面木饰面(内弧面、外弧面)、组合木饰面(阳角木饰面、阴角木饰面、包柱木饰面)。4 木饰面制作4.10 木饰面工艺槽工艺规定1 工艺槽一般分为:水平工艺槽、垂直工艺槽和交叉工艺槽(包括正交叉和斜交叉)2 工艺槽宽度< 5mm ,应在工厂对修饰缝槽完成与大面颜色相近的色漆。3 工艺槽宽度≥ 5mm,应在工厂对修饰缝槽贴与大面相同的单板(木皮),并完成涂饰。4 V 型断面工艺槽应全部在工厂对修饰缝槽贴与大面相同的单板(木皮),并完成涂饰。5 产品检验5.1 产品检验包括:日常自查、质检巡查、部门例检、上级抽查、出厂检验等,企业内部各种检查、例检可根据本节要求,单独或合并设计表单。5.2 制作检验5.2.1 组装固定的木饰面零部件的结合处应牢固无松动、无开裂。5.2.2 木饰面形状和位置允许偏差应符合以下规定。木饰面形状和位置允许偏差和检验方法项目名称公称范围(mm )允许偏差(mm)检验方法翘曲度对角线长度< 700≤1.0应采用误差不大于0.1mm 的翘曲度测定器具。测定时,将器具放置在试件的对角线上,测量试件中点与基准直线的距离,以其中一个最大值为翘曲度平定值。≥700 对角线长度< 1400≤2.0对角线长度≥ 140...

1、当您付费下载文档后,您只拥有了使用权限,并不意味着购买了版权,文档只能用于自身使用,不得用于其他商业用途(如 [转卖]进行直接盈利或[编辑后售卖]进行间接盈利)。
2、本站所有内容均由合作方或网友上传,本站不对文档的完整性、权威性及其观点立场正确性做任何保证或承诺!文档内容仅供研究参考,付费前请自行鉴别。
3、如文档内容存在违规,或者侵犯商业秘密、侵犯著作权等,请点击“违规举报”。

碎片内容

木饰面生产标准

您可能关注的文档

确认删除?
VIP
微信客服
  • 扫码咨询
会员Q群
  • 会员专属群点击这里加入QQ群
客服邮箱
回到顶部