电脑桌面
添加小米粒文库到电脑桌面
安装后可以在桌面快捷访问

机加件通用检验规程VIP免费

机加件通用检验规程_第1页
1/4
机加件通用检验规程_第2页
2/4
机加件通用检验规程_第3页
3/4
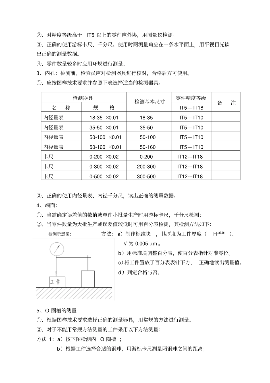
机加件通用检验规程HYJX/JY-03一、 目地:根据公司在机械加工中小批量生产的特点制定本检验规程。二、 范围:适用于本公司自制零件各工序的检验。三、 主要检验项目1、外观及表面粗糙度①外观:对外观不合格的产品不再往下检查。要求: 1、工件表面应无划伤、碰伤、夹伤等缺陷。2、工件应清洁、无铁屑、无毛刺。3、倒角处应符合图样要求。方法: 1、检验员接到工件后,应首先用目视的方法,按以上要求对工件进行检查。2、对倒角处按图样要求用卡尺或R 规检测,对有特殊要求的倒角应采用万能角度尺进行检测。3、对外观不合格的产品不再往下检查。②表面粗糙度:对表面粗糙度不合格的产品不再往下检查。要求:已加工的表面应符合图样技术要求。器具:标准样块、表面粗糙度测量仪。方法 1:对比法:将已加工表面按图样要求与标准样块对比。方法 2:测量法:对要求较高的表面粗糙度应采用仪器测量。测量范围: Ra0.4 以上。方法 3:触觉法:用手指或指甲抚摸工件表面,与标准样块进行比较,常用于内外表面的检测。测量范围: Ra0.8--Ra6.3 。2、外圆:检测前,检验员应对检测器具进行校对,合格后方可使用。①、根据图样要求参照下表选择适当的检测器具。检测器具检测基本尺寸零件精度等级备 注名 称规格IT5-IT18 游标卡尺0-200 ×0.02 0-200 IT12-IT18 游标卡尺0-300 ×0.02 200-300 IT12-IT18 游标卡尺0-500 ×0.02 300-500 IT12-IT18 千分尺0-25 ×0.01 0-25 IT5-IT10 千分尺25-50 ×0.01 25-50 IT5-IT10 千分尺50-75 ×0.01 50-75 IT5-IT10 千分尺75-10 ×0.01 75-100 IT5-IT10 千分尺100-12 ×0.01 100-125 IT5-IT10 ②、对精度等级高于IT5 以上的零件应外协,用测量仪检测。③、正确的使用游标卡尺、千分尺。使用时两测量角应在一条水平面上,用平视目光读出正确的测量数据。④、零件数量较多时应用环规进行测量。3、内孔:检测前,检验员应对检测器具进行校对,合格后方可使用。①、应按图样技术要求并参照下表选择适当的检测器具。检测器具检测基本尺寸零件精度等级备注名称规格IT5— IT18 内径量表18-35 ×0.01 18-35 IT5— IT10 内径量表35-50 ×0.01 35-50 IT5— IT10 内径量表50-100 ×0.01 50-100 IT5— IT10 内径量表50-160 ×0.01 50-160 IT5— IT10 卡尺0-200 ×0.02 0-200 IT12---IT18 卡尺0-300 ×0.02 200-300 IT12---IT18 卡尺0-500 ×0.02 300-...

1、当您付费下载文档后,您只拥有了使用权限,并不意味着购买了版权,文档只能用于自身使用,不得用于其他商业用途(如 [转卖]进行直接盈利或[编辑后售卖]进行间接盈利)。
2、本站所有内容均由合作方或网友上传,本站不对文档的完整性、权威性及其观点立场正确性做任何保证或承诺!文档内容仅供研究参考,付费前请自行鉴别。
3、如文档内容存在违规,或者侵犯商业秘密、侵犯著作权等,请点击“违规举报”。

碎片内容

机加件通用检验规程

文库响当当+ 关注
实名认证
内容提供者

该用户很懒,什么也没介绍

确认删除?
VIP
微信客服
  • 扫码咨询
会员Q群
  • 会员专属群点击这里加入QQ群
客服邮箱
回到顶部